Verdrahtungsplan für die Module TM3DQ16R/TM3DQ16RG

Einführung

Diese Erweiterungsmodule sind mit einer integrierten, abnehmbaren Schraub- oder Federklem­menleiste für die Verbindung von Ausgängen und Spannungsversorgung ausgestattet.

Verdrahtungsregeln

Siehe Best Practices für die Verdrahtung

Verdrahtungsplan

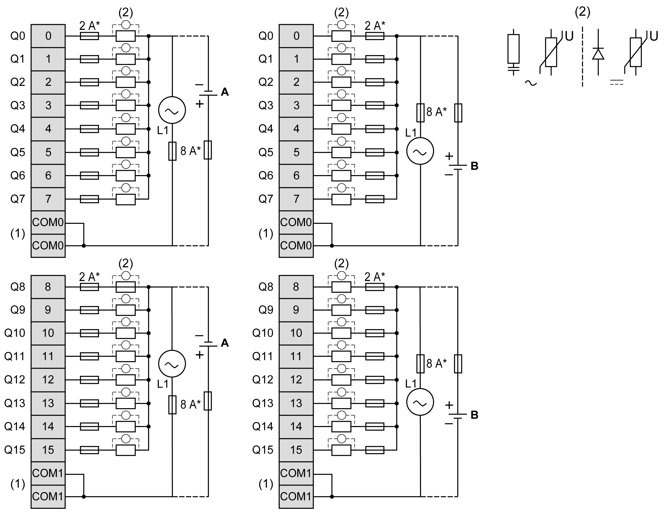
Die folgende Abbildung zeigt die Verbindung zwischen den Ausgängen, den Aktoren und ihren gemeinsamen Leitungen:

G-SE-0022617.3.gif-high.gif

 

*   Sicherung Typ T

(1)   Die Klemmen COM0 und COM1 sind nicht intern angeschlossen.

(2)   Schließen Sie zur Erhöhung der Lebensdauer der Kontakte und zum Schutz vor Schäden durch induktive Lasten parallel zu jeder induktiven Gleichstromlast eine freilaufende Diode bzw. parallel zu jeder induktiven Wechselstromlast ein RC-Löschglied oder einen Varistor für jeden Lasttyp an.

A   Source-Verdrahtung (Strom liefernd – positive Logik)

B   Sink-Verdrahtung (Strom ziehend – negative Logik)

HINWEIS: Wenn Sie das TM3-Erweiterungsmodul mit einem TM3-Ethernet-Buskoppler verwenden, muss parallel zu jeder induktiven Wechselstromlast ein RC-Löschglied angeschlossen werden.

Weitere Informationen über die 24-V-Spannungsversorgung finden Sie unter Kenndaten der DC-Spannungsversorgung.