Sum Encoder

Task

The Sum encoder was integrated in the system for adding speed position signals in the PacDrive system.

Tasks of the Sum encoder

oRegistration Correction

The position deviation of the print mark is compensated by feeding a correction curve via the Sum encoder.

oOverlapping a corrective curve to the actual curve (phase shift)

When, for example, compensating a changing pressure angle of the belt drive, a constant production velocity can be achieved by feeding a corrective curve via the Sum encoder.

NOTE: In practice, addition of positions appears difficult because, for example, a jump occurs in the “output position” of the Sum encoder on resetting a “source position”.

Therefore, the Sum Master Encoder must be used. This problem does not occur in this encoder, as speeds are added here.

Functional Description

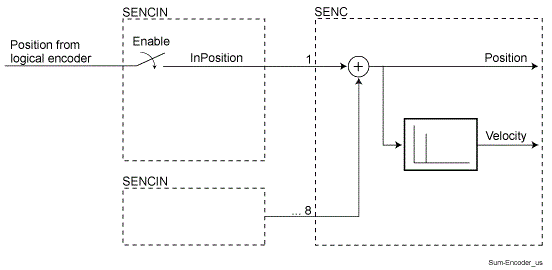
Functional principle of the Sum encoder

G-SE-0061921.1.gif

 

 

The position of the Log. encoder is fed to the Sum encoder. The allocation to the Log. encoderis carried out with the SetSEncIn() function