Top Hat Section Rail (DIN rail)
Dimensions of Top Hat Section Rail DIN Rail
You can mount the controller or receiver and its expansions on a 35 mm (1.38 in.) top hat section rail (DIN rail). It can be attached to a smooth mounting surface or suspended from a EIA rack or mounted in a NEMA cabinet.
Symmetric Top Hat Section Rails (DIN Rail)
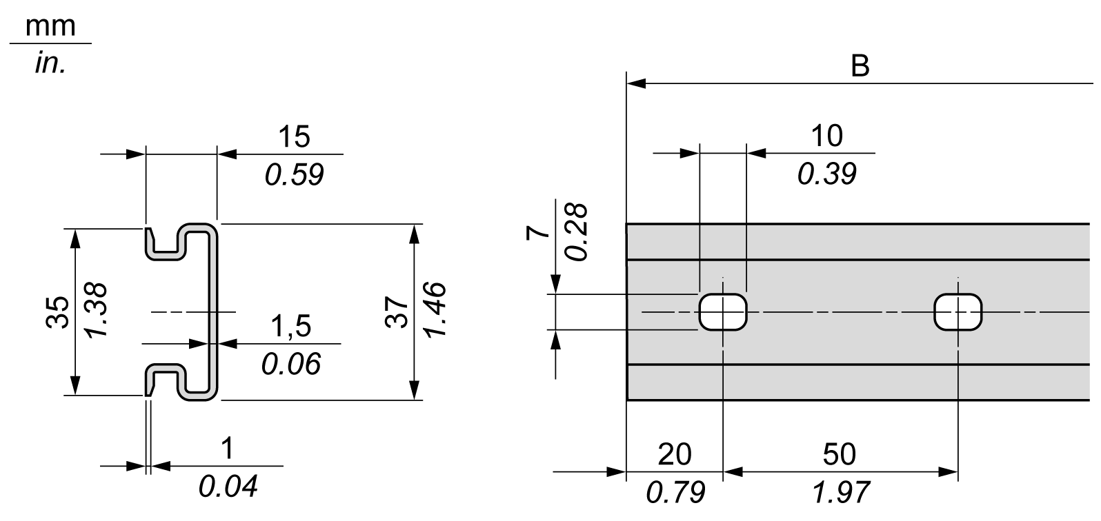
The following illustration and table show the references of the top hat section rails (DIN rail) for the wall-mounting range:
|
Reference |
Type |
Rail Length (B) |
|---|---|---|
|
NSYSDR50A |
A |
450 mm (17.71 in.) |
|
NSYSDR60A |
A |
550 mm (21.65 in.) |
|
NSYSDR80A |
A |
750 mm (29.52 in.) |
|
NSYSDR100A |
A |
950 mm (37.40 in.) |
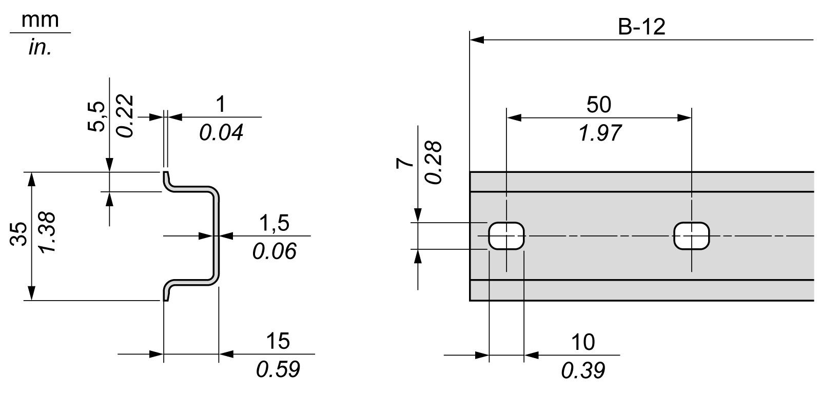
The following illustration and table show the references of the symmetric top hat section rails (DIN rail) for the metal enclosure range:
|
Reference |
Type |
Rail Length (B-12 mm) |
|---|---|---|
|
NSYSDR60 |
A |
588 mm (23.15 in.) |
|
NSYSDR80 |
A |
788 mm (31.02 in.) |
|
NSYSDR100 |
A |
988 mm (38.89 in.) |
|
NSYSDR120 |
A |
1188 mm (46.77 in.) |
The following illustration and table shows the references of the symmetric top hat section rails (DIN rail) of 2000 mm (78.74 in.):
|
Reference |
Type |
Rail Length |
|---|---|---|
|
NSYSDR2001 |
A |
2000 mm (78.74 in.) |
|
NSYSDR200D2 |
A |
|
|
1 Unperforated galvanized steel 2 Perforated galvanized steel |
||
Double-Profile Top Hat Section Rails (DIN rail)
The following illustration and table show the references of the double-profile top hat section rails (DIN rails) for the wall-mounting range:
|
Reference |
Type |
Rail Length (B) |
|---|---|---|
|
NSYDPR25 |
W |
250 mm (9.84 in.) |
|
NSYDPR35 |
W |
350 mm (13.77 in.) |
|
NSYDPR45 |
W |
450 mm (17.71 in.) |
|
NSYDPR55 |
W |
550 mm (21.65 in.) |
|
NSYDPR65 |
W |
650 mm (25.60 in.) |
|
NSYDPR75 |
W |
750 mm (29.52 in.) |
The following illustration and table show the references of the double-profile top hat section rails (DIN rail) for the floor-standing range:
|
Reference |
Type |
Rail Length (B) |
|---|---|---|
|
NSYDPR60 |
F |
588 mm (23.15 in.) |
|
NSYDPR80 |
F |
788 mm (31.02 in.) |
|
NSYDPR100 |
F |
988 mm (38.89 in.) |
|
NSYDPR120 |
F |
1188 mm (46.77 in.) |