EcoStruxure Machine Expert version 1.1 does not support the M238, M258, LMC058 and LMC078 controllers.

Characteristics of the TM2DDI16DT Module

Introduction

This section provides a description of the electrical and the input characteristics of the TM2DDI16DT module.

See also Environmental Characteristics.

Warning_Color.gifWARNING

UNINTENDED EQUIPMENT OPERATION

Do not exceed any of the rated values specified in the environmental and electrical characteristics tables.

Failure to follow these instructions can result in death, serious injury, or equipment damage.

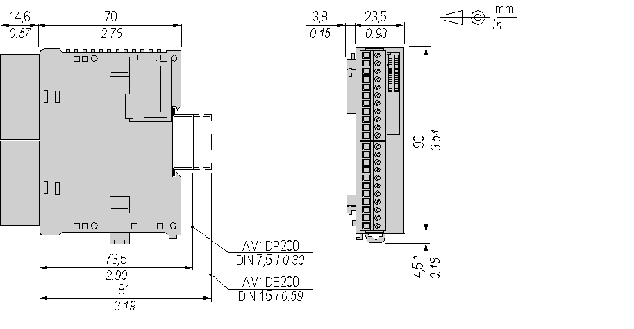
Dimensions

The following diagrams show the dimensions for the TM2DDI16DT module.

G-RU-0010176.1.gif-high.gif

 

 

NOTE: * 8.5 mm (0.33 in) when the clamp is pulled out.

TM2DDI16DT Electrical Characteristics

Isolation

Between input and internal bus: 500 Vac

Between input terminals: not isolated

Connector insertion/removal durability

Over 100 times

Current draw on 5 Vdc internal bus

40 mA (all inputs on)

5 mA (all inputs off)

Current draw on 24 Vdc internal bus

0 mA (all inputs on)

0 mA (all inputs off)

TM2DDI16DT Input Characteristics

Number of input channels

16

Common lines

1

Input signals type

sink or source

Rated input voltage

24 Vdc

Input voltage range

20.4...28.8 Vdc

Rated input current at 24 Vdc

7 mA

Input impedance

3.4 kΩ

OFF state

U < 5 Vdc

ON state

U > 15 Vdc

I > 2 mA

Turn on time

4 ms

Turn off time

4 ms

Input type

Type 1 (IEC 61131-2)

Usage Limits

When using TM2DDI16DT:

G-RU-0010177.3.gif

 

1   At 55°C (131 °F) in the normal mounting direction, limit the inputs which turn on simultaneously along line.

2   At 45°C (113 °F), all inputs can be turned on simultaneously at 28.8 Vdc as indicated with line.