EcoStruxure Machine Expert version 1.1 does not support the M238, M258, LMC058 and LMC078 controllers.

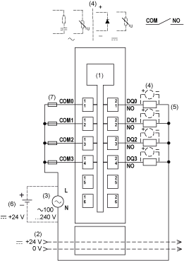
TM5SDO4R Wiring Diagram

Wiring Diagram

The following illustration shows the wiring diagram for TM5SDO4R:

G-SE-0001935.2.gif

 

1   Internal electronics

2   24 Vdc I/O power segment integrated into the bus bases

3   External power supply 100...240 Vac

4   Inductive load protection

5   2-wire load

6   External power supply 24 Vdc

7   External fuse type T slow-blow 5 A - 250 V

Warning_Color.gifWARNING

UNINTENDED EQUIPMENT OPERATION

Do not connect wires to unused terminals and/or terminals indicated as “No Connection (N.C.)”.

Failure to follow these instructions can result in death, serious injury, or equipment damage.