EcoStruxure Machine Expert versión 1.1 no soporta los controladores M238, M258, LMC058 y LMC078.

Características del módulo TM2DDI16DT

Introducción

En esta sección se proporciona una descripción de las características eléctricas y de entrada del módulo TM2DDI16DT.

Consulte también las Características ambientales.

Warning_Color.gifADVERTENCIA

FUNCIONAMIENTO IMPREVISTO DEL EQUIPO

No supere ninguno de los valores nominales que se especifican en las tablas de características medioambientales y eléctricas.

El incumplimiento de estas instrucciones puede causar la muerte, lesiones serias o daño al equipo.

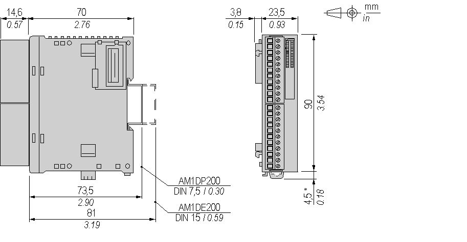
Dimensiones

En los diagramas siguientes se muestran las dimensiones del módulo TM2DDI16DT.

G-RU-0010176.1.gif-high.gif

 

 

NOTA: * 8,5 mm (0,33 pulg.) cuando se retira la abrazadera.

Características eléctricas de TM2DDI16DT

Aislamiento

Entre la entrada y el bus interno: 500 V CA500 V CA

Entre los terminales de entradas: sin aislamiento

Durabilidad de conexiones y desconexiones del conector

Más de 100 veces

Consumo de corriente en el bus interno de 5 V CC

40 mA (todas las entradas activadas)

5 mA (todas las entradas desactivadas)

Consumo de corriente en el bus interno de 24 V CC

0 mA (todas las entradas activadas)

0 mA (todas las entradas desactivadas)

Características de las entrada de TM2DDI16DT

Número de canales de entrada

16

Líneas comunes

1

Tipo de señales de entrada

común positivo o común negativo

Tensión de entrada nominal

24 V CC

Rango de tensión de entrada

De 20,4 a 28,8 V CC

Corriente nominal de entrada a 24 V CC

7 mA

Impedancia de entrada

3,4 kΩ

Estado OFF

U < 5 V CC

Estado ON

U > 15 V CC

I > 2 mA

Tiempo de encendido

4 ms

Tiempo de apagado

4 ms

Tipo de entrada

Tipo 1 (IEC 61131-2)

Límites de uso

Cuando se utiliza TM2DDI16DT:

G-RU-0010177.3.gif

 

1   A 55 °C (131 °F) en la dirección normal de montaje, limite las entradas que se activan simultáneamente en la línea.

2   A 45 °C (113 °F), todas las entradas pueden activarse simultáneamente a 28,8 V CC, tal como se indica en la curva.