Diagrama de cableado de TM3TI4/TM3TI4G

Introducción

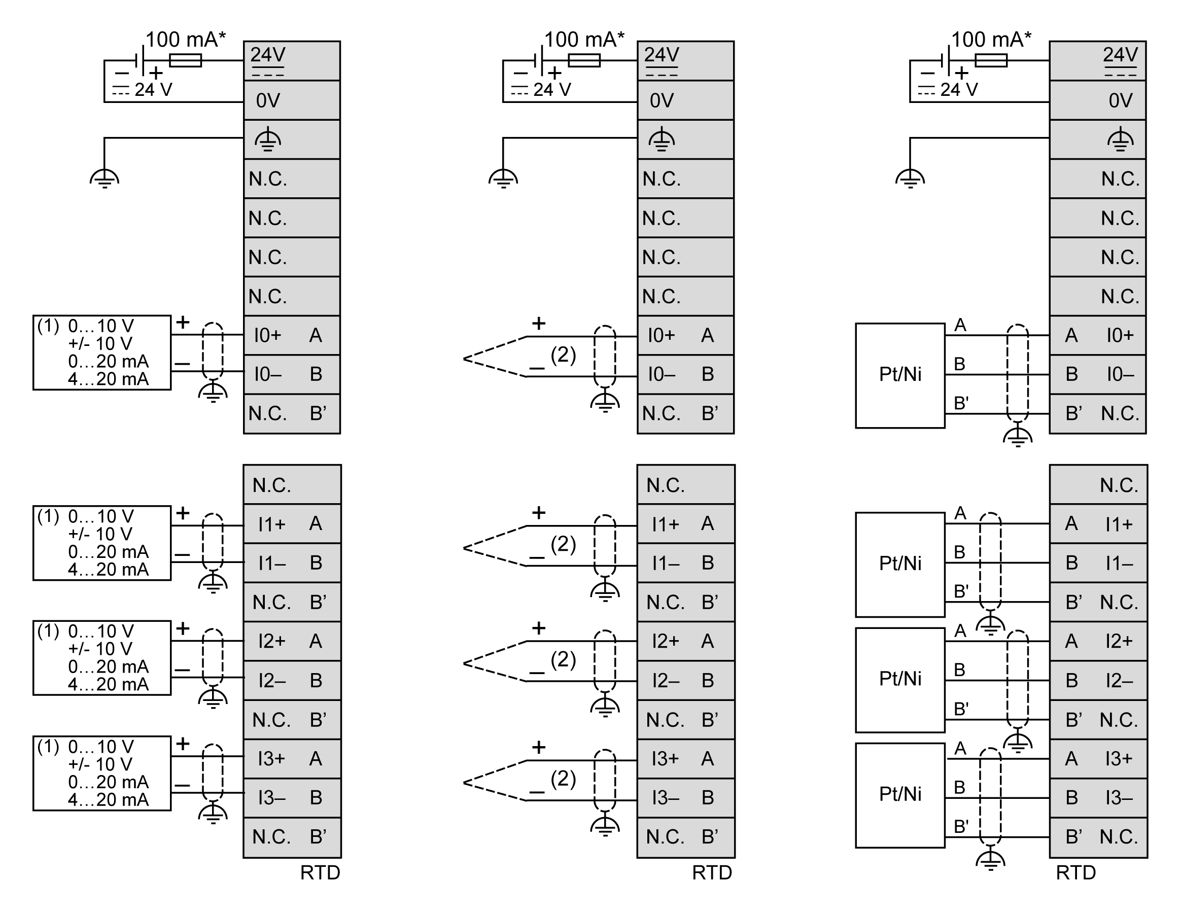
Estos módulos de ampliación tienen un bloque de terminales de tornillo o resorte extraíble para la conexión de las entradas y la fuente de alimentación.

Normas de cableado

Consulte la sección Prácticas recomendadas relativas al cableado.

Diagrama de cableado

En la siguiente figura se representa la conexión entre las entradas, los sensores y sus líneas comunes:

G-SE-0030395.3.gif-high.gif

 

*   Fusible tipo T

(1)   Dispositivo de salida analógica de tensión y corriente

(2)   Sólo termoelemento aislado eléctricamente

RTD (A, B, B'):    detector de temperatura de la resistencia

Warning_Color.gifADVERTENCIA

FUNCIONAMIENTO IMPREVISTO DEL EQUIPO

No conecte ningún cable a conexiones reservadas y no utilizadas o a conexiones designadas como "No Connection (N.C.)".

El incumplimiento de estas instrucciones puede causar la muerte, lesiones serias o daño al equipo.