Diagrama de cableado de TM3DQ16R/TM3DQ16RG

Introducción

Estos módulos de ampliación tienen un bloque de terminales de tornillo o resorte extraíble para la conexión de las salidas y la fuente de alimentación.

Normas de cableado

Consulte la sección Prácticas recomendadas relativas al cableado.

Diagrama de cableado

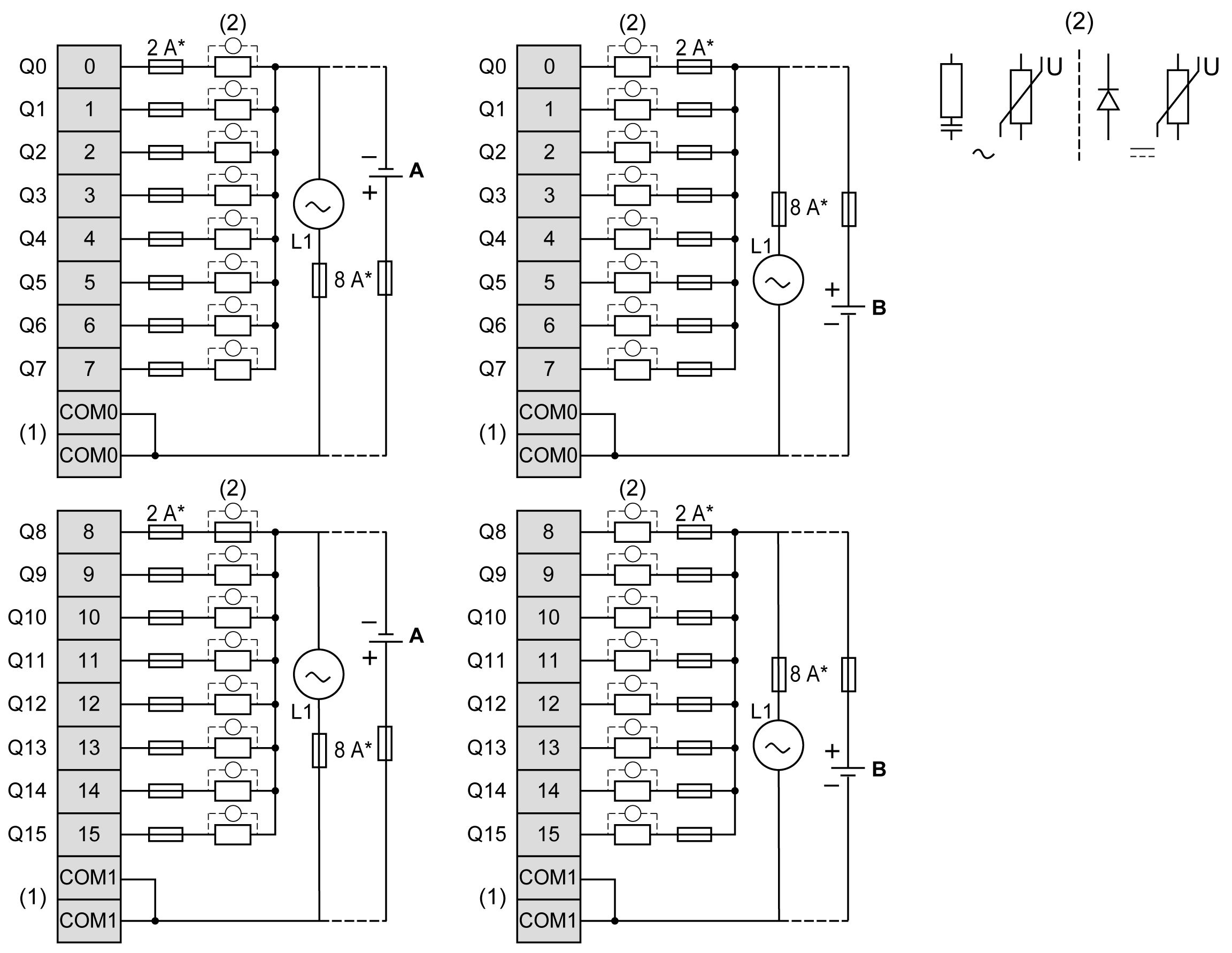
En la siguiente figura se muestra la conexión entre las salidas, los actuadores, y sus comunes:

G-SE-0022617.3.gif-high.gif

 

*   Fusible tipo T

(1)   Los terminales COM0 y COM1 no están conectados internamente.

(2)   Para mejorar la vida útil de los contactos y como protección contra posibles daños por carga inductiva, conecte un diodo de ejecución libre en paralelo a cada una de las cargas inductivas de CC, una supresión RC en paralelo a cada una de las cargas inductivas de CA o un varistor en cada tipo de carga.

A   Cableado de común positivo (lógica positiva)

B   Cableado de común positivo (lógica negativa)

NOTA: Cuando utiliza los módulos de ampliación TM3 con un acoplador de bus TM3 Ethernet, debe conectar una supresión RC en paralelo a cada carga inductiva de CA.

Para obtener más información acerca de la fuente de alimentación de 24 V CC, consulte Características de la fuente de alimentación de CC.