EcoStruxure Machine Expert versión 1.1 no soporta los controladores M238, M258, LMC058 y LMC078.

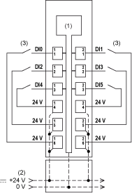
Diagrama de cableado de TM5SDI6D

Diagrama de cableado

En la ilustración siguiente se muestra el diagrama de cableado del módulo TM5SDI6D:

G-SE-0001898.3.gif

 

1   Componentes electrónicos internos

2   Segmento de alimentación de E/S de 24 V CC integrado en las bases de bus

3   Sensor de 2 conductores

El módulo electrónico de 6 entradas TM5SDI6D puede soportar de forma independiente dispositivos de dos cables. Para conectar sensores de tres conductores, puede añadir un módulo de distribución común TM5SPDG6D6F.

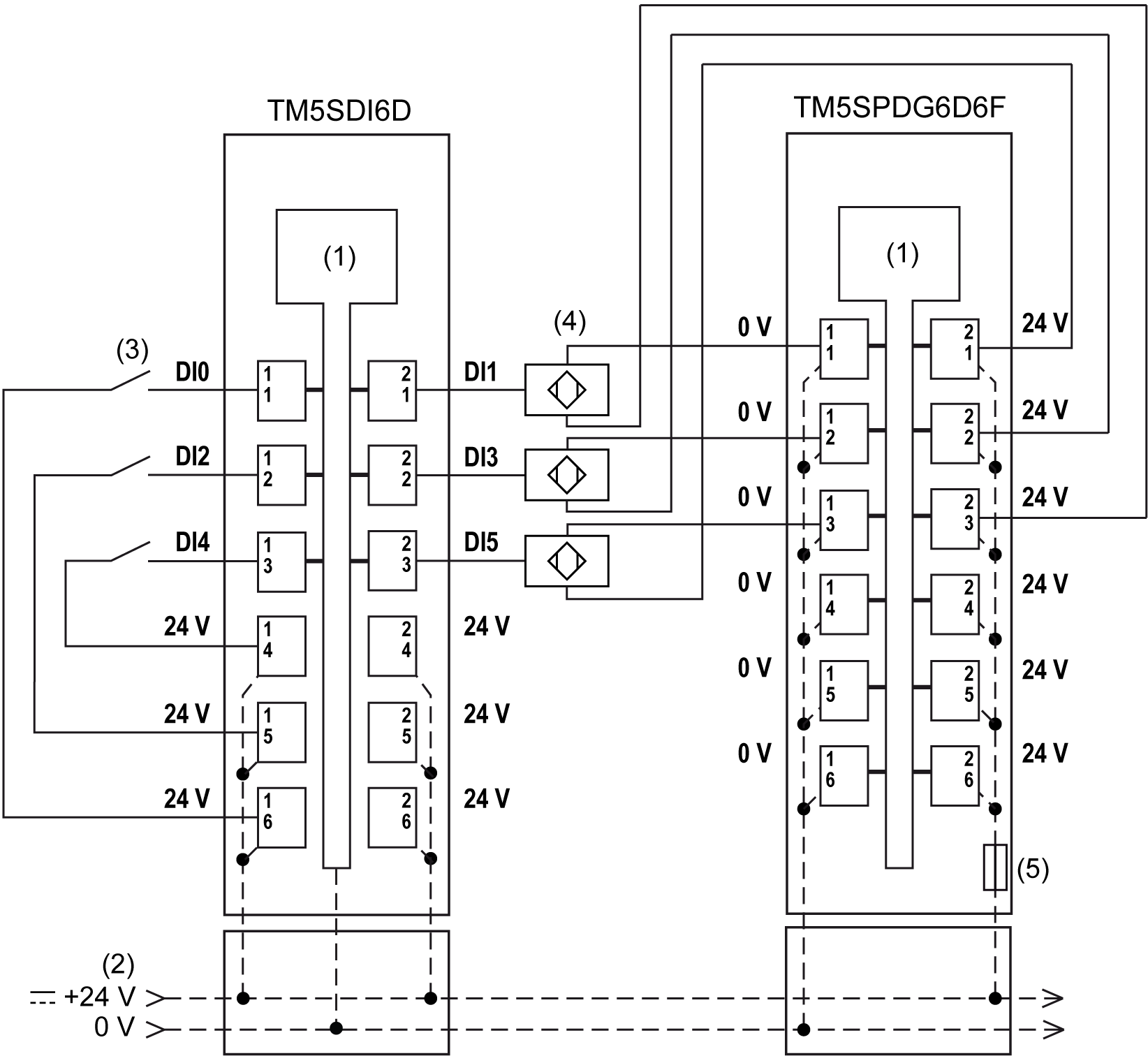
En la ilustración siguiente se muestra el diagrama de cableado del módulo TM5SPDG6D6F y un TM5SDI6D:

G-SE-0003666.2.gif-high.gif

 

1   Componentes electrónicos internos

2   Segmento de alimentación de E/S de 24 V CC integrado en las bases de bus

3   Sensor de 2 conductores

4   Sensor de 3 conductores

5   Fusible integrado de tipo T con retardo intercambiable de 6,3 A y 250 V

Warning_Color.gifADVERTENCIA

FUNCIONAMIENTO IMPREVISTO DEL EQUIPO

No conecte ningún cable a conexiones reservadas y no utilizadas o a conexiones designadas como "No Connection (N.C.)".

El incumplimiento de estas instrucciones puede causar la muerte, lesiones serias o daño al equipo.