Uscita PTO (CN4)

 

Sull'uscita PTO (Pulse Train Out, CN4) vengono emessi i segnali da 5 V. A seconda del parametro PTO_mode questi sono segnali ESIM (simulazione encoder) o segnali di ingresso PTI inoltrati (segnali P/D, segnali A/B, segnali CW/CCW). I segnali di uscita PTO possono essere utilizzati come segnale di ingresso PTI per un altro apparecchio. I segnali di uscita PTO hanno 5 V, anche se il segnale di ingresso PTI è un segnale da 24 V.

 

Il livello di segnalazione è conforme a RS422. A causa della corrente assorbita dall'optoisolatore nel circuito di ingresso, non è ammesso il collegamento in parallelo da un'uscita eccitatore su diversi apparecchi.

Con risoluzione quadrupla la risoluzione di base della simulazione encoder nei motori rotativi è di 4096 incrementi/rotazione.

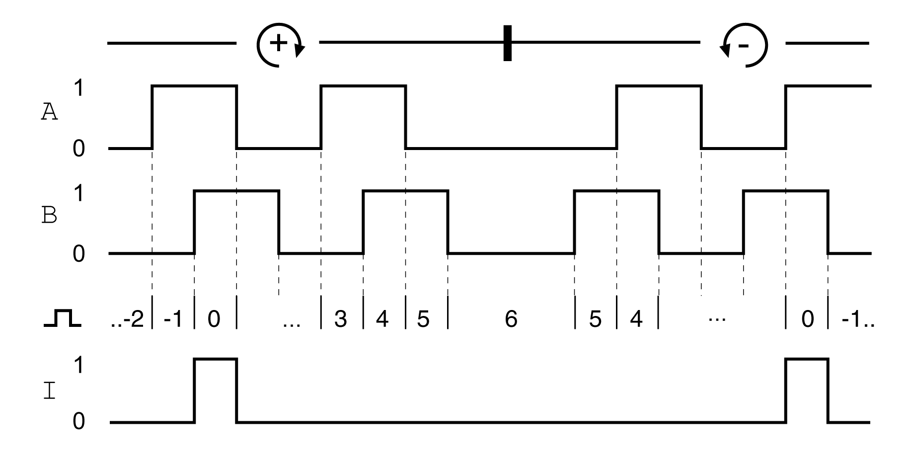
Diagramma temporale con segnali A, B e impulsi di posizione, conteggio in ordine crescente e decrescente

G-SE-0056880.1.gif-high.gif

 

 

Segnale di uscita PTO

I segnali di uscita PTO sono conformi alla specifica dell'interfaccia RS422.

Caratteristiche

Unità

Valore

Livello logico

 

Secondo RS422(1)

Frequenza di uscita per segnale

kHz

≤500

Incrementi motore per secondo

Inc/s

≤1,6 * 106

(1) A causa della corrente assorbita dall'optoisolatore nel circuito di ingresso, non è ammesso il collegamento in parallelo da un'uscita eccitatore su diversi apparecchi.

L'apparecchio collegato all'uscito PTO deve poter elaborare gli incrementi al secondo del motore. Anche con velocità ridotta (frequenza PTO media nel campo dei kHz) può verificarsi una pendenza alternante fino a 1,6 MHz.