TM5SPS2 - Schema di cablaggio

Schema di cablaggio

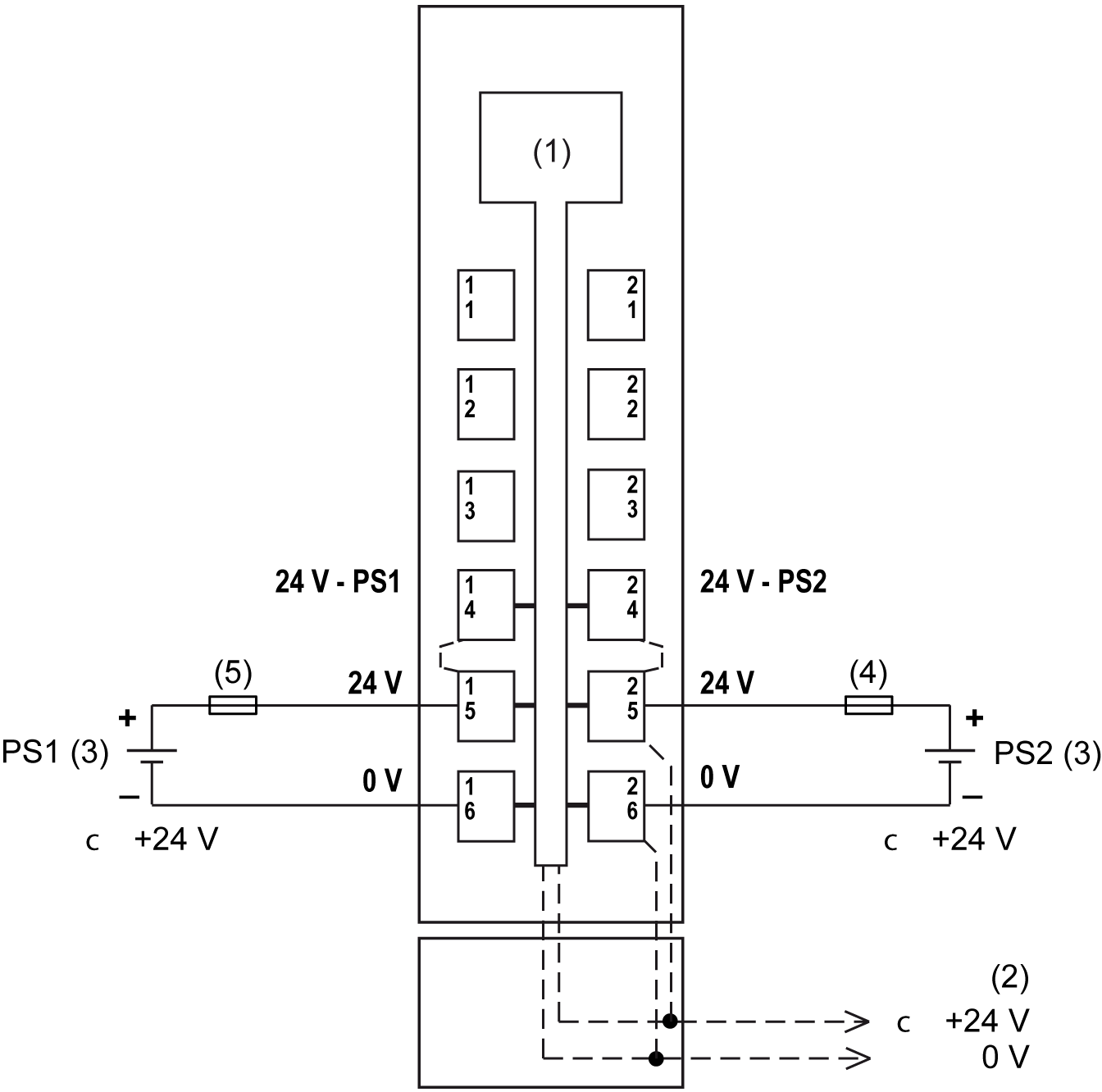
Nella figura seguente è illustrato lo schema di cablaggio per il TM5SPS2:

G-SE-0001538.2.gif-high.gif

 

1   Componenti elettronici interni

2   Segmento di alimentazione I/O 24 Vcc integrato nelle basi bus

3   PS1/PS2: alimentazione esterna 24 Vcc isolata

4   Fusibile esterno tipo T ad azione lenta, 10 A max 250 V

5   Fusibile esterno tipo T ad azione lenta 1 A 250 V

NOTA: Collegare i circuiti di alimentazione a 0 Vdc tra di loro e alla messa a terra funzionale (FE) del sistema per rispettare i requisiti di CEM.

Danger_Color.gifPERICOLO

RISCHIO DI SCARICHE ELETTRICHE, ESPLOSIONE, SURRISCALDAMENTO E INCENDIO

oNon collegare i moduli direttamente alla tensione di linea.

oUtilizzare esclusivamente sistemi con isolamento PELV in base a IEC 61140 per alimentare i moduli.

oCollegare 0 Vcc degli alimentatori esterni a FE (Massa/terra funzionale).

Il mancato rispetto di queste istruzioni provocherà morte o gravi infortuni.

Warning_Color.gifAVVERTIMENTO

FUNZIONAMENTO IMPREVISTO DELL'APPARECCHIATURA

Non collegare alcun cavo a collegamenti riservati, non utilizzati o a connessioni designate come "No Connection (N.C.)".

Il mancato rispetto di queste istruzioni può provocare morte, gravi infortuni o danni alle apparecchiature.