Schema di cablaggio del TM3AI2H / TM3AI2HG

Introduzione

Il modulo di espansione dispone di morsettiera rimovibile a vite per il collegamento degli ingressi e dell'alimentazione.

Regole per il cablaggio

Vedere Miglior prassi per il cablaggio.

Schema di cablaggio

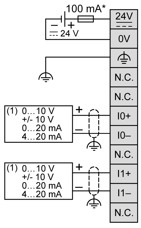
La seguente figura mostra il collegamento tra gli ingressi, i sensori e le linee comuni:

G-SE-0030391.2.gif-high.gif

 

*   Fusibile tipo T

(1)   Dispositivo di uscita analogica corrente/tensione

Warning_Color.gifAVVERTIMENTO

FUNZIONAMENTO IMPREVISTO DELL'APPARECCHIATURA

Non collegare alcun cavo a collegamenti riservati, non utilizzati o a connessioni designate come "No Connection (N.C.)".

Il mancato rispetto di queste istruzioni può provocare morte, gravi infortuni o danni alle apparecchiature.