后插模块配有 16 路数字量输入。
|
|
|
火灾危险 |
|
对于电源的电流容量,仅使用正确的电线规格。 |
|
不遵循上述说明将导致人员伤亡。 |
下表介绍后插模块输入可能的使用情况:
|
功能 |
输入功能 |
HSC/PTO/PWM 功能 |
||||||
|---|---|---|---|---|---|---|---|---|
|
无 |
运行/停止 |
锁存 |
事件 |
HSC |
PTO |
PWM |
||
|
滤波器类型 |
积分器 |
积分器 |
跳动 |
跳动 |
||||
|
快速 输入1 |
FI0 |
X |
X |
X |
X |
A |
– |
– |
|
FI1 |
X |
X |
X |
X |
B/EN |
– |
– |
|
|
常规 输入 |
DI0 |
X |
X |
– |
– |
SYNC |
– |
– |
|
DI1 |
X |
X |
– |
– |
CAP |
– |
– |
|
|
DI2 |
X |
X |
– |
– |
– |
AUX - 驱动器就绪 |
EN |
|
|
DI3 |
X |
X |
– |
– |
– |
– |
SYNC |
|
|
DI4 |
X |
X |
– |
– |
– |
– |
EN |
|
|
DI5 |
X |
X |
– |
– |
– |
– |
SYNC |
|
|
DI6 |
X |
X |
– |
– |
– |
– |
– |
|
|
DI7 |
X |
X |
– |
– |
– |
– |
– |
|
|
DI8 |
X |
X |
– |
– |
– |
– |
– |
|
|
DI9 |
X |
X |
– |
– |
– |
– |
– |
|
|
DI10 |
X |
X |
– |
– |
– |
– |
– |
|
|
DI11 |
X |
X |
– |
– |
– |
– |
– |
|
|
DI12 |
X |
X |
– |
– |
– |
– |
– |
|
|
DI13 |
X |
X |
– |
– |
– |
– |
– |
|
|
X 有 – 否 1 也可用作常规输入 |
||||||||
注意: 您可以使用各种滤波器和功能来管理 HMI 控制器输入。
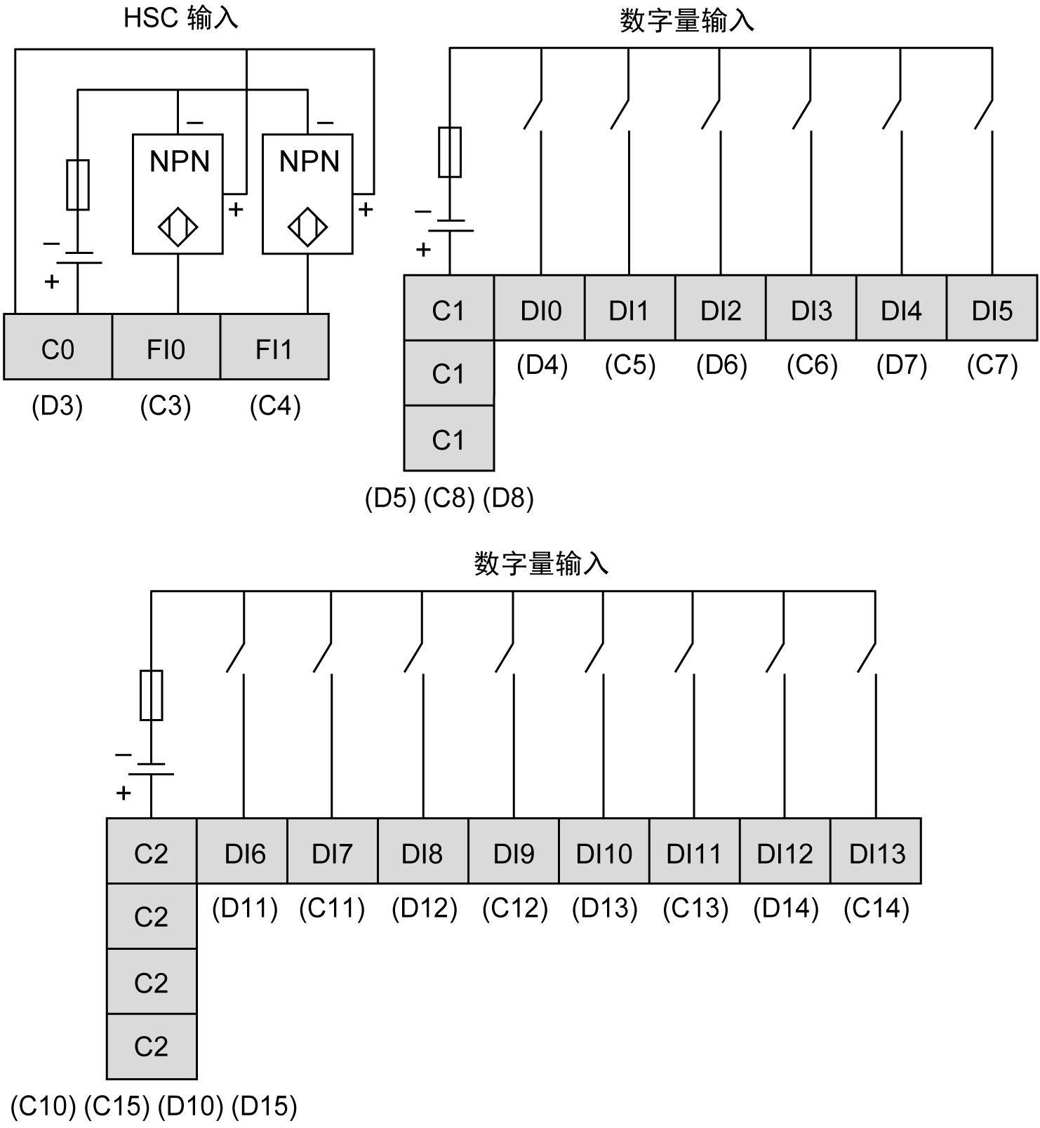
该图示出 HMISCU6A5、HMISCU8A5 和 HMISAC 数字输入漏极类型(正逻辑)的接线图:
注意: 数字量输入为漏极类型(正逻辑)。
该图示出 HMISCU6A5、HMISCU8A5 和 HMISAC 数字输入源极类型(负逻辑)的接线图:
注意: 数字量输入为源极类型(负逻辑)。
|
|
|
意外的设备操作 |
|
请勿将电缆连接至未使用的端子和/或标记为“No Connection (N.C.)”的端子。 |
|
不遵循上述说明可能导致人员伤亡或设备损坏。 |
|
|
|
意外的设备操作 |
|
仅将传感器和执行器电源用于为连接到模块的传感器或执行器供电。 |
|
不遵循上述说明可能导致人员伤亡或设备损坏。 |