有关管理输出的详细信息,请参阅输出管理。
|
|
|
火灾危险 |
|
o仅对 I/O 通道和电源的电流容量使用正确的导线规格。 o对于继电器输出 (2 A) 接线,请使用横截面积至少为 0.5 平方毫米 (AWG 20) 且额定温度至少为 80 °C (176 °F) 的导体。 o对于继电器输出接线 (4 A) 的通用接线,或者继电器输出接线大于 2 A 的通用接线,请使用横截面积至少为 1.0 平方毫米 (AWG 16) 且额定温度至少为 80 °C (176 °F) 的接线。 |
|
不遵循上述说明将导致人员伤亡。 |
|
|
|
意外的设备操作 |
|
请勿超过环境和电气特性表中指定的任何额定值。 |
|
不遵循上述说明可能导致人员伤亡或设备损坏。 |
下表描述了 M218 控制器继电器输出的特性:
|
特性 |
值 |
|
|---|---|---|
|
额定电压 |
24 Vdc,220 Vac |
|
|
输入范围 |
5...30 Vdc,100...250 Vac |
|
|
额定电流 |
每点最大 2 A(请参阅下面的降额曲线) |
|
|
电流/组(4 点) |
4 A(请参阅下面的降额曲线) |
|
|
极限值 |
最大开关电压 |
250 Vac,30 Vdc |
|
电流/点 |
5 A |
|
|
隔离 |
同一类别中的通道之间: |
无 |
|
不同类别中的通道之间: |
1780 Vac/2500 Vdc |
|
|
通道与内部逻辑之间: |
1780 Vac/2500 Vdc |
|
|
最大输出频率 |
最大负载时 |
0.1 Hz |
|
无负载 |
5 Hz |
|
|
触点断开时间 |
通常为 5 毫秒 |
|
|
触点闭合时间 |
通常为 2 毫秒 |
|
|
电阻式负载 |
2 A/点(对于 24 Vdc/220 Vac) |
|
|
机械寿命 |
25 °C (77 °F) 时至少运转 2000 万次(对于最大电流和电压额定值) |
|
|
电缆长度 |
非屏蔽:150 米(492 英尺) |
|
|
防止短路 |
否 |
|
|
端子块 |
类型:螺纹型,螺距为 7.62 毫米(0.29 英寸) 有 2 行是可插拔的 |
|
|
注意: 有关本主题的其他信息,请参阅保护输出,避免电感式负载导致的损坏。 |
||
下图显示了继电器输出降额曲线:
注意: 当所有继电器输出在 55 °C (131 °F) 时使用时,降额 50%。
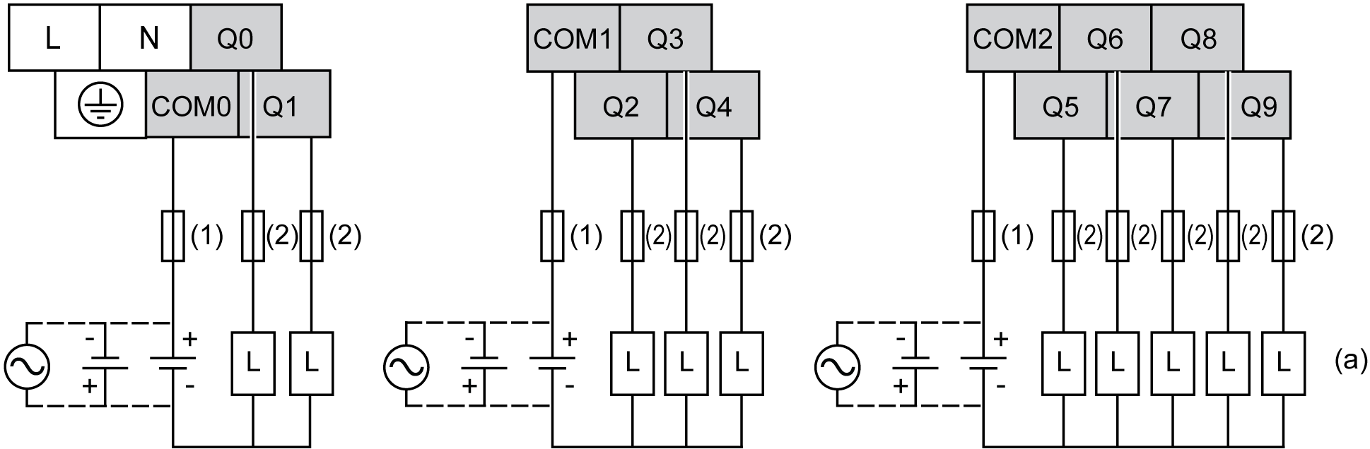
下图显示了 M218 控制器的继电器输出的接线图:
(1) 4 A T 型熔断器
(2) 2 A T 型熔断器
(a) 为了延长触点的使用寿命,以及防止潜在的电感式负载损坏,可将:
o一个续流二极管并行连接到每个电感式 DC 负载
o一个 RC 缓冲器并行连接到每个电感式 AC 负载
注意: 已为控制器 I/O 和相关公共端的最大电流特性指定分配的熔断器值。根据您连接的输入和输出设备的独特类型,您可能有其他适当的考虑,而且您应该相应地指定熔断器的规格。