电源特性和接线

概述

本节提供 DC/AC 电源的接线图和特性。

电源电压范围

如果不能保持在指定的电压范围内,则可能无法按预期切换输出。请使用合适的安全联锁和电压监控电路。

Danger_Color.gif危险

火灾危险

对于电源的电流容量,仅使用正确的导线规格。

不遵循上述说明将导致人员伤亡。

Warning_Color.gif警告

意外的设备操作

请勿超过环境和电气特性表中指定的任何额定值。

不遵循上述说明可能导致人员伤亡或设备损坏。

DC 电源特性

型号

TM218LDD24DUPHN

TM218LDD40DUPHNB

额定电压

24 Vdc

电源中断时间

10 毫秒(20.4 Vdc 时)

最大突波电流

25°C 时 50 A

持续输出功率

15 W

24 W

DC 电源与内部逻辑、I/O 与保护性接地 (PE) 之间的隔离

500 Vdc

DC 电源接线图

G-SE-0020655.1.gif-high.gif

 

1   使用外部慢断 2 A T 型熔断器。

AC 电源电压范围

如果不能保持在指定的电压范围内,则可能无法按预期切换输出。请使用合适的安全联锁和电压监控电路。

Danger_Color.gif危险

火灾危险

对于电源的电流容量,仅使用正确的导线规格。

不遵循上述说明将导致人员伤亡。

Warning_Color.gif警告

意外的设备操作

请勿超过环境和电气特性表中指定的任何额定值。

不遵循上述说明可能导致人员伤亡或设备损坏。

AC 电源特性

型号

TM218LDA16DRN

TM218LDA24DRN

TM218LDA24DRHN

TM218LDAE24DRHN

TM218LDA40DRN

TM218LDA40DRPHN

TM218LDAE40DRPHN

TM218LDA40DR2HN

TM218LDA40DR4PHN

TM218LDA60DRN

电压

额定值

100...240 Vac

限制(含波纹电压)

85...264 Vac

频率

50/60 Hz

电源中断时间

100 Vac 为 10 毫秒

最大突波电流

110 Vac 时

240 Vac 时

30 A

60 A

持续输出功率

25 W

34 W

AC 电源与内部逻辑、I/O 与保护性接地 (PE) 之间的隔离

1780 Vac/2500 Vdc

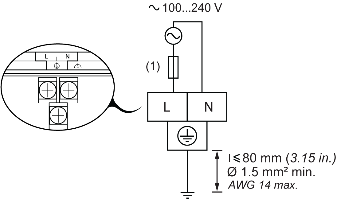
AC 电源接线图

G-SE-0009017.2.gif-high.gif

 

1   使用外部慢断 2 A T 型熔断器。

电源中断

Modicon M218 Logic Controller 能继续正常运行的断电持续时间的长短取决于控制器的电源负载,但通常情况下,如 IEC 标准所规定,最少维持 10 毫秒。

如果控制器电源上的负载为最小值,则断电持续时间可长达 400 毫秒。

在规划控制器电源的管理时,由于控制器的周期时间较短,您必须考虑电源中断的持续时间。

在电源中断期间,可能有多次逻辑扫描和对 I/O 映像表的相应更新,同时,根据电源系统架构和电源中断情况也没有外部电源为输入、输出或这两者供电。

Warning_Color.gif警告

意外的设备操作

o分别监控 Modicon M218 Logic Controller 系统使用的各个电源(包括输入电源、输出电源和控制器电源),以便在电源系统中断时能关闭相应的系统。

o监控各种电源的输入必须是未过滤的输入。

不遵循上述说明可能导致人员伤亡或设备损坏。