TM5SPS1 接线图

接线图

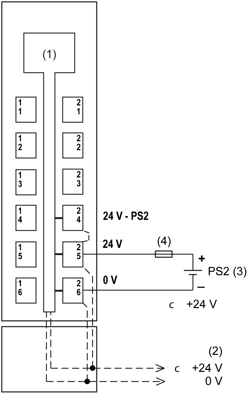
下图显示了 TM5SPS1 的接线图:

G-SE-0001532.2.gif-high.gif

 

1   内部电子

2   集成在总线基板上的 24 Vdc I/O 电源段

3   PS2:外部隔离电源 24 Vdc

4   T 型慢断外部熔断器,最大 10 A,250 V

注意: 将 0 Vdc 电源电路连接在一起并连接至您系统的功能性接地 (FE),以满足 EMC 要求。

Danger_Color.gif危险

电击、爆炸、过热和起火危险

o切勿将模块直接连接到线路电压。

o请只使用符合 IEC 61140 标准的绝缘 PELV 系统为模块供电。

o将 0 Vdc 的外部电源连接到 FE(功能性接地)。

不遵循上述说明将导致人员伤亡。

Warning_Color.gif警告

意外的设备操作

请勿将电缆连接至未使用的端子和/或标记为“No Connection (N.C.)”的端子。

不遵循上述说明可能导致人员伤亡或设备损坏。