顶帽型材导轨(DIN 导轨)

顶帽型材导轨(DIN 导轨)的尺寸

您可以将控制器或接收器及其扩展模块安装在 35 毫米(1.38 英寸)顶帽型材导轨(DIN 导轨)上。DIN 导轨可接附到平坦的安装表面,或者悬挂于 EIA 机架或安装在 NEMA 机柜中。

您可以将控制器或接收器及其扩展模块安装在 35 毫米(1.38 英寸)顶帽型材导轨(DIN 导轨)上。DIN 导轨可接附到平坦的安装表面,或者悬挂于 EIA 机架或安装在 NEMA 机柜中。

 

对称式顶帽型材导轨(DIN 导轨)

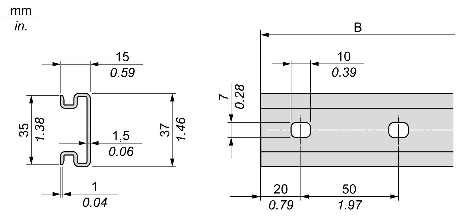
下图和下表显示适用于墙面安装系列的顶帽型材导轨(DIN 导轨)的型号:

G-SE-0025533.1.gif-high.gif

 

 

型号

类型

导轨长度 (B)

NSYSDR50A

A

450 mm(17.71 英寸)

NSYSDR60A

A

550 mm(21.65 英寸)

NSYSDR80A

A

750 mm(29.52 英寸)

NSYSDR100A

A

950 mm(37.40 英寸)

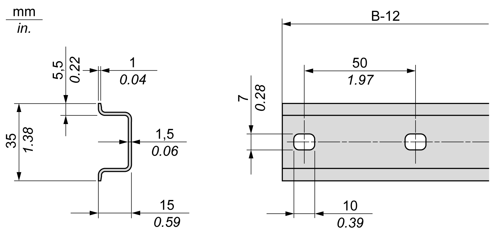
下图和下表显示适用于金属机壳系列的对称式顶帽型材导轨(DIN 导轨)的型号:

G-SE-0025531.1.gif-high.gif

 

 

型号

类型

导轨长度(B-12 mm)

NSYSDR60

A

588 mm(23.15 英寸)

NSYSDR80

A

788 mm(31.02 英寸)

NSYSDR100

A

988 mm(38.89 英寸)

NSYSDR120

A

1188 mm(46.77 英寸)

下图和下表显示 2000 mm(78.74 英寸)对称式顶帽型材导轨(DIN 导轨)的型号:

G-SE-0025529.1.gif-high.gif

 

 

型号

类型

导轨长度

NSYSDR2001

A

2000 mm(78.74 英寸)

NSYSDR200D2

A

1   无孔镀锌钢

2   穿孔镀锌钢

双侧面顶帽型材导轨(DIN 导轨)

下图和下表显示适用于墙面安装系列的双侧面顶帽型材导轨(DIN 导轨)的型号:

G-SE-0025532.1.gif-high.gif

 

 

型号

类型

导轨长度 (B)

NSYDPR25

W

250 mm(9.84 英寸)

NSYDPR35

W

350 mm(13.77 英寸)

NSYDPR45

W

450 mm(17.71 英寸)

NSYDPR55

W

550 mm(21.65 英寸)

NSYDPR65

W

650 mm(25.60 英寸)

NSYDPR75

W

750 mm(29.52 英寸)

下图和下表显示适用于落地式系列的双侧面顶帽型材导轨(DIN 导轨)的型号:

G-SE-0025530.1.gif-high.gif

 

 

型号

类型

导轨长度 (B)

NSYDPR60

F

588 mm(23.15 英寸)

NSYDPR80

F

788 mm(31.02 英寸)

NSYDPR100

F

988 mm(38.89 英寸)

NSYDPR120

F

1188 mm(46.77 英寸)