TM3DM24R/TM3DM24RG 接线图

简介

这些扩展模块具有用于连接输入、输出和电源的内置可插拔螺钉或卡簧端子块。

接线规则

请参阅接线优化方法

接线图

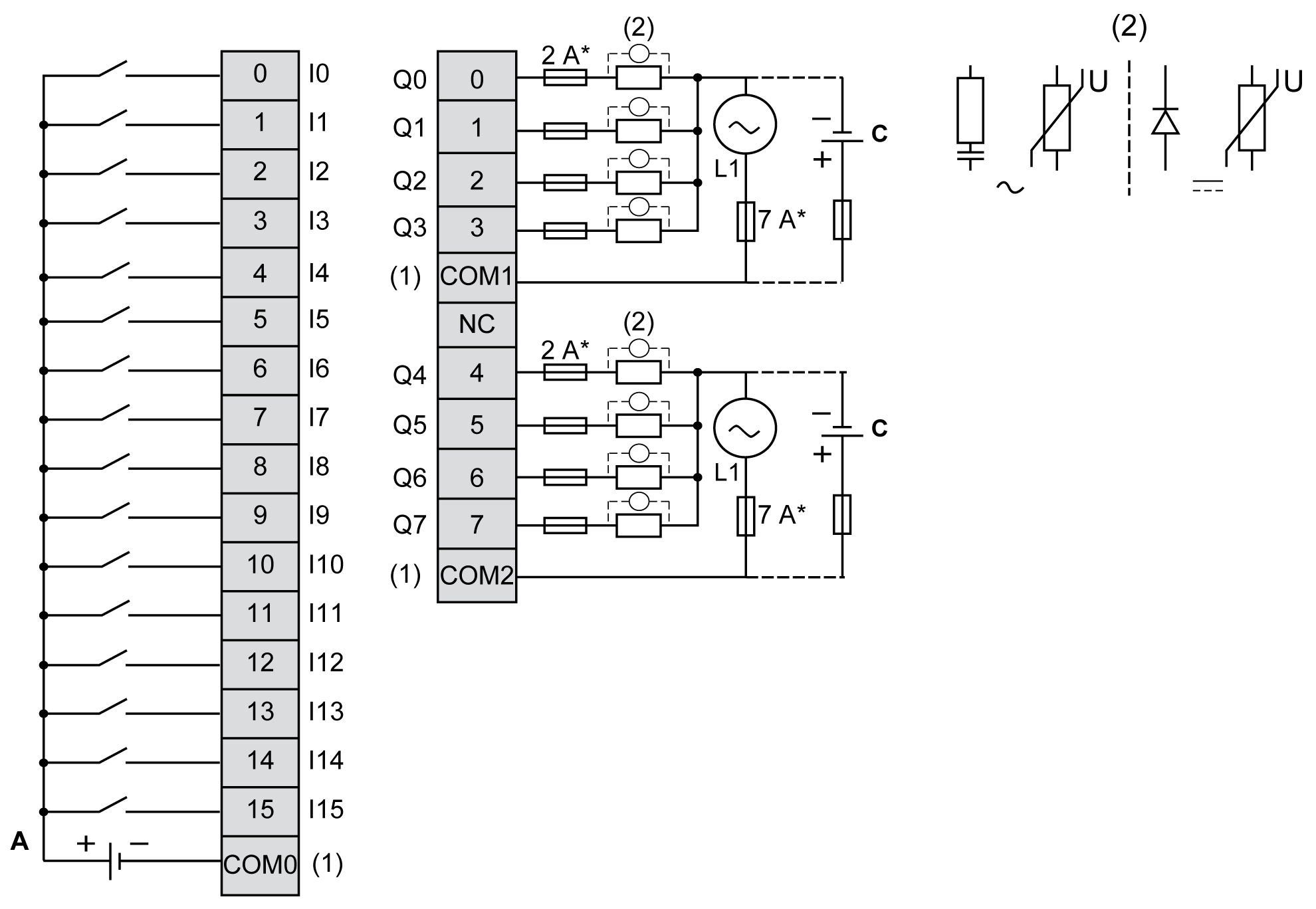
下图说明了输入和输出、传感器和执行器及其正逻辑的公共端之间的连接:

G-SE-0022624.2.gif-high.gif

 

*   T 型熔断器

(1)   COM0、COM1 和 COM2 端子在内部连接。

(2)   为了延长触点的使用寿命,以及防止潜在的电感式负载损坏,您必须将续流二极管并行连接到每个电感式直流负载或将 RC 缓冲器并行连接到每个电感式交流负载或任一种负载的变阻器。

C   源型接线(正逻辑)

注意: 将 TM3 扩展模块与 TM3 以太网总线耦合器一起使用时,必须先将 RC 缓冲器并行连接到每个电感式交流负载。

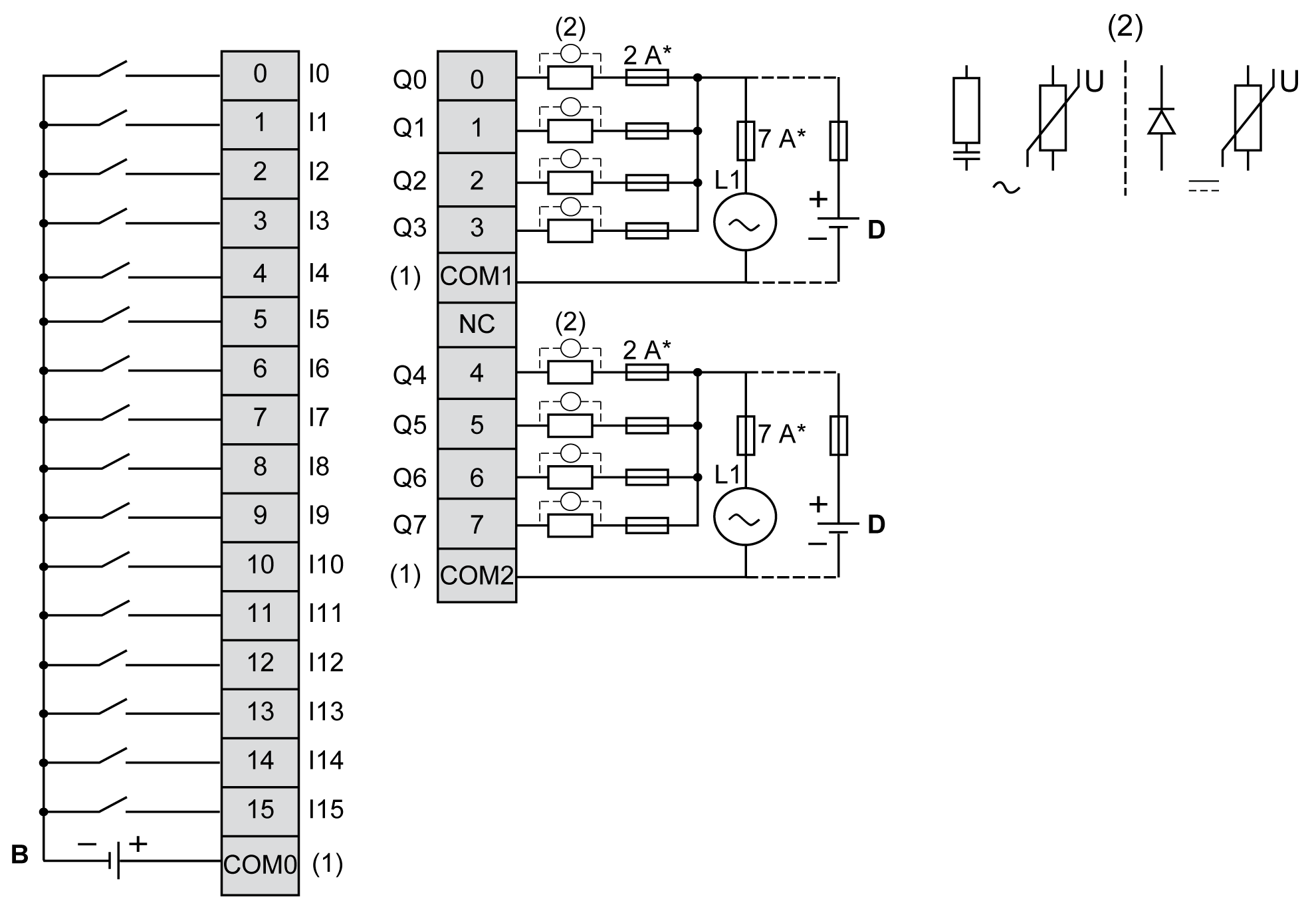
下图说明了输入和输出、传感器和执行器及其负逻辑的公共端之间的连接:

G-SE-0032865.1.gif-high.gif

 

*   T 型熔断器

(1)   COM0、COM1 和 COM2 端子在内部连接。

(2)   为了延长触点的使用寿命,以及防止潜在的电感式负载损坏,您必须将续流二极管并行连接到每个电感式直流负载或将 RC 缓冲器并行连接到每个电感式交流负载或任一种负载的变阻器。

D   漏型接线(负逻辑)

注意: 将 TM3 扩展模块与 TM3 以太网总线耦合器一起使用时,必须先将 RC 缓冲器并行连接到每个电感式交流负载。

有关 24 Vdc 电源的信息,请参阅 DC 电源特征

Warning_Color.gif警告

意外的设备操作

请勿将电缆连接至未使用的端子和/或标记为“No Connection (N.C.)”的端子。

不遵循上述说明可能导致人员伤亡或设备损坏。