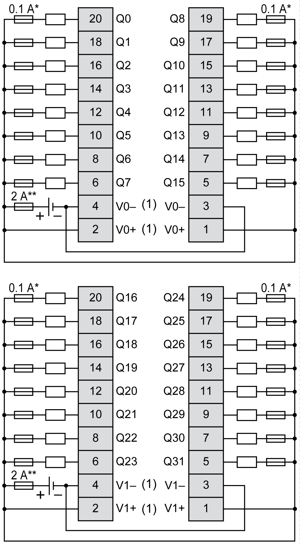
TM3DQ32UK 接线图

简介

这些扩展模块具有两个用于连接输出和电源的内置 HE10 (MIL 20) 连接器。

Telefast 垫板与此模块不兼容。

接线规则

请参阅接线最佳实践

接线图

下图说明了输出、执行器及其公共端之间的连接:

G-SE-0022621.2.gif-high.gif

 

*   T 型熔断器

**   F 类熔断器

(1)   V0+ 端子在内部连接。

    V0- 端子在内部连接。

    V1+ 端子在内部连接。

    V1- 端子在内部连接。

    V0+ 和 V1+ 端子未在内部连接。

    V0- 和 V1- 端子未在内部连接。

有关 24 Vdc 电源的信息,请参阅 DC 电源特征