EcoStruxure Machine Expert 1.1版本不支持M238、M258、LMC058和LMC078控制器。

TM5SAO4L 接线图

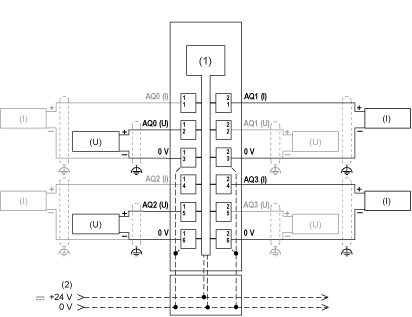
接线图

下图显示了 TM5SAO4L 的接线图:

G-SE-0000782.2.gif

 

(1):   内部电子元件

(2):   集成到总线基板的 24 Vdc I/O 电源段

(I):   电流

(U):   电压

对所有模拟量和高速输入或输出以及通讯连接使用正确接地的屏蔽电缆。如果不对这些连接使用屏蔽电缆,则电磁干扰会减弱信号。信号衰减会导致控制器或连接的模块和设备意外执行。

Warning_Color.gif警告

意外的设备操作

o对所有快速 I/O、模拟量 I/O 和通讯信号使用屏蔽电缆。

o对所有模拟量 I/O、快速 I/O 和通讯信号使用屏蔽电缆进行单点接地1

o将通讯和 I/O 电缆与电源电缆分开布线。

不遵循上述说明可能导致人员伤亡或设备损坏。

1如果连接至等电位接地面,以避免在出现电源系统短路电流时损坏电缆屏蔽层,则允许进行多点接地。

Warning_Color.gif警告

意外的设备操作

请勿将电缆连接至未使用的端子和/或标记为“No Connection (N.C.)”的端子。

不遵循上述说明可能导致人员伤亡或设备损坏。