EcoStruxure Machine Expert 1.1版本不支持M238、M258、LMC058和LMC078控制器。

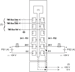
TM5SBER2 接线图

接线图

下图显示了 TM5SBER2 的接线图:

G-SE-0002250.2.gif

 

(1)   内部电子元件

(2)   集成到总线基板的 24 Vdc I/O 电源段

(3)   TM5 扩展总线电缆 (TCSXCNNXNX100)

(4)   PS1/PS2:外部隔离电源 24 Vdc

(5)   外部熔断器(T 类慢断熔断器):最大 10 A,250 V

(6)   外部熔断器(T 类慢断熔断器):1 A,250 V

Warning_Color.gif警告

意外的设备操作

按相关文档的说明使电缆屏蔽层正确接地。

不遵循上述说明可能导致人员伤亡或设备损坏。

Warning_Color.gif警告

意外的设备操作

请勿将电缆连接至未使用的端子和/或标记为“No Connection (N.C.)”的端子。

不遵循上述说明可能导致人员伤亡或设备损坏。