EcoStruxure Machine Expert 1.1版本不支持M238、M258、LMC058和LMC078控制器。

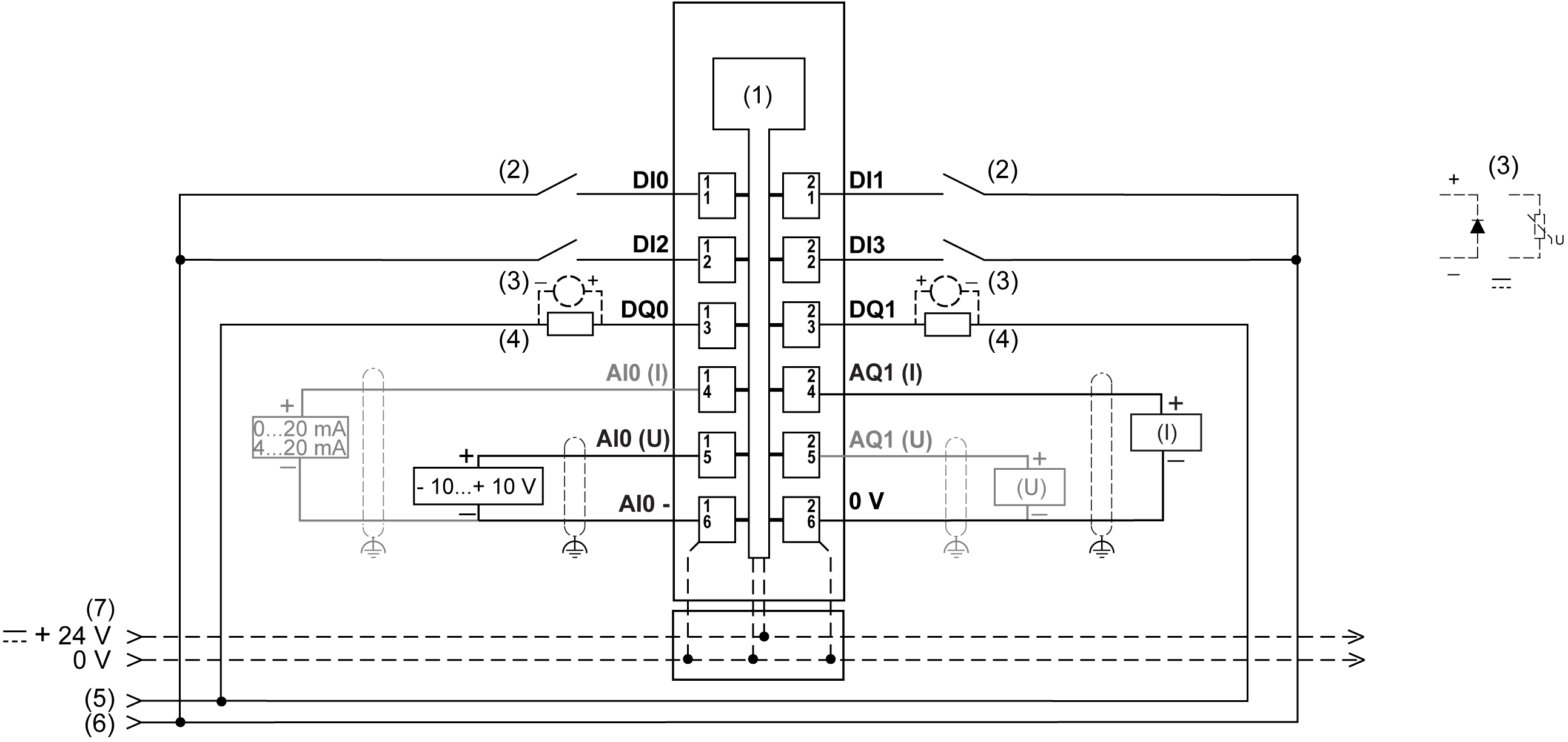
TM5SMM6D2L 接线图

接线图

下图显示了 TM5SMM6D2L 的接线图:

G-SE-0015224.1.gif-high.gif

 

1   内部电子元件

2   2 线传感器

3   电感式负载保护

4   2 线负载

5   0 Vdc I/O 电源段,通过外部连接

6   24 Vdc I/O 电源段,通过外部连接

7   集成到总线基板的 24 Vdc I/O 电源段

I   当前

U   电压

Warning_Color.gif警告

意外的设备操作

请勿将电缆连接至未使用的端子和/或标记为“No Connection (N.C.)”的端子。

不遵循上述说明可能导致人员伤亡或设备损坏。

数字量输入的详细信息

注意: I/O 电子模块和与之连接的现场设备必须全都位于同一 24 Vdc I/O 电源段上。如果没有位于同一电源段上,则状态 LEDs 可能无法正确指示状态。此外,可能还会造成更加严重的后果,如爆炸和/或火灾。

Warning_Color.gif警告

可能存在爆炸或火灾危险

将返回端从设备连接至与服务模块的 24 Vdc I/O 电源段相同的电源。

不遵循上述说明可能导致人员伤亡或设备损坏。

4 路数字量输入 TM5SMM6D2L 电子模块可独立支持 1 线设备。要连接 2 线设备,可添加 TM5SPDD12F 公共配电模块。

模拟量输入的详细信息

对所有模拟量和高速输入或输出以及通讯连接使用正确接地的屏蔽电缆。如果不对这些连接使用屏蔽电缆,则电磁干扰会减弱信号。信号衰减会导致控制器或连接的模块和设备意外执行。

Warning_Color.gif警告

意外的设备操作

o对所有快速 I/O、模拟量 I/O 和通讯信号使用屏蔽电缆。

o对所有模拟量 I/O、快速 I/O 和通讯信号使用屏蔽电缆进行单点接地1

o将通讯和 I/O 电缆与电源电缆分开布线。

不遵循上述说明可能导致人员伤亡或设备损坏。

1如果连接至等电位接地面,以避免在出现电源系统短路电流时损坏电缆屏蔽层,则允许进行多点接地。

注意

设备无法操作

确认模拟电路的物理线路与模拟量通道的软件配置兼容。

不遵循上述说明可能导致设备损坏。

数字量输出的详细信息

注意: I/O 电子模块和与之连接的现场设备必须全都位于同一 24 Vdc I/O 电源段上。如果没有位于同一电源段上,则状态 LEDs 可能无法正确指示状态。此外,可能还会造成更加严重的后果,如爆炸和/或火灾。

Warning_Color.gif警告

可能存在爆炸或火灾危险

将返回端从设备连接至与服务模块的 24 Vdc I/O 电源段相同的电源。

不遵循上述说明可能导致人员伤亡或设备损坏。

2 路数字量输入 TM5SMM6D2L 电子模块可独立支持 1 线设备。要连接 2 线设备,可添加 TM5SPDG12F 公共配电模块。

模拟量输出的详细信息

对所有模拟量和高速输入或输出以及通讯连接使用正确接地的屏蔽电缆。如果不对这些连接使用屏蔽电缆,则电磁干扰会减弱信号。信号衰减会导致控制器或连接的模块和设备意外执行。

Warning_Color.gif警告

意外的设备操作

o对所有快速 I/O、模拟量 I/O 和通讯信号使用屏蔽电缆。

o对所有模拟量 I/O、快速 I/O 和通讯信号使用屏蔽电缆进行单点接地1

o将通讯和 I/O 电缆与电源电缆分开布线。

不遵循上述说明可能导致人员伤亡或设备损坏。

1如果连接至等电位接地面,以避免在出现电源系统短路电流时损坏电缆屏蔽层,则允许进行多点接地。

注意

设备无法操作

确认模拟电路的物理线路与模拟量通道的软件配置兼容。

不遵循上述说明可能导致设备损坏。