EcoStruxure Machine Expert 1.1版本不支持M238、M258、LMC058和LMC078控制器。

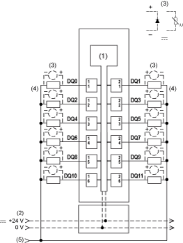
TM5SDO12T 接线图

接线图

下图显示了 TM5SDO12T 的接线图:

G-SE-0001911.3.gif

 

1   内部电子元件

2   集成到总线基板的 24 Vdc I/O 电源段

3   电感式负载保护

4   2 线负载

5   0 Vdc I/O 电源段,通过外部连接

注意: I/O 电子模块和与之连接的现场设备必须全都位于同一 24 Vdc I/O 电源段上。如果没有位于同一电源段上,则状态 LEDs 可能无法正确指示状态。此外,可能还会造成更加严重的后果,如爆炸和/或火灾。

Warning_Color.gif警告

可能存在爆炸或火灾危险

将返回端从设备连接至与服务模块的 24 Vdc I/O 电源段相同的电源。

不遵循上述说明可能导致人员伤亡或设备损坏。

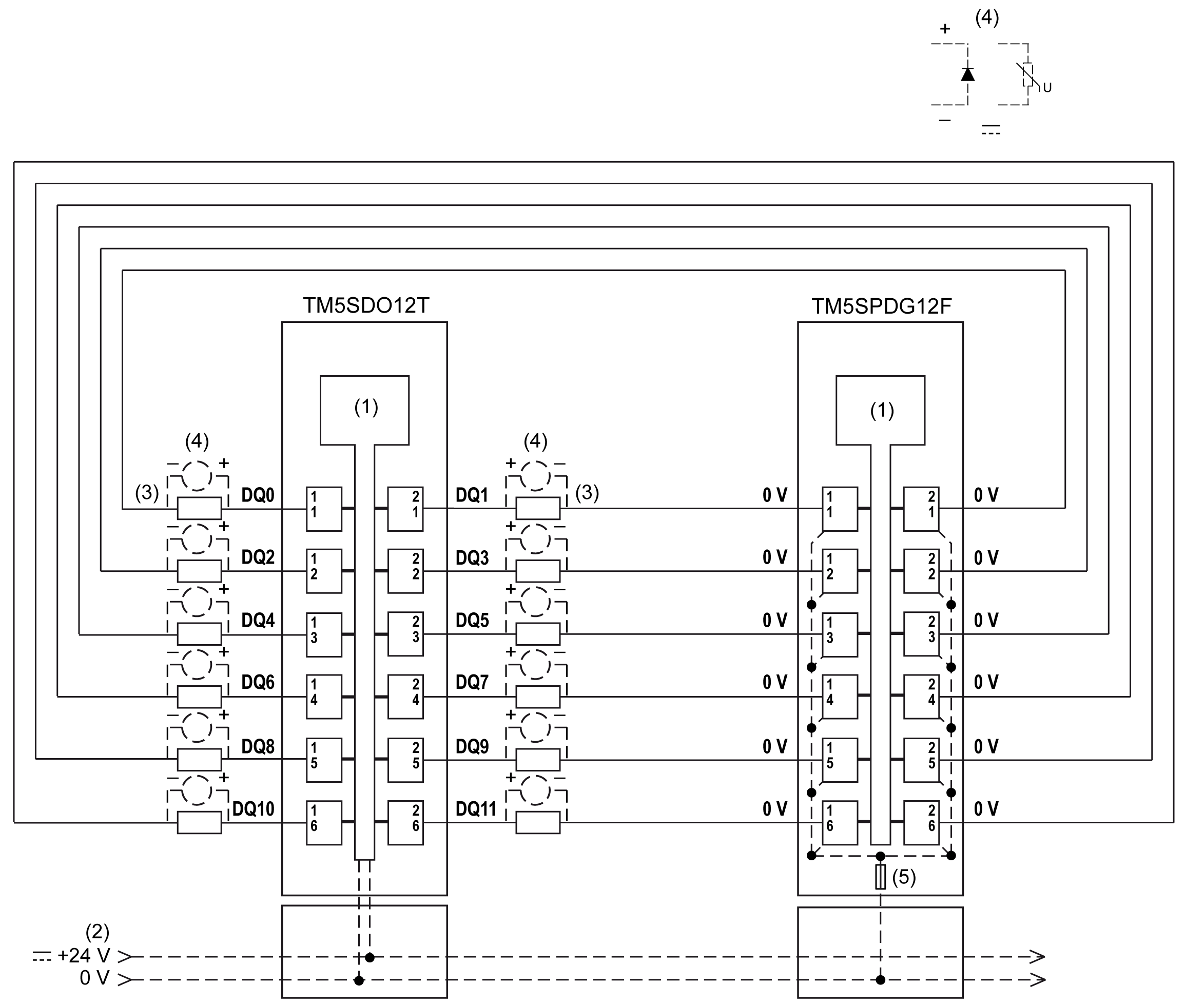
12 路输入 TM5SDO12T 电子模块可独立支持 1 线设备。要连接 2 线设备,可添加 TM5SPDG12F 公共配电模块。

下图显示了 TM5SPDG12F 和 TM5SDO12T 的接线图:

G-SE-0003446.2.gif-high.gif

 

1   内部电子元件

2   集成到总线基板的 24 Vdc I/O 电源段

3   2 线负载

4   电感式负载保护

5   集成的可更换类型 T 慢断熔断器 6.3 A 250 V

Warning_Color.gif警告

意外的设备操作

请勿将电缆连接至未使用的端子和/或标记为“No Connection (N.C.)”的端子。

不遵循上述说明可能导致人员伤亡或设备损坏。