EcoStruxure Machine Expert 1.1版本不支持M238、M258、LMC058和LMC078控制器。

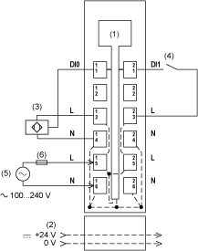
TM5SDI2A 接线图

接线图

下图显示了 TM5SDI2A 的接线图:

G-SE-0001894.2.gif

 

1   内部电子元件

2   集成到总线基板的 24 Vdc I/O 电源段

3   3 线传感器

4   2 线传感器

5   外部电源:100 到 240 Vac

6   外部熔断器类型 T 慢断熔断器 1 A 250 V

Warning_Color.gif警告

意外的设备操作

请勿将电缆连接至未使用的端子和/或标记为“No Connection (N.C.)”的端子。

不遵循上述说明可能导致人员伤亡或设备损坏。

Warning_Color.gif警告

意外的设备操作

仅将传感器和执行器电源用于为连接到模块的传感器或执行器供电。

不遵循上述说明可能导致人员伤亡或设备损坏。