EcoStruxure Machine Expert 1.1版本不支持M238、M258、LMC058和LMC078控制器。

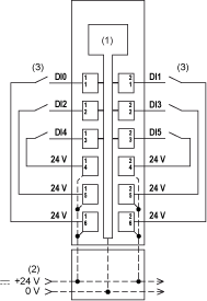
TM5SDI6D 接线图

接线图

下图显示了 TM5SDI6D 的接线图:

G-SE-0001898.3.gif

 

1   内部电子元件

2   集成到总线基板的 24 Vdc I/O 电源段

3   2 线传感器

6 路输入 TM5SDI6D 电子模块可独立支持 2 线设备。要连接 3 线电子传感器,可添加 TM5SPDG6D6F 公共配电模块。

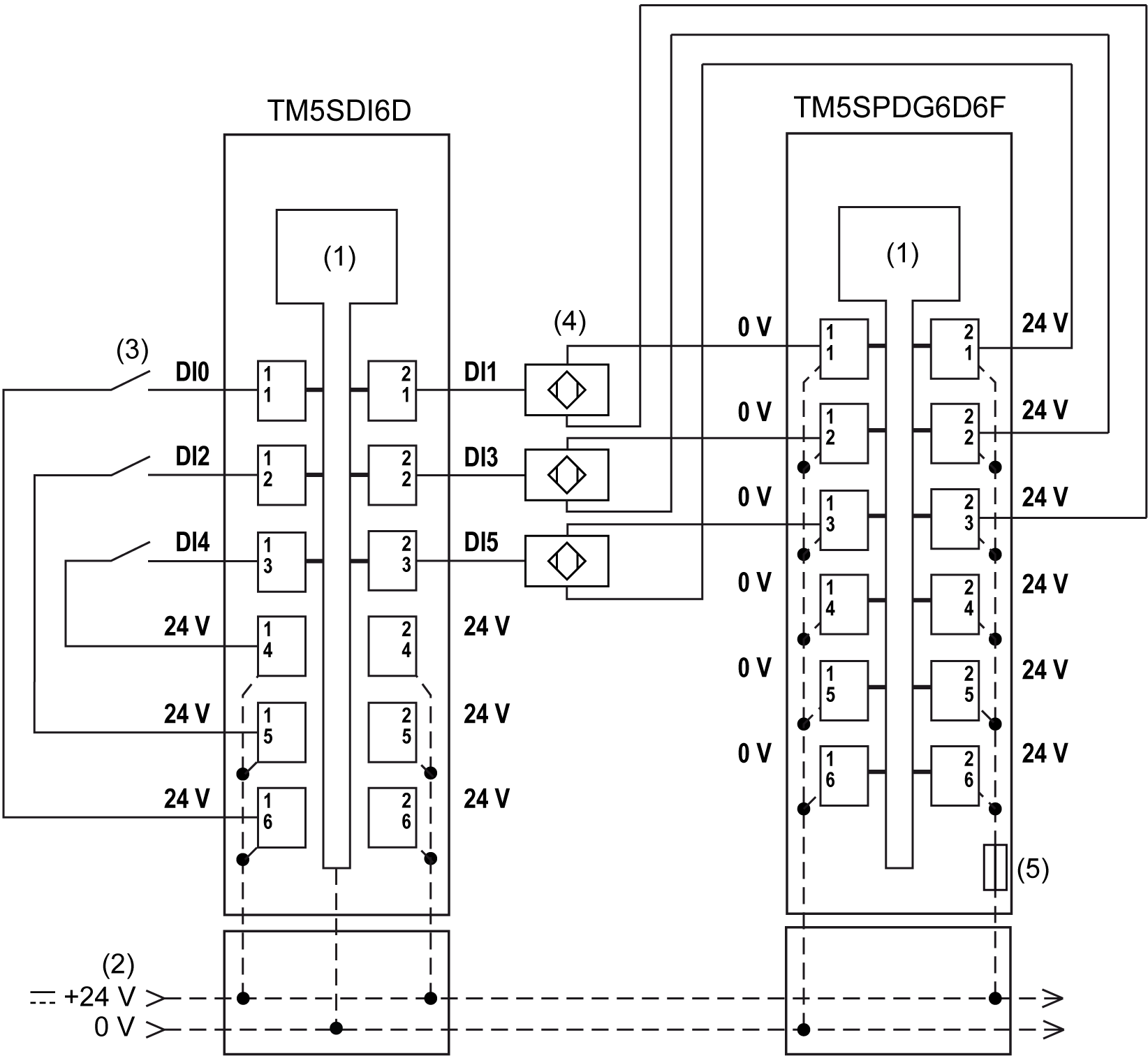
下图显示了 TM5SPDG6D6F 和 TM5SDI6D 的接线图:

G-SE-0003666.2.gif-high.gif

 

1   内部电子元件

2   集成到总线基板的 24 Vdc I/O 电源段

3   2 线传感器

4   3 线传感器

5   集成的可更换类型 T 慢断熔断器 6.3 A 250 V

Warning_Color.gif警告

意外的设备操作

请勿将电缆连接至未使用的端子和/或标记为“No Connection (N.C.)”的端子。

不遵循上述说明可能导致人员伤亡或设备损坏。