EcoStruxure Machine Expert 1.1版本不支持M238、M258、LMC058和LMC078控制器。

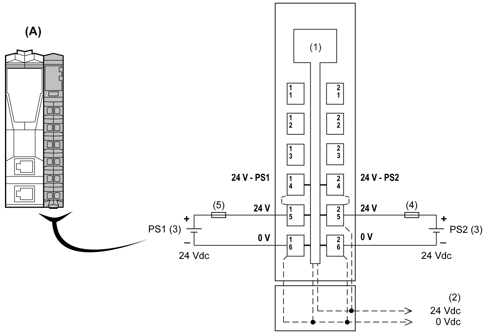
TM5SPS3 接线图

接线图

下图显示了 TM5SPS3 接口配电模块的接线图:

G-SE-0036013.1.gif-high.gif

 

(A)   接口配电模块 (IPDM)

(1)   内部电子元件

(2)   集成到总线基板的 24 Vdc I/O 电源段

(3)   PS1/PS2:外部隔离电源 24 Vdc

(4)   外部熔断器,类型 T 慢断熔断器,10 A(最大值),250 V

(5)   外部熔断器,类型 T 慢断熔断器,1 A 250 V

Warning_Color.gif警告

过热和火灾隐患

o切勿将模块直接连接到线路电压。

o请只使用符合 IEC 61140 标准的绝缘 PELV 系统为模块供电。

不遵循上述说明可能导致人员伤亡或设备损坏。

Warning_Color.gif警告

意外的设备操作

请勿将电缆连接至未使用的端子和/或标记为“No Connection (N.C.)”的端子。

不遵循上述说明可能导致人员伤亡或设备损坏。