Verwendung von FB_Watch

Maschinenverdrahtung

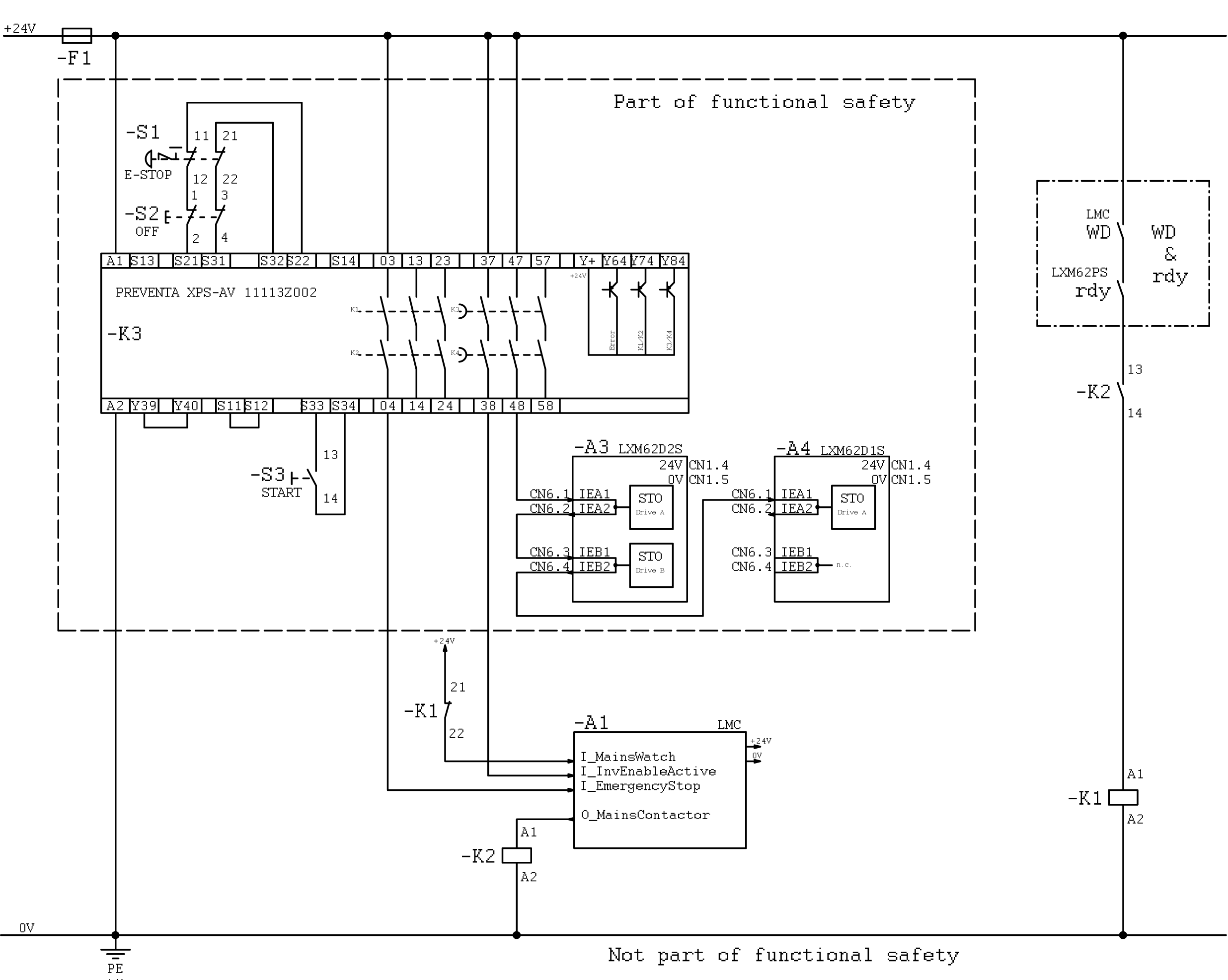
Der Sicherheitsschaltkreis entspricht der vor zuständigen deutschen Berufsgenossenschaft vorgeschriebenen Schaltung. Die PacDrive-Steuerung verwendet diesen zur Überwachung der Netzspannung. Wird der Not-Aus-Schalter betätigt, so regelt die Steuerung das sichere Stillsetzen der Achsen ohne Netztrennung und schaltet ein Hilfrelais (-K2). Über dessen Kontakte wird eine Einschaltbedingung für das Netzschütz (K1) realisiert.

G-SE-0068655.1.gif-high.gif

 

 

Der PacDrive-Steuerung wird, an jeweils drei digitalen Eingängen, das Signal eines Öffnerkon­taktes übergeben. Diese Signale sind:

- der Zustand des Netzschützes (hier I_MainsWatch),

- der Zustand der Not-Aus-Schalters (hier I_EmergencyStop) und

- der Zustand der zeitverzögerten Not-Aus-Schaltung (hier I_InvEnableActive), der die Antriebe stillsetzt.

Von einem dititalen Ausgang der PacDrive-Steuerung (hier O_MainsContactor) wird ein Hilfsrelais -K2 geschaltet, das in Verbindung mit dem WatchDog-Signal der Steuerung und dem Ready-Signalen der Antriebe das Netzschütz (-K1) schaltet.

Programmierung

Das Rückgabesignal I_MainsWatch des Netzschützes wird mit dem Eingang i_xMainsWatch des Funktionsbausteins FB_Watch verknüpft.

Der digitale Ausgang O_MainsContactor wird mit dem Ausgang q_xMainsContactor des FB_Watch verknüpft.

Der Eingang I_InvEnable wird mittels des Funktionsbausteins FB_InverterEnableDiag mit dem InverterEnable-Signal der Achsen geprüft. Das Ergebnis wird dem Eingang i_xMainsOff des FB_Watch übergeben.

Die Ausgänge q_xMasterStop, q_xMasterQStop und q_xSlaveStop des FB_Watch werden mit den Steuersignalen der Master- und Slaveachsen der Maschine verknüpft.

Die Maschine kann dann über die Eingänge i_xAlarmClass1 bis i_xAlarmClass3 des FB_Watch angehalten werden.

G-SE-0068656.1.gif-high.gif

 

 

HINWEIS: Das hier gezeigte Programmbeispiel dient lediglich zur Veranschaulichung der Verwendung des Funktionsbausteins FB_Watch und ist nicht für einen direkten Einsatz in Produktionsmaschinen geeignet. Es enthält keine Logik zur Quittierung von Alarmen oder zur Steuerung der Maschine, wie das für physische Maschinen üblich ist.

Alarmklassen

Durch die Eingänge i_xAlarmClass1 bis i_xAlarmClass3 lassen sich die drei nachstehenden Maschinenreaktionen realisieren.

Die Alarmklasse 1 besitzt die höchste Priorität, gefolgt von den Klassen 2 und 3. Das bedeutet, dass die Ausführung eines Alarms durch einen höher priorisierten Alarm abgelöst werden kann.

i_xAlarmClass1:

oalle Achsen werden bestmöglichst stillgesetzt,

odie Antriebe bleiben asynchron zueinander stehen,

oq_xAxisEnable wird abgeschaltet,

odas Netzschütz fällt bei Verwendung der Sicherheitsverdrahtung nicht ab.

G-SE-0068657.1.gif-high.gif

 

 

i_xAlarmClass2:

odie Masterachse wird sofort gestoppt,

odie Slaveachsen werden synchron mit der Masterachse gestoppt,

oq_xAxisEnable wird abgeschaltet,

odas Netzschütz fällt bei Verwendung der Sicherheitsverdrahtung nicht ab.

G-SE-0068658.1.gif-high.gif

 

 

i_xAlarmClass3:

odie Masterachse wird am Taktende gestoppt,

odie Slaveachsen werden synchron mit der Masterachse gestoppt,

oq_xAxisEnable wird nicht abgeschaltet,

odas Netzschütz fällt bei Verwendung der Sicherheitsverdrahtung nicht ab.

G-SE-0068659.1.gif-high.gif