Beschreibung des RS-232-, RS-422/485-Schnittstellenmoduls
Die Baureihe HMIYMINSL stellt Kommunikationsmodule bereit. Sie sind alle mit mini-PCIe-Karten kompatibel, einschließlich potentialgetrennter / nicht-potentialgetrennter RS-232, RS-422/485-Kommunikationskarten für die Automationssteuerung.
Die nachstehende Abbildung zeigt das RS-232-, RS-422/485-Schnittstellenmodul:
1 2 x RS-232-, RS-422/485-Schnittstelle
2 4 x RS-232-, RS-422/485-Schnittstelle
3 1 x Schnittstellenkabel
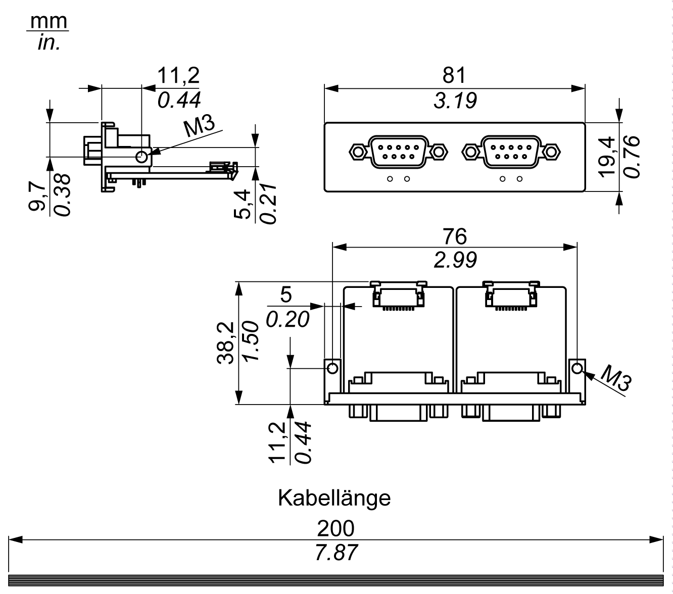
Die nachstehende Abbildung zeigt die Abmessungen des 2 x RS-232-, RS-422/485-Schnittstellenmoduls:
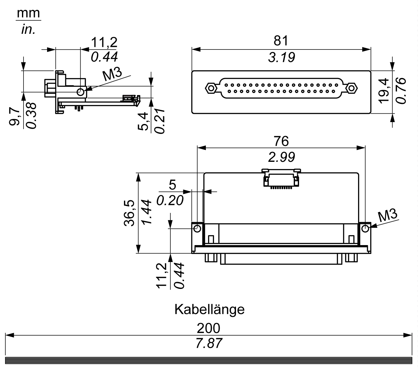
Die nachstehende Abbildung zeigt die Abmessungen des 4 x RS-232-, RS-422/485-Schnittstellenmoduls:
Die nachstehende Tabelle enthält die technischen Kenndaten für die seriellen Schnittstellen:
|
Element |
Merkmale |
|||
|---|---|---|---|---|
|
Teilenummer |
HMIYMINSL24851 |
HMIYMINSL22321 |
HMIYMINSL44851 |
HMIYMINSL42321 |
|
Allgemein |
||||
|
Bustyp |
mini-PCIe-Karte, Version 1.2 |
|||
|
Typ |
2 x RS-422/485, elektrisch isoliert |
2 x RS-232, elektrisch isoliert |
4 x RS-422/485, nicht elektrisch isoliert |
4 x RS-232, nicht elektrisch isoliert |
|
Anschlüsse |
2 x 9-poliger D-Sub-Stecker |
1 x 37-polige D-Sub-Buchse |
||
|
Leistungsaufnahme |
3,3 VDC bei 400 mA |
3c3 VDC bei 500 mA |
||
|
Kommunikation |
||||
|
Datenbits |
5, 6, 7, 8 |
|||
|
FIFO |
128 Bytes |
|||
|
Datenflusssteuerung |
RTS/CTS Xon/Xoff |
RTS/CTS (nicht unterstützt) Xon/Xoff |
RTS/CTS Xon/Xoff |
|
|
Parität |
Ohne, Gerade, Ungerade, Mark und Space |
|||
|
Geschwindigkeit |
50 Bit/s bis 921,6 kBit/s |
50 Bit/s bis 230,4 kBit/s |
50 Bit/s bis 921,6 kBit/s |
50 Bit/s bis 230,4 kBit/s |
|
Stoppbits |
1, 1,5, 2 |
|||
|
Übertragungsgeschwindigkeit |
||||
|
Übertragungsgeschwindigkeit RS-232 |
Max. 115 kBit/s bei einer Kabellänge ≤ 10 m Max. 64 kBit/s bei einer Kabellänge ≤ 15 m |
|||
|
Übertragungsgeschwindigkeit RS-422/485 |
Max. 115 kBit/s bei einer Kabellänge ≤ 1200 m |
|||
Die nachstehende Tabelle enthält die technischen Kenndaten für die seriellen Schnittstellenkabel:
|
Element |
Merkmale |
|
|---|---|---|
|
Signalleitungen |
Kabelquerschnitt RS-232 Kabelquerschnitt RS-422 Kabelquerschnitt RS-485 Leiterisolation Leiterwiderstand Verdrillung Schirmung |
4 x 0,16 mm² (26 AWG), verzinnter Kupferdraht 4 x 0,25 mm² (24 AWG), verzinnter Kupferdraht 4 x 0,25 mm² (24 AWG), verzinnter Kupferdraht Schutzerde ≤ 82 Ω/km Paarweise verdrillte Leiter Paarweise Schirmung mit Aluminiumfolie |
|
Erdleitung |
Kabelquerschnitt Leiterisolation Leiterwiderstand |
1 x 0,34 mm² (22 AWG/19), verzinnter Kupferdraht Schutzerde ≤ 59 Ω/km |
|
Außenschirmung |
Material Merkmale Kabelschirmung |
PUR-Mischung Halogenfrei Von verzinnten Kupferleitern |
Serielle Schnittstellenanschlüsse
Diese Schnittstelle wird verwendet, um den S-Panel PC über ein Kabel mit dezentralen Geräten zu verbinden. Der verwendete Steckverbinder ist ein 9-poliger D-Sub-Stecker.
Bei Verwendung eines langen SPS-Kabels zum Anschluss des S-Panel PC weist das Kabel möglicherweise andere elektrische Potenziale als der Panel PC auf, auch wenn beide geerdet sind.
Die SG- (Signalerde) und die FG-Klemme (Funktionserde) des nicht potentialgetrennten seriellen Anschlusses sind im Panel verbunden.
|
|
|
ELEKTRISCHER SCHLAG |
|
oSorgen Sie für einen direkten Anschluss zwischen der Erdungsanschluss-Schraube und der Erde. oErden Sie keine anderen Geräte über die Erdungsanschluss-Schraube dieses Geräts. oInstallieren Sie alle Kabel gemäß den örtlichen bzw. nationalen Sicherheitsvorschriften und -bestimmungen. Erfordern die örtlichen Sicherheitsvorschriften keine Erdung, befolgen Sie einen zuverlässigen Leitfaden wie den US National Electrical Code, Artikel 800. |
|
Die Nichtbeachtung dieser Anweisungen führt zu Tod oder schweren Verletzungen. |
Die nachstehende Tabelle zeigt die Pinbelegung des 9-poligen D-Sub-Anschlusses:
|
Pin |
Belegung |
||
|---|---|---|---|
|
RS-232 |
RS-422/485 |
|
|
|
1 |
DCD |
TxD-/Data- |
9-poliger D-Sub-Steckverbinder:
|
|
2 |
RxD |
TxD+/Data+ |
|
|
3 |
TxD |
RxD+ |
|
|
4 |
DTR |
RxD- |
|
|
5 |
GND |
GND/VEE |
|
|
6 |
DSR |
RTS- |
|
|
7 |
RTS |
RTS+ |
|
|
8 |
CTS |
CTS+ |
|
|
9 |
RI |
CTS- |
|
Die nachstehende Tabelle zeigt die Pinbelegung des 37-poligen D-Sub-Anschlusses:
|
Pin |
Belegung |
||
|---|---|---|---|
|
RS-232 |
RS-422/485 |
|
|
|
1 |
N.C. |
N.C. |
37-polige D-Sub-Steckbuchse:
|
|
2 |
DCD3 |
TxD3-/Data3- |
|
|
3 |
GND |
GND/VEE3 |
|
|
4 |
CTS3 |
N.C. |
|
|
5 |
RxD3 |
TxD3/Data3 |
|
|
6 |
RI4 |
N.C. |
|
|
7 |
DTR4 |
RxD4- |
|
|
8 |
DSR4 |
N.C. |
|
|
9 |
RTS4 |
N.C. |
|
|
10 |
TxD4 |
RxD4 |
|
|
11 |
DCD2 |
TxD2-/Data2- |
|
|
12 |
GND |
GND |
|
|
13 |
CTS2 |
N.C. |
|
|
14 |
RxD2 |
TxD2/Data2 |
|
|
15 |
RI1 |
N.C. |
|
|
16 |
DTR1 |
RxD1- |
|
|
17 |
DSR1 |
N.C. |
|
|
18 |
RTS1 |
N.C. |
|
|
19 |
TxD1 |
RxD1 |
|
|
20 |
RI3 |
N.C. |
|
|
21 |
DTR3 |
RxD3- |
|
|
22 |
DSR3 |
N.C. |
|
|
23 |
RTS3 |
N.C. |
|
|
24 |
TxD3 |
RXD3 |
|
|
25 |
DCD4 |
TxD4-/Data4- |
|
|
26 |
GND |
GND/VEE4 |
|
|
27 |
CTS4 |
N.C. |
|
|
28 |
RxD4 |
TxD4/Data4+ |
|
|
29 |
RI2 |
N.C. |
|
|
30 |
DTR2 |
RxD2- |
|
|
31 |
DSR2 |
N.C. |
|
|
32 |
RTS2 |
N.C. |
|
|
33 |
TxD2 |
RxD2 |
|
|
34 |
DCD1 |
TxD1-/Data1- |
|
|
35 |
GND |
GND/VEE1 |
|
|
36 |
CTS1 |
N.C. |
|
|
37 |
RxD1 |
TxD1/Data1+ |
|
Sind Kommunikationskabel extrem hohen Gewichten oder Belastungen ausgesetzt, könnten hierdurch Geräte getrennt werden.
|
|
|
LEISTUNGSVERLUST |
|
oStellen Sie sicher, dass die Kommunikationsverbindungen die Kommunikationsports des Magelis Industrial PC nicht übermäßig belasten. oBefestigen Sie die Kommunikationskabel sicher am Bedienpult oder am Schaltschrank. oVerwenden Sie ausschließlich 9-polige D-Sub-Kabel mit einem Verriegelungssystem in einwandfreiem Zustand. |
|
Die Nichtbeachtung dieser Anweisungen kann Verletzungen oder Sachschäden zur Folge haben. |
Besonderheiten der RS-485-Schnittstelle
HINWEIS: Alle Pins der RS-422-Standardschnittstelle sollten für den Betrieb verwendet werden.
Die RTS-Leitung muss beim jedem Senden und Empfang des Treibers umgeschaltet werden. Es ist keine automatische Rückschaltung verfügbar. Das kann in Windows nicht konfiguriert werden.
Der durch besondere Leitungslängen hervorgerufene Spannungsabfall kann zu größeren Potentialdifferenzen zwischen Busstationen führen und dadurch die Kommunikation beeinträchtigen. Sie können die Kommunikation durch die Verlegung einer Erdleitung mit den anderen Leitern verbessern.
HINWEIS: Bei Verwendung der RS-422/485-Kommunikation mit SPS muss unter Umständen die Übertragungsgeschwindigkeit reduziert und die TX-Wartezeit erhöht werden.
|
Teilenummer |
Beschreibung |
S-Panel PC |
Enclosed PC |
|---|---|---|---|
|
HMIYMINSL24851 |
Schnittstelle 2 x RS-422/485, potentialgetrennt |
Ja |
Nicht zutreffend |
|
HMIYMINSL44851 |
Schnittstelle 4 x RS-422/485, potentialgetrennt, DB 37, Kabel |
Ja |
|
|
HMIYMINSL22321 |
Schnittstelle 2 x RS-232, potentialgetrennt |
Ja |
|
|
HMIYMINSL42321 |
Schnittstelle 4 x RS-232, potentialgetrennt, DB 37, Kabel |
Ja |
S-Panel PC und HMIYMINSL42321:
S-Panel PC und HMIYMINSL22321:
S-Panel PC und HMIYMINSL44851:
S-Panel PC und HMIYMINSL24851:
Gerätemanager und Hardwareinstallation
Installieren Sie den Treiber, bevor Sie die Schnittstelle im S-Panel PC installieren. Der Datenträger für die Treiberinstallation ist im Lieferpaket enthalten. Nach der Installation der Schnittstelle können Sie mithilfe des Gerätemanagers sicherstellen, dass die Schnittstelle im System ordnungsgemäß installiert ist.