The analog AI4LE electronic module is equipped with 4 12-bit inputs.
|
|
|
FIRE HAZARD |
|
oUse only the correct wire sizes for the maximum current capacity of the I/O channels and power supplies. oFor relay output (2 A) wiring, use conductors of at least 0.5 mm2 (AWG 20) with a temperature rating of at least 80 °C (176 °F). oFor common conductors of relay output wiring (7 A), or relay output wiring greater than 2 A, use conductors of at least 1.0 mm2 (AWG 16) with a temperature rating of at least 80 °C (176 °F). |
|
Failure to follow these instructions will result in death or serious injury. |
|
|
|
UNINTENDED EQUIPMENT OPERATION |
|
Do not exceed any of the rated values specified in the environmental and electrical characteristics tables. |
|
Failure to follow these instructions can result in death, serious injury, or equipment damage. |
The following table describes the characteristics of theAI4LE electronic module:
|
Characteristic |
Voltage input |
Current input |
|
|---|---|---|---|
|
Number of input channels |
4 |
||
|
Input range |
-10... +10 Vdc |
0...20 mA / 4...20 mA |
|
|
Input impedance |
20 MΩ min. |
- |
|
|
Load impedance |
- |
400 Ω max. |
|
|
Sample duration time |
400 µs for all inputs without filtering 1 ms for all inputs with filtering |
||
|
Input type |
Differential |
||
|
Conversion mode |
Successive Approximative Register |
||
|
Input filter |
Low pass 3rd order / cut-off frequency 1 kHz |
||
|
Input tolerance - maximum deviation at ambient 25° C (77°F) |
< 0.08% of the measurement |
< 0.08% of the measurement |
|
|
Input tolerance - temperature drift |
0.006% / °C of the measurement |
0.009% / °C of the measurement |
|
|
Input tolerance - non linearity |
< 0.025% of the full scale (20 V) |
< 0.05% of the full scale (20 mA) |
|
|
Digital resolution |
12 bit + sign |
12 bit |
|
|
Resolution value |
2.441 mV |
4.883 µA |
|
|
Common mode rejection |
DC |
70 dB min. |
|
|
50 Hz |
70 dB min. |
||
|
Cable type |
Shielded cable required |
||
|
Crosstalk rejection between channels |
70 dB min. |
||
|
Isolation between channels |
Not isolated |
||
|
Isolation between channels and bus |
See note 1. |
||
|
Permitted input signal |
±30 Vdc max. |
±50 mA max. |
|
|
Input protection |
Protection against wiring with 24 Vdc supply voltage |
||
|
Common mode voltage allowable between channels |
±12 Vdc max. |
||
|
24 Vdc I/O power segment current draw |
48 mA |
||
1 The isolation of the electronic module is 500 Vac RMS between the electronics powered by TM5 power bus and the part powered by 24 Vdc I/O power segment connected to the module. In practice, the TM5 electronic module is installed in the bus base, and there is a bridge between TM5 power bus and 24 Vdc I/O power segment. The two power circuits reference the same functional ground (FE) through specific components designed to reduce effects of electromagnetic interference. These components are rated at 30 Vdc or 60 Vdc. This effectively reduces isolation of the entire system from the 500 Vac RMS.
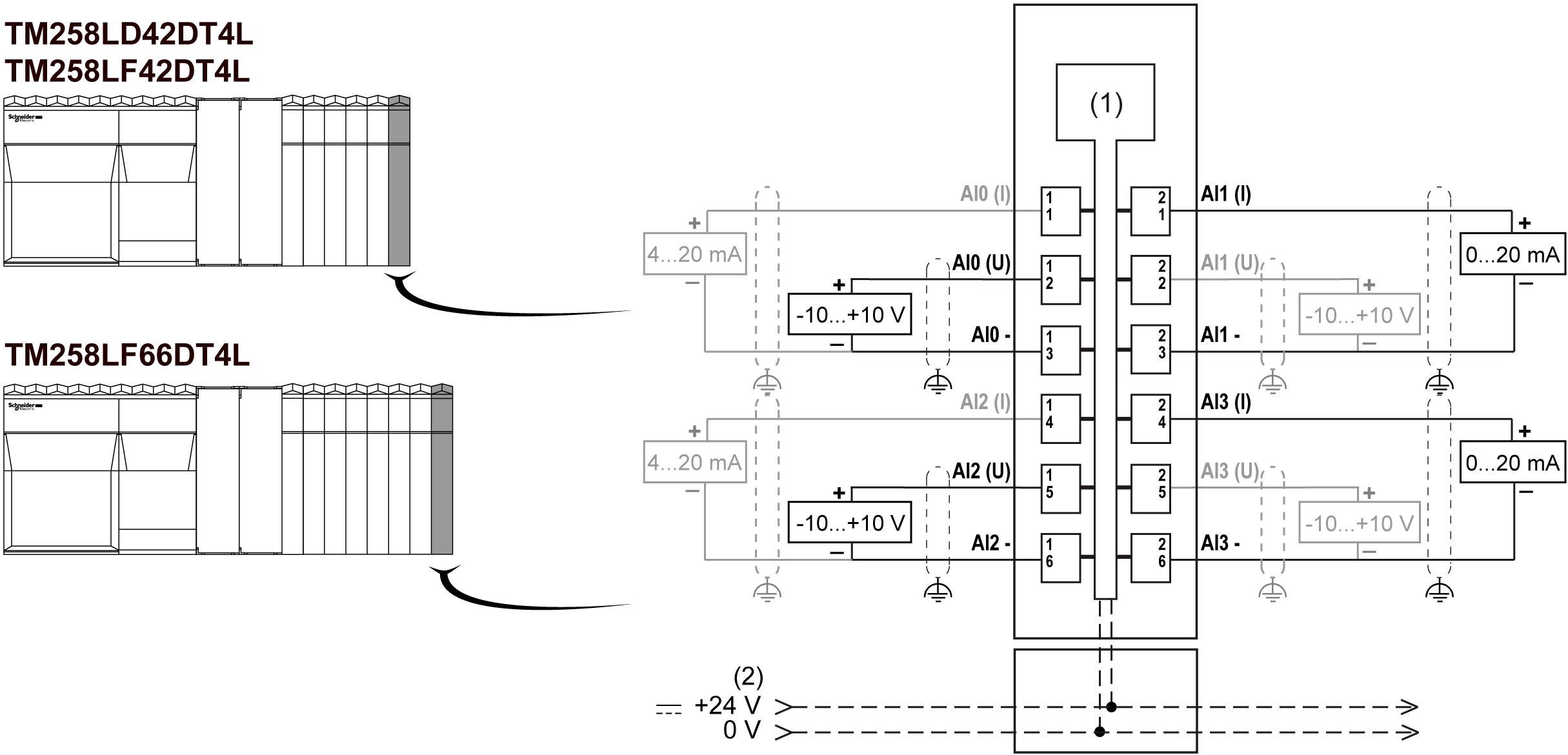
The following illustration shows the wiring diagram of theAI4LE:
1 Internal electronics
2 24 Vdc I/O power segment integrated into the bus bases
I Current
U Voltage
|
|
|
UNINTENDED EQUIPMENT OPERATION |
|
oUse shielded cables for all fast I/O, analog I/O, and communication signals. oGround cable shields for all fast I/O, analog I/O, and communication signals at a single point1. oRoute communications and I/O cables separately from power cables. |
|
Failure to follow these instructions can result in death, serious injury, or equipment damage. |
1Multipoint grounding is permissible (and in some cases inevitable) if connections are made to an equipotential ground plane dimensioned to help avoid cable shield damage in the event of power system short-circuit currents.
For more information, refer to the TM5 System Wiring Rules and Recommendation.
|
|
|
UNINTENDED EQUIPMENT OPERATION |
|
Do not connect wires to unused terminals and/or terminals indicated as “No Connection (N.C.)”. |
|
Failure to follow these instructions can result in death, serious injury, or equipment damage. |
If you have physically wired the analog channel for a voltage signal and you configure the channel for a current signal in EcoStruxure Machine Expert, you may damage the analog circuit.
The following illustration shows LEDs for AI4LE:
The following table describes the AI4LE status LEDs:
|
LEDs |
Color |
Status |
Description |
|---|---|---|---|
|
r |
Green |
Off |
No power supply |
|
Single Flash |
Reset mode |
||
|
Flashing |
Preoperational mode |
||
|
On |
Normal operation |
||
|
e |
Red |
Off |
OK or no power supply |
|
On |
Detected error or reset state |
||
|
Double Flash |
System detected error: oScan time overrun oSynchronization detected error |
||
|
0-3 |
Green |
Off |
Open connection or sensor is disconnected |
|
On |
The analog/digital converter is running, value is available |