Características de TM3SAF5R/TM3SAF5RG
En esta sección se ofrece una descripción de las características de los módulos de seguridad TM3SAF5R/TM3SAF5RG.
Consulte también las Características ambientales.
|
|
|
FUNCIONAMIENTO IMPREVISTO DEL EQUIPO |
|
No supere ninguno de los valores nominales que se especifican en las tablas de características medioambientales y eléctricas. |
|
El incumplimiento de estas instrucciones puede causar la muerte, lesiones serias o daño al equipo. |
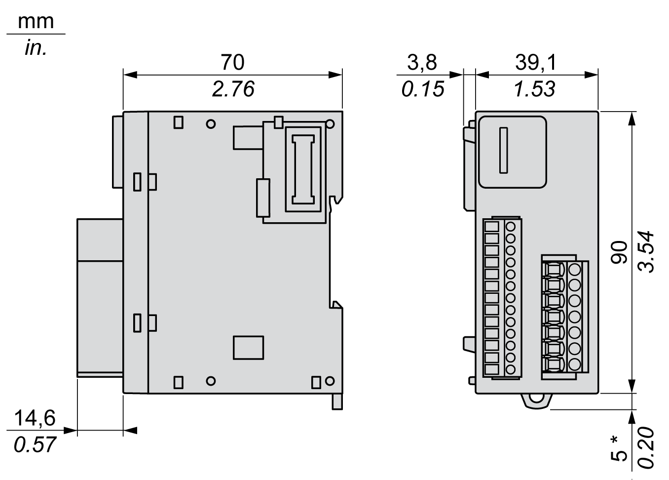
En este diagrama se muestran las dimensiones externas de los módulos de seguridad TM3SAF5R/TM3SAF5RG:
* 8,5 mm (0,33 pulg.) cuando se retira la abrazadera.
El módulo TM3SAF5R• es un módulo de seguridad para monitorizar la parada de emergencia y los interruptores de fin de carrera en dispositivos protectores, según las normas ISO/EN 13849, IEC/EN 62061, IEC/EN 61058. El módulo presenta estas características relacionadas con la seguridad:
|
Característica |
Valor |
Diseñado según las especificaciones |
|---|---|---|
|
Nivel de integridad de seguridad (SIL) |
3 |
IEC/EN 61508-1:2010 |
|
Límite de solicitud de nivel de integridad de seguridad (SILCL) |
3 |
IEC/EN 62061:2005 |
|
Fracción de fallo seguro (SFF) |
95 % |
IEC/EN 61508-1:2010 |
|
Tolerancia de errores de hardware (HFT) |
1 |
IEC/EN 61508-1:2010 |
|
Tipo |
A |
IEC/EN 61508-1:2010 |
|
Modalidad de funcionamiento |
Modalidad de alta demanda |
IEC/EN 61508-1:2010 |
|
Probabilidad de fallos peligrosos por hora (PFHd) |
30 * 10-9 / h (1) |
IEC/EN 61508-1:2010 |
|
5 * 10-9 / h (2) |
||
|
Tiempo medio para fallos peligrosos (MTTFd) |
85 años(1) |
ISO/EN 13849-1:2008 |
|
500 años(2) |
||
|
Nivel de rendimiento (PL) categoría (cat.) |
PL e. cat. 4 |
ISO/EN 13849-1:2008 |
|
Cobertura del diagnóstico (DC) |
95 % |
ISO/EN 13849-1:2008 |
|
Vida útil |
20 años |
– |
|
Tiempo de respuesta |
20 ms |
– |
|
Intervalo de prueba (PTI) |
Ninguna |
– |
|
Categoría de parada |
0 |
IEC/EN 60204-1 |
|
Inicio |
Manual o automático |
– |
|
Rutas |
• 3 rutas de habilitación • 1 ruta de señalización |
– |
|
Realimentación |
Lazo de realimentación para supervisar contactores externos. |
– |
|
Estado de seguridad definido |
Los módulos Seguridad de TM3 están en estado de seguridad definido cuando sus salidas están desactivadas (relés internos sin energía; ruta de salida abierta). |
– |
|
NOTA: Estos módulos contienen relés electromecánicos, de modo que los valores MTTFd y PFHd reales varían en función de la carga de aplicación y del ciclo de servicio. (1) 60 ciclos de funcionamiento por hora en DC-13 24 V CC 1 A (2) 1 ciclo de funcionamiento por hora en DC-13 24 V CC 4 A |
||
En esta tabla se describen las características de la fuente de alimentación del módulo Seguridad de TM3:
|
Característica |
Valor |
|
|---|---|---|
|
Tensión de alimentación |
IEC 60038 |
24 V CC - de 15 a +20 % |
|
Protección de fusible externo (máximo) |
Retardo de 4 A (clase gG) |
|
|
Consumo |
Tensión de alimentación de 24 V CC |
3,6 W |
|
Bus de TM3 (5 V CC) |
0,2 W |
|
En esta tabla se describen las características del circuito de control del módulo Seguridad de TM3:
|
Característica |
Valor |
|
|---|---|---|
|
Tensión de contacto |
Nominal |
24 V CC |
|
Corriente de contacto |
Nominal |
35 mA |
|
Máxima |
100 mA |
|
|
Tiempo de respuesta |
≤ 20 ms |
|
|
Retardo |
Activado |
≤ 100 ms |
|
Reiniciar |
≤ 300 ms |
|
En esta tabla se describen las características del circuito de salida del módulo Seguridad de TM3:
|
Característica |
Valor |
|
|---|---|---|
|
Conmutación de corriente máxima de cada salida |
AC-15: 230 V CA |
5 A |
|
DC-13: 24 V CC |
4 A |
|
|
Conmutación de tensión y corriente mínima (nunca se utiliza un nuevo contacto con las cargas más altas) |
17 V, 10 mA |
|
|
Corriente máxima |
Por ruta de salida |
6 A |
|
Suma de la corriente en todas las rutas de salida |
≤ 18 A |
|
|
Protección de fusible externo (máximo) |
Fusible con retardo (clase gG) |
4 A |
|
Fusible de fusión rápida |
6 A |
|
|
Operaciones de conmutación máxima |
107 |
|