AI4LE analogique

Présentation

Le module électronique analogique AI4LE est équipé de 4 entrées 12 bits.

Uniquement disponible pour le LMC058LF424.

Danger_Color.gifDANGER

RISQUE D'INCENDIE

oUtilisez uniquement les sections de fil appropriées pour la capacité de courant maximum des voies d'E/S et des alimentations.

oPour le câblage des sorties relais (2 A), utilisez des conducteurs d'au moins 0,5 mm2 (AWG 20) ayant une température nominale d'au moins 80 °C (176 °F).

oPour les conducteurs communs du câblage des sorties relais (7 A), ou le câblage de sorties relais au-dessus de 2 A, utilisez des conducteurs d'au moins 1,0 mm2 (AWG 16) avec une température nominale égale ou supérieure à 80 °C (176 °F).

Le non-respect de ces instructions provoquera la mort ou des blessures graves.

Warning_Color.gifAVERTISSEMENT

FONCTIONNEMENT IMPRÉVU DE L'ÉQUIPEMENT

Ne dépassez pas les valeurs nominales indiquées dans les tableaux des caractéristiques d'environnement et électriques.

Le non-respect de ces instructions peut provoquer la mort, des blessures graves ou des dommages matériels.

Caractéristiques des entrées

Le tableau suivant présente les caractéristiques du module électronique AI4LE :

Caractéristique

Entrée de tension

Entrée d'intensité

Nombre de voies d'entrée

4

Plage d'entrée

-10 à +10 VCC

0 à 20 mA / 4 à 20 mA

Impédance d'entrée

20 MΩ min.

-

Impédance de charge

-

400 Ω max.

Durée de l'échantillon

400 µs pour toutes les entrées sans filtrage

1 ms pour toutes les entrées avec filtrage

Type d'entrée

Différentiel

Mode de conversion

Registre d'approximation successive

Filtre d'entrée

Passe-bas 3ème ordre / fréquence de coupure 1 kHz

Tolérance d'entrée - écart maximal à température ambiante de 25 °C (77 °F)

< 0,08% de la mesure

< 0,08% de la mesure

Tolérance d'entrée - Dérive de température

0,006% / °C de la mesure

0,009% / °C de la mesure

Tolérance d'entrée - non-linéarité

< 0,025% de la pleine échelle (20 V)

< 0,05% de la pleine échelle (20 mA)

Résolution numérique

12 bits + signe

12 bits

Valeur de résolution

2,441 mV

4,883 µA

Réjection du mode commun

CC

70 dB min.

50 Hz

70 dB min.

Type de câble

Câble blindé requis

Réjection de la diaphonie entre les voies

70 dB min.

Isolement entre voies

Non isolé

Isolement entre voies et bus

Voir Remarque 1.

Signal d'entrée autorisé

±30 VCC max.

±50 mA max.

Protection de l'entrée

Protection contre câblage avec tension d'alimentation 24 VCC

Tension de mode commun autorisée entre les voies

±12 VCC max.

Appel de courant du segment d'alimentation des E/S 24 VCC

48 mA

1 La tension d'isolement du module électronique est de 500 VCA eff entre les composants électroniques desservis par le bus d'alimentation TM5 et la section desservie par le segment d'alimentation des E/S 24 VCC connecté au module. En pratique, le module électronique TM5 est installé dans l'embase du bus. Un pont relie le bus d'alimentation TM5 et le segment d'alimentation des E/S 24 VCC. Les deux circuits d'alimentation utilisent la même terre fonctionnelle (FE) via des composants spécifiques conçus pour réduire les effets des interférences électromagnétiques. Ces composants ont une charge nominale de 30 VCC ou 60 VCC. Cela réduit l'isolement de l'ensemble du système de 500 VCA eff.

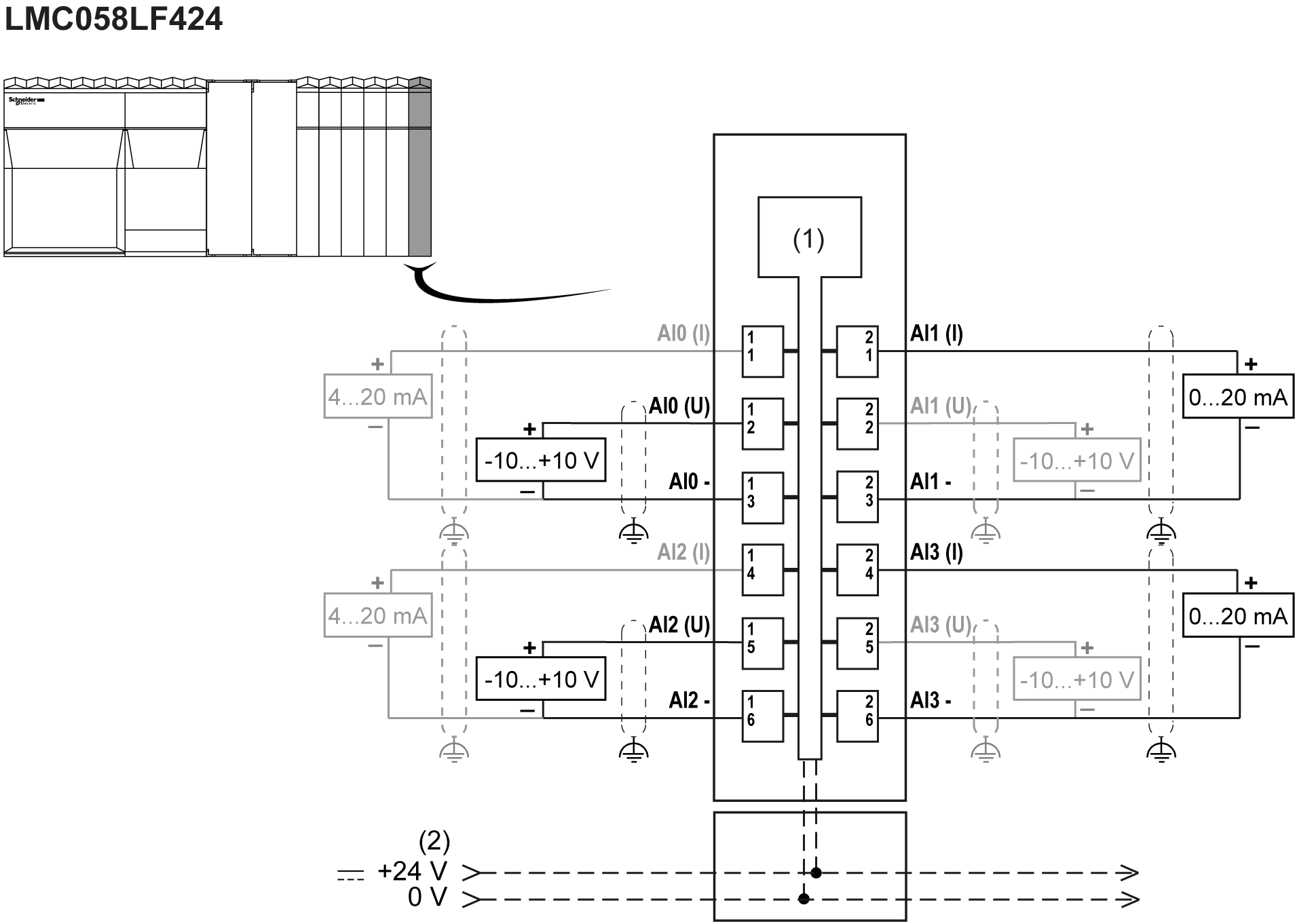
Schéma de câblage

La figure ci-dessous présente le schéma de câblage du module AI4LE :

G-SE-0004490.4.gif-high.gif

 

1   Electronique interne

2   Segment d'alimentation des E/S 24 VCC intégré aux embases de bus

I   Courant

U   Tension

Warning_Color.gifAVERTISSEMENT

FONCTIONNEMENT IMPRÉVU DE L'ÉQUIPEMENT

oUtilisez des câbles blindés pour toutes les E/S rapides, les E/S analogiques et les signaux de communication.

oReliez à la terre le blindage des câbles de toutes les E/S rapides et E/S analogiques et de tous les signaux de communication au même point1.

oFaites courir les câbles de communication et d'E/S séparément des câbles d'alimentation.

Le non-respect de ces instructions peut provoquer la mort, des blessures graves ou des dommages matériels.

1La mise à la terre multipoint est autorisée (elle est inévitable dans certains cas) si les connexions sont reliées à une terre équipotentielle dimensionnée pour éviter tout endommagement des blindages de câble, en cas de court-circuit du système d'alimentation.

Pour plus d'informations, reportez-vous aux Règles et recommandations de câblage du système TM5.

Warning_Color.gifAVERTISSEMENT

FONCTIONNEMENT IMPRÉVU DE L'ÉQUIPEMENT

Ne raccordez aucun fil à des connexions réservées, inutilisées ou portant la mention « No Connection (N.C.) ».

Le non-respect de ces instructions peut provoquer la mort, des blessures graves ou des dommages matériels.

Si vous avez câblé physiquement la voie analogique pour un signal de tension et que vous configurez cette voie pour un signal d'intensité dans EcoStruxure Machine Expert, vous risquez d'endommager le circuit analogique.

Voyants d'état

La figure ci-dessous montre les voyants d'état du AI4LE :

G-SE-0003522.1.gif

 

 

Le tableau ci-dessous décrit les voyants d'état du AI4LE :

Voyants

Couleur

Etat

Description

r

Vert

Eteint

Pas d'alimentation

Clignotement simple

Mode Réinitialisation

Clignotant

Mode préopérationnel

Allumé

Fonctionnement normal

e

Rouge

Eteint

OK ou pas d'alimentation

Allumé

Erreur détectée ou état de réinitialisation

Clignotement double

Erreur détectée sur le système :

oTemps de cycle dépassé

oErreur détectée sur la synchronisation

0-3

Vert

Eteint

Connexion ouverte ou capteur déconnecté

Allumé

Le convertisseur analogique/numérique est en cours d'exécution, la valeur est disponible