配电接线图

 

外部电源的接线图

接线图

注意: 将 0 Vdc 电源电路连接在一起并连接至您系统的功能性接地 (FE),以满足 EMC 要求。

Danger_Color.gif危险

电击、爆炸、过热和起火危险

o切勿将模块直接连接到线路电压。

o请只使用符合 IEC 61140 标准的绝缘 PELV 系统为模块供电。

o将 0 Vdc 的外部电源连接到 FE(功能性接地)。

不遵循上述说明将导致人员伤亡。

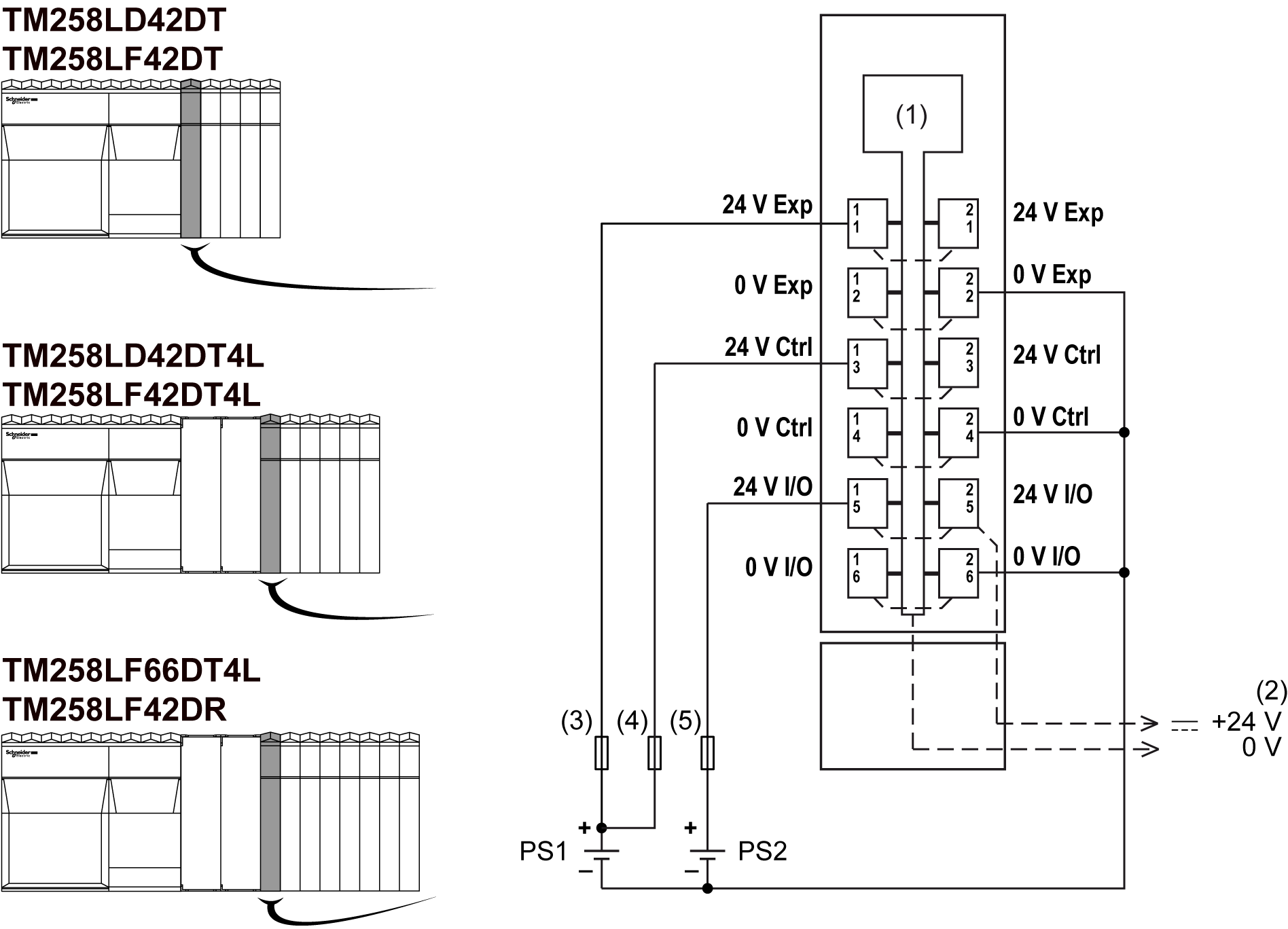
下图显示了控制器配电模块 (CPDM) 的接线图:

G-SE-0005126.3.gif-high.gif

 

1   内部电子元件

2   集成在总线基板上的 24 Vdc I/O 电源段

3   外部熔断器,类型 T 慢断熔断器,3 A 250 V

4   外部熔断器,类型 T 慢断熔断器,2 A 250 V

5   外部熔断器类型 T 慢断熔断器 10 A(最大)250 V

PS1/PS2   外部隔离电源 24 Vdc

Exp   嵌入式专用 I/O 电源

Ctrl   主电源

I/O   I/O 电源段电源

注意: 已为控制器或扩展 I/O 和相关公共端的最大电流特性规定了相应的熔断器值。鉴于可能还有适用于连接到的独特类型的输入和输出设备的其他注意事项,或符合当地、国家或适用认证法规和标准要求,应相应地确定熔断器的规格。

Danger_Color.gif危险

火灾危险

o仅对 I/O 通道和电源的最大电流容量使用正确的导线规格。

o对于继电器输出 (2 A) 接线,请使用横截面积至少为 0.5 平方毫米 (AWG 20) 且额定温度至少为 80 °C (176 °F) 的导体。

o对于继电器输出接线 (7 A) 的通用接线,或者继电器输出接线大于 2 A 的通用接线,请使用横截面积至少为 1.0 平方毫米 (AWG 16) 且额定温度至少为 80 °C (176 °F) 的接线。

不遵循上述说明将导致人员伤亡。