Top Hat Section Rail (DIN rail)

Dimensions of Top Hat Section Rail (DIN Rail)

You can mount the controller or receiver and their expansions on a 35 mm (1.38 in.) top hat section rail (DIN rail). The DIN rail can be attached to a smooth mounting surface or suspended from a EIA rack or mounted in a NEMA cabinet.

 

Symmetric Top Hat Section Rails (DIN Rail)

The following illustration and table indicate the references of the top hat section rails (DIN rail) for the wall-mounting range:

G-SE-0025533.1.gif-high.gif

 

 

Reference

Type

Rail Length (B)

NSYSDR50A

A

450 mm (17.71 in.)

NSYSDR60A

A

550 mm (21.65 in.)

NSYSDR80A

A

750 mm (29.52 in.)

NSYSDR100A

A

950 mm (37.40 in.)

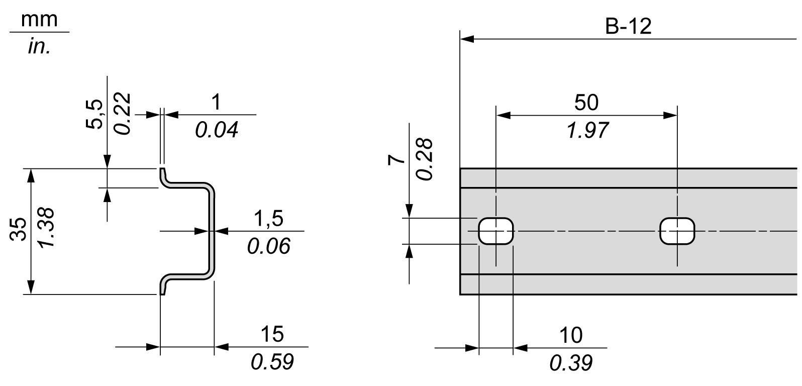
The following illustration and table indicate the references of the symmetric top hat section rails (DIN rail) for the metal enclosure range:

G-SE-0025531.1.gif-high.gif

 

 

Reference

Type

Rail Length (B-12 mm)

NSYSDR60

A

588 mm (23.15 in.)

NSYSDR80

A

788 mm (31.02 in.)

NSYSDR100

A

988 mm (38.89 in.)

NSYSDR120

A

1188 mm (46.77 in.)

The following illustration and table indicate the references of the symmetric top hat section rails (DIN rail) of 2000 mm (78.74 in.):

G-SE-0025529.1.gif-high.gif

 

 

Reference

Type

Rail Length

NSYSDR2001

A

2000 mm (78.74 in.)

NSYSDR200D2

A

1   Unperforated galvanized steel

2   Perforated galvanized steel

Double-Profile Top Hat Section Rails (DIN rail)

The following illustration and table indicate the references of the double-profile top hat section rails (DIN rails) for the wall-mounting range:

G-SE-0025532.1.gif-high.gif

 

 

Reference

Type

Rail Length (B)

NSYDPR25

W

250 mm (9.84 in.)

NSYDPR35

W

350 mm (13.77 in.)

NSYDPR45

W

450 mm (17.71 in.)

NSYDPR55

W

550 mm (21.65 in.)

NSYDPR65

W

650 mm (25.60 in.)

NSYDPR75

W

750 mm (29.52 in.)

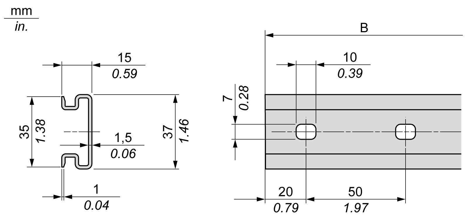
The following illustration and table indicate the references of the double-profile top hat section rails (DIN rail) for the floor-standing range:

G-SE-0025530.1.gif-high.gif

 

 

Reference

Type

Rail Length (B)

NSYDPR60

F

588 mm (23.15 in.)

NSYDPR80

F

788 mm (31.02 in.)

NSYDPR100

F

988 mm (38.89 in.)

NSYDPR120

F

1188 mm (46.77 in.)