TM3TI8T/TM3TI8TG 接线图

简介

这些扩展模块具有用于连接输入和电源的内置可插拔卡簧或螺钉端子块。

接线规则

请参阅接线最佳做法

接线图

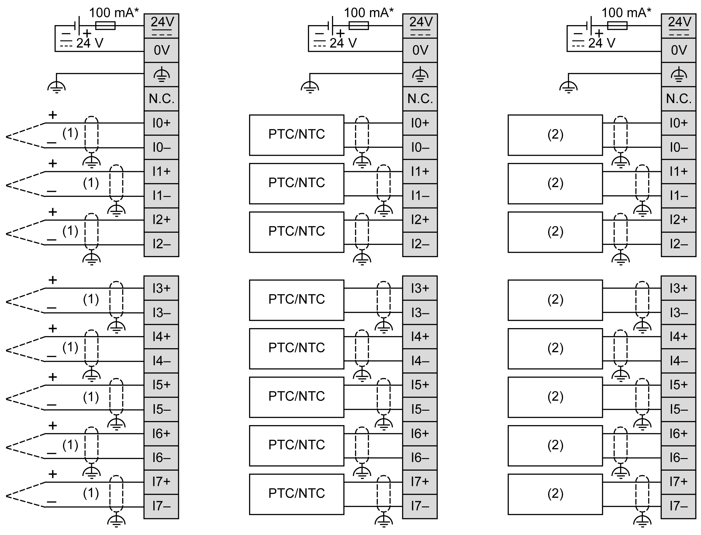
下图说明了输入、传感器及其公共端之间的连接:

* T 型熔断器

(1) 热电偶

(2) 电阻器

 警告
意外的设备操作
请勿将电缆连接至未使用的端子和/或标记为“No Connection (N.C.)”的端子。
未按说明操作可能导致人身伤亡或设备损坏等严重后果。