TM5SDO2R 接线图

接线图

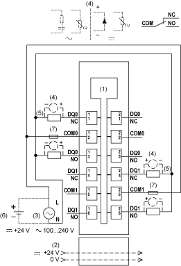
下图显示了 TM5SDO2R 的接线图:

G-SE-0001903.2.gif

 

1   内部电子元件

2   集成到总线基板的 24 Vdc I/O 电源段

3   外部电源 100...240 Vac

4   电感式负载保护

5   2 线负载

6   外部电源 24 Vdc

7   外部熔断器类型 T 慢断熔断器 5 A - 250 V

Warning_Color.gif警告

意外的设备操作

请勿将导线连接至未使用的端子和/或标记为“No Connection (N.C.)”的端子。

不遵循上述说明可能导致人员伤亡或设备损坏。