Anwendungsvorschlag – Varianten C/D/G 2-kanalig mit geschützter Leitungsverlegung

Überblick

1 Sicherheitsschaltvorrichtung

2 Schaltschrank

Safe Stop Kategorie 1 (SS1)

Anwendungsvorschlag zur Realisierung eines sicheren Halts (Safe Stop) der Kategorie 1 (SS1):

  • APP‑111011‑001: Inverter Enable-Kreis für Logic Motion Controller Safe Stop 1 (SS1) mit Schutzkreis und 2-Kanal-Unterbrechung

Anmerkungen zum Anwendungsvorschlag - Allgemeines

  • Der Anwendungsvorschlag bietet eine geschützte IEA/IEB-Leitungsverlegung (Schaltschrank IP54) von der Sicherheitsschaltvorrichtung zum Lexium 62, damit potenzielle Verdrahtungsprobleme vermieden werden können.

  • Schutz gegen einen automatischen Wiederanlauf wird durch das externe Sicherheitsschaltgerät gewährleistet.

  • Können potenzielle Fehler nicht ausgeschlossen werden, dann kann bei der zweikanaligen Variante optional eine Diagnose vorgesehen werden. Das ist extern durchzuführen und wird im Anwendungsvorschlag nicht aufgeführt.

Anmerkungen zum Anwendungsvorschlag - Hinweise zu APP‑111011‑001

Das Netzschütz K1 ist bei diesem Beschaltungsvorschlag aus der Sicht der funktionalen Sicherheit nicht notwendig. Es wird jedoch im Anwendungsvorschlag zum Geräteschutz der Spannungsversorgungen bzw. der Lexium 62 Servo Drives verwendet.

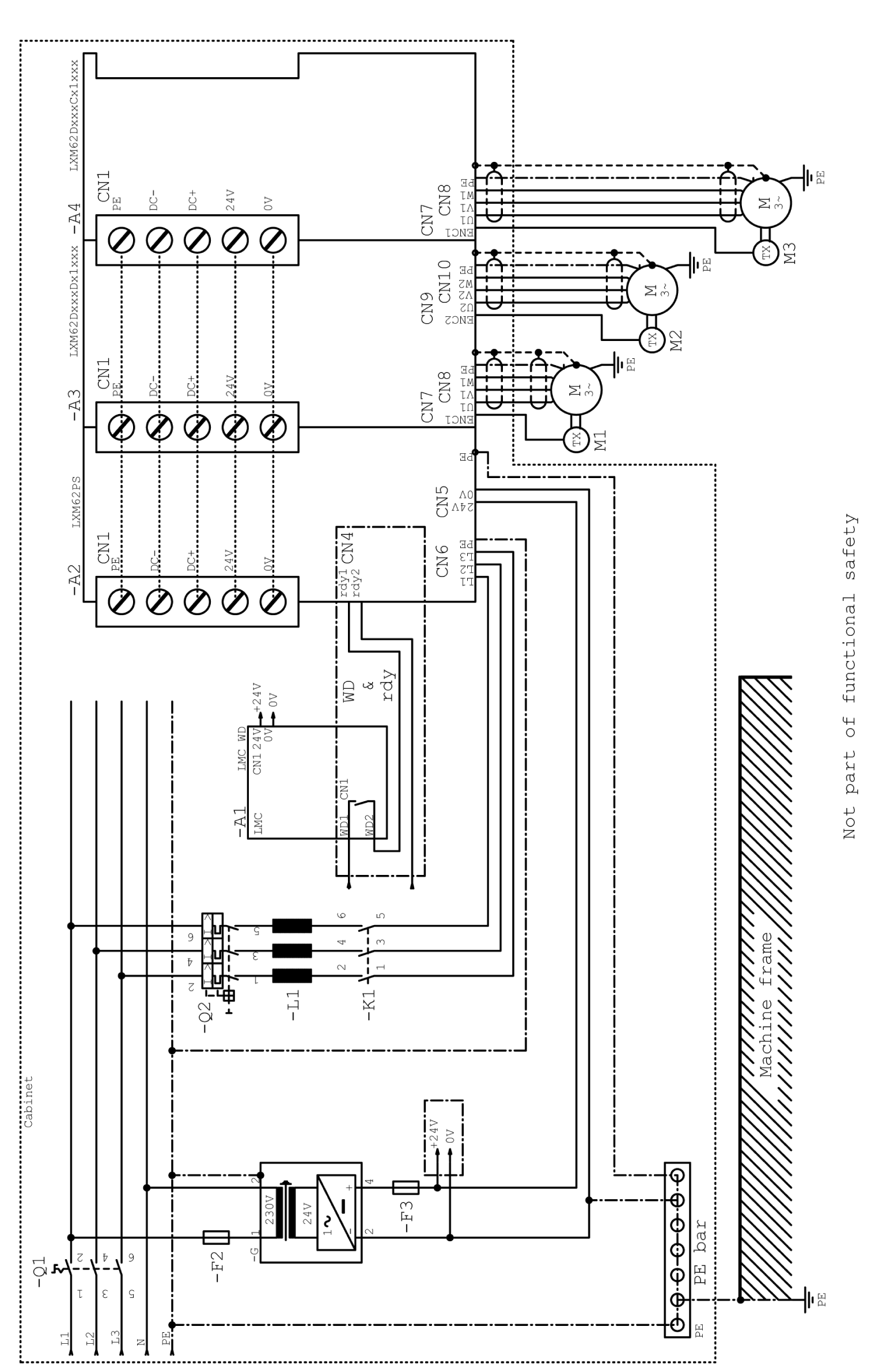
Anwendungsvorschlag für den Steuerkreis (Zeichnungsnummer APP‑111011‑001)

Anwendungsvorschlag für den Lastkreis (Zeichnungsnummer APP‑111011‑001)