Puede montar el controlador o el receptor y sus extensiones en un riel DIN de 35 mm (1,38 in) (segmento DIN). El segmento DIN se puede adjuntar a una superficie de montaje lisa, suspender de un bastidor EIA o montar en un armario NEMA.
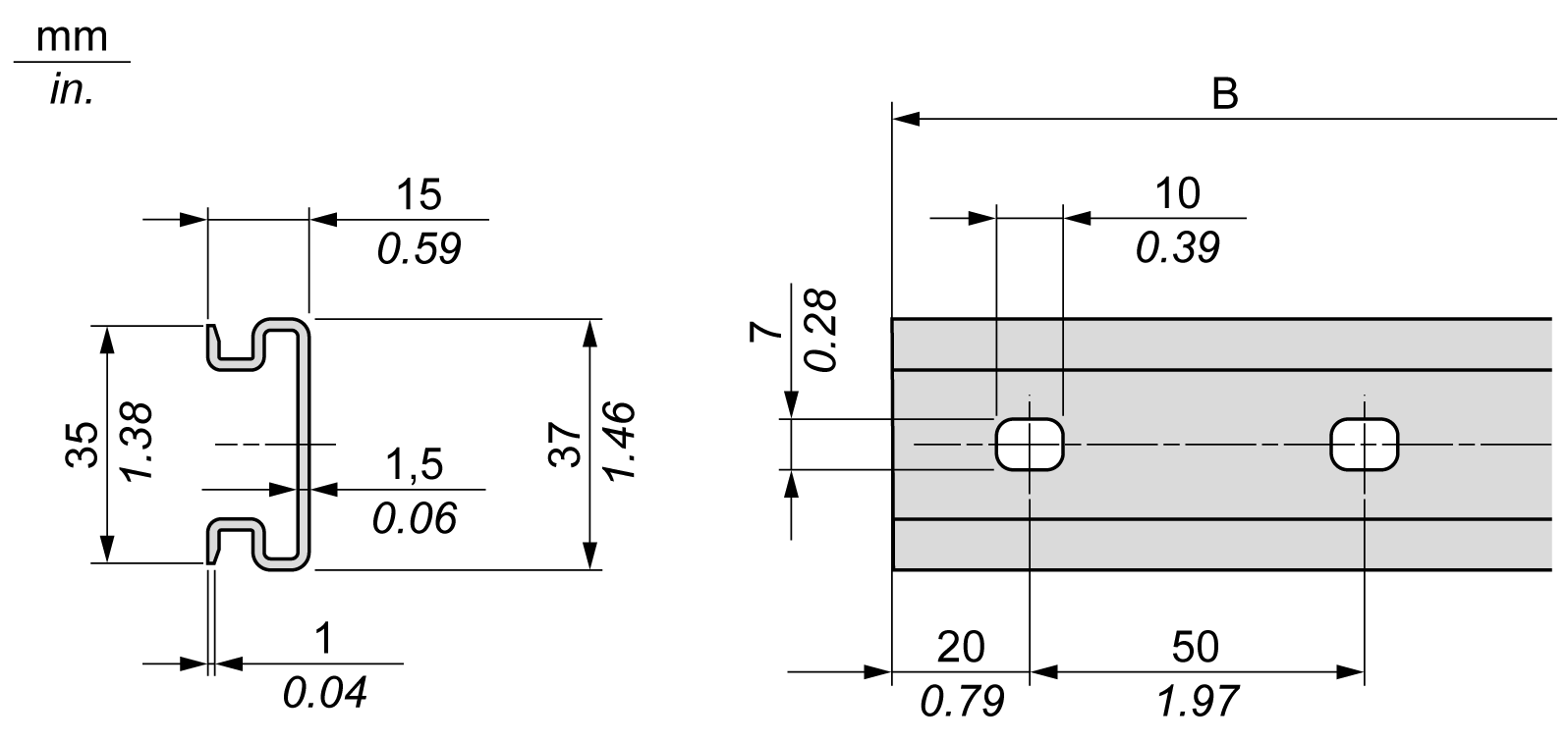
En la ilustración y la tabla siguientes se indican las referencias de los rieles DIN (segmento DIN) para la gama de montaje en pared:
|
Referencia |
Tipo |
Longitud del segmento (B) |
|---|---|---|
|
NSYSDR50A |
A |
450 mm (17,71 in) |
|
NSYSDR60A |
A |
550 mm (21,65 in) |
|
NSYSDR80A |
A |
750 mm (29,52 in) |
|
NSYSDR100A |
A |
950 mm (37,40 in) |
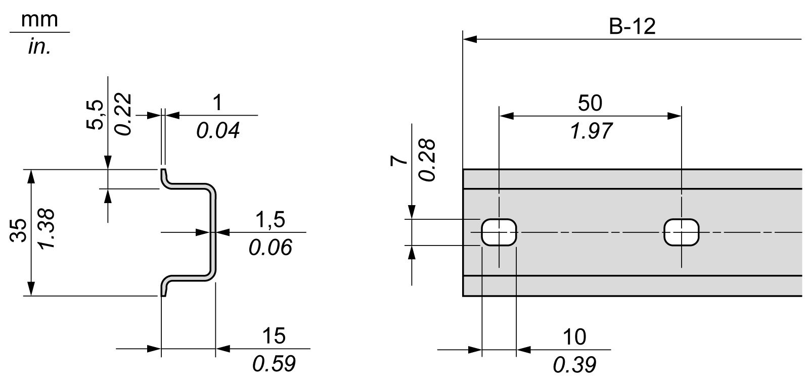
En la ilustración y la tabla siguientes se indican las referencias de los rieles DIN simétricos (segmento DIN) para la gama de carcasas de metal:
|
Referencia |
Tipo |
Longitud del segmento (B: 12 mm) |
|---|---|---|
|
NSYSDR60 |
A |
588 mm (23,15 in) |
|
NSYSDR80 |
A |
788 mm (31,02 in) |
|
NSYSDR100 |
A |
988 mm (38,89 in) |
|
NSYSDR120 |
A |
1188 mm (46,77 in) |
En la ilustración y la tabla siguientes se indican las referencias de los rieles DIN simétricos (segmento DIN) de 2000 mm (78,74 in):
|
Referencia |
Tipo |
Longitud del segmento |
|---|---|---|
|
NSYSDR2001 |
A |
2000 mm (78,74 in) |
|
NSYSDR200D2 |
A |
|
|
1 Acero galvanizado sin perforaciones 2 Acero galvanizado perforado |
||
En la ilustración y la tabla siguientes se indican las referencias de los rieles DIN de doble perfil (segmentos DIN) para la gama de montaje en pared:
|
Referencia |
Tipo |
Longitud del segmento (B) |
|---|---|---|
|
NSYDPR25 |
W |
250 mm (9,84 in) |
|
NSYDPR35 |
W |
350 mm (13,77 in) |
|
NSYDPR45 |
W |
450 mm (17,71 in) |
|
NSYDPR55 |
W |
550 mm (21,65 in) |
|
NSYDPR65 |
W |
650 mm (25,60 in) |
|
NSYDPR75 |
W |
750 mm (29,52 in) |
En la ilustración y la tabla siguientes se indican las referencias de los rieles DIN de doble perfil (segmento DIN) para la gama de montaje en el suelo:
|
Referencia |
Tipo |
Longitud del segmento (B) |
|---|---|---|
|
NSYDPR60 |
F |
588 mm (23,15 in) |
|
NSYDPR80 |
F |
788 mm (31,02 in) |
|
NSYDPR100 |
F |
988 mm (38,89 in) |
|
NSYDPR120 |
F |
1188 mm (46,77 in) |