TM5SDO12T 接线图

接线图

下图显示了 TM5SDO12T 的接线图:

1 内部电子元件

2 集成到总线基板的 24 Vdc I/O 电源段

3 电感式负载保护

4 2 线负载

5 0 Vdc I/O 电源段,通过外部连接

注: I/O 电子模块和与之连接的现场设备必须全都位于同一 24 Vdc I/O 电源段上。如果没有位于同一电源段上,则状态 LEDs 可能无法正确指示状态。此外,可能还会造成更加严重的后果,如爆炸和/或火灾。
 警告
可能存在爆炸或火灾危险
将返回端从设备连接至与服务模块的 24 Vdc I/O 电源段相同的电源。
未按说明操作可能导致人身伤亡或设备损坏等严重后果。

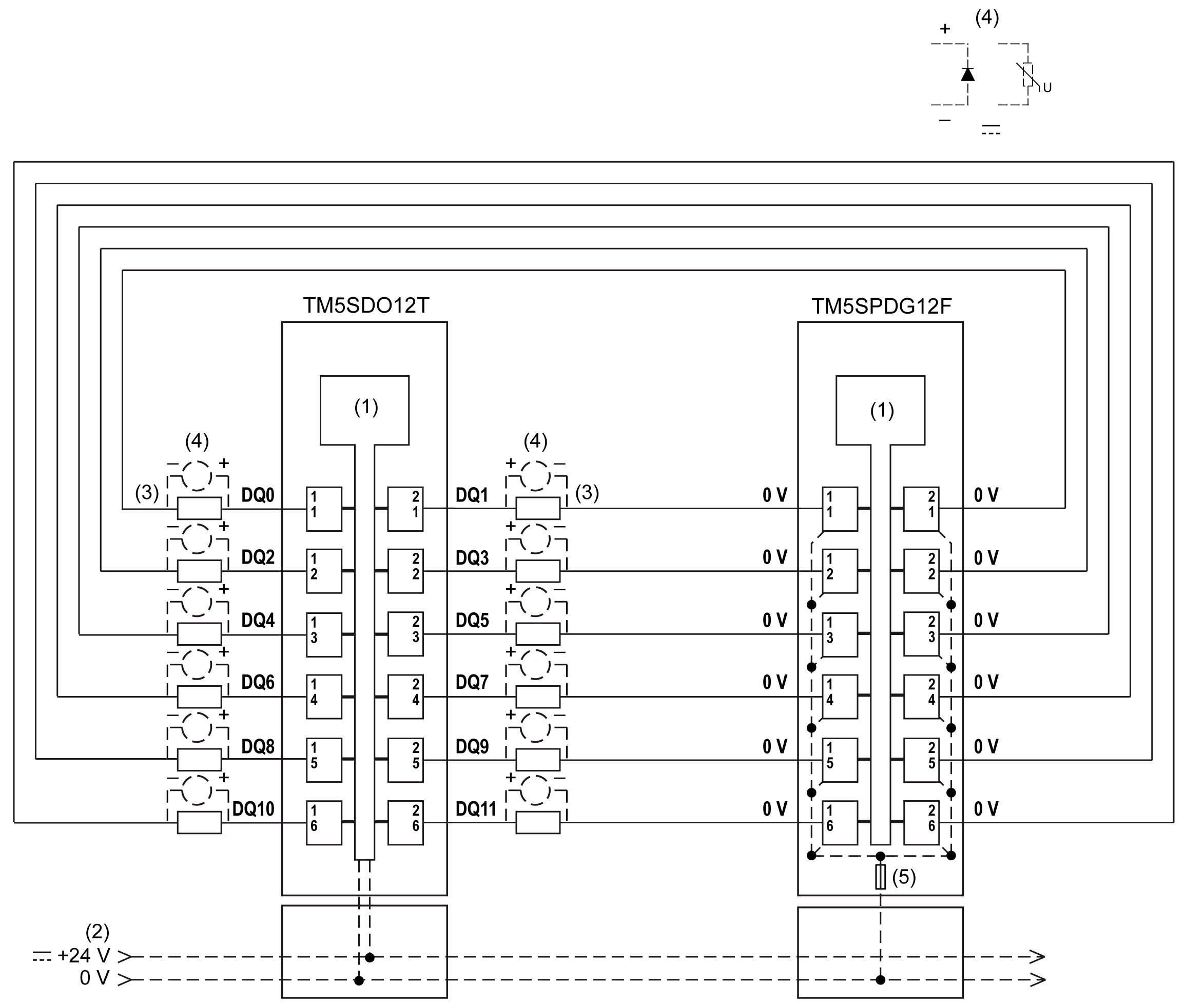
12 路输入 TM5SDO12T 电子模块可独立支持 1 线设备。要连接 2 线设备,可添加 TM5SPDG12F 公共配电模块。

下图显示了 TM5SPDG12FTM5SDO12T 的接线图:

1 内部电子元件

2 集成到总线基板的 24 Vdc I/O 电源段

3 2 线负载

4 电感式负载保护

5 集成的可更换类型 T 慢断熔断器 6.3 A 250 V

 警告
意外的设备操作
请勿将导线连接至未使用的端子和/或标记为“No Connection (N.C.)”的端子。
未按说明操作可能导致人身伤亡或设备损坏等严重后果。