IF_RobotConfiguration - Gantry2Ax (Methode)

Übersicht

Typ:

Methode

Verfügbar ab:

V2.9.0.0

Roboter jeden Typs bringen grundsätzlich Gefahren für die Maschinenbediener und das Wartungspersonal mit sich. Einige dieser Gefahren sind unter Umständen auf eine unsachgemäße/ungültige Programmierkontrolle oder Systemparametrierung/-konfiguration zurückzuführen. Um diese Gefahren bzw. Situationen weitmöglichst zu vermeiden, wurde die Bibliothek SchneiderElectricRobotics speziell für die Schneider Electric-Roboter entwickelt.

Warning_Color.gifWARNUNG

UNBEABSICHTIGTER ROBOTERBETRIEB

Stellen Sie sicher, dass die Bibliothek SchneiderElectricRobotics für den Betrieb eines Schneider Electric-Roboters verwendet wird.

Die Nichtbeachtung dieser Anweisungen kann Tod, schwere Verletzungen oder Sachschäden zur Folge haben.

Die Bibliothek SchneiderElectricRobotics erleichtert folgende Aufgaben:

oParametrierung des Roboters

oÜberwachung der Achsparameter des Roboters

oGearIn und GearOut

oFeedConstant

oHöchststrom

oDirection

oHöchstgeschwindigkeit

oÜberwachung des Arbeitsbereichs des Roboters

Dieses Kapitel enthält Informationen zu folgenden Aspekten:

oAufgabenstellung

oBeschreibung

oSchnittstelle

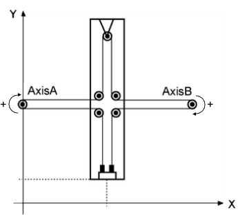
Aufgabenstellung

Konfigurieren eines Portalroboters mit zwei Achsen.

Beschreibung

Mithilfe der Methode Gantry2Ax(...) kann eine Transformation für einen Portalroboter mit zwei Achsen konfiguriert werden.

G-SE-0072082.1.png

 

 

Schnittstelle

Eingang

Datentyp

Beschreibung

i_ifDriveA

SystemConfigurationItf.IF_Drive

Antrieb der Achse A

i_ifDriveB

SystemConfigurationItf.IF_Drive

Antrieb der Achse B

i_etPlane

ET_WorkingPlane

Vorgabe, in welcher Arbeitsebene der Roboter arbeitet.

Ausgang

Datentyp

Beschreibung

q_etDiag

GD.ET_Diag

Allgemeingültige, bibliotheksunabhängige Aussage zur Diagnose.

Ein Wert ungleich ET_Diag.Ok entspricht einer Diagnosemeldung.

q_etDiagExt

ET_DiagExt

Bausteinspezifischer Ausgang zur Diagnose.

q_etDiag = ET_Diag.Ok -> Statusmeldung

q_etDiag <> ET_Diag.Ok -> Diagnosemeldung

q_sMsg

STRING[80]

Ereignisabhängige Meldung, die zusätzliche Informationen über den Diagnosezustand gibt.

Diagnosemeldungen

q_etDiag

q_etDiagExt

Enumerationswert

Beschreibung

OK

Ok

0

Ok

ExecutionAborted

ConfigurationAlreadyCompleted

105

Die Konfiguration ist bereits abgeschlossen.

ExecutionAborted

TransformationAlreadyConfigured

106

Die Transformation ist bereits konfiguriert.

InputParameterInvalid

DriveAAlreadyInUse

36

Der Antrieb A wird bereits verwendet.

InputParameterInvalid

DriveAInvalid

48

Der Antrieb A ist ungültig.

InputParameterInvalid

DriveBAlreadyInUse

37

Der Antrieb B wird bereits verwendet.

InputParameterInvalid

DriveBInvalid

49

Der Antrieb B ist ungültig.

InputParameterInvalid

PlaneInvalid

107

Die Plane ist ungültig.

Ok

Enumerationsname:

Ok

Enumerationswert:

0

Beschreibung:

Ok

Die Konfiguration der Robotertransformation war erfolgreich.

ConfigurationAlreadyCompleted

Enumerationsname:

ConfigurationAlreadyCompleted

Enumerationswert:

105

Beschreibung:

Die Konfiguration ist bereits abgeschlossen.

Problem

Ursache

Lösung

Die Konfiguration der Robotertransformation war nicht erfolgreich.

Die Konfiguration des Roboters ist bereits abgeschlossen. Die Methode ConfigDone(...) wurde bereits erfolgreich aufgerufen.

Sicherstellen, dass keine Methode zur Transformationskonfiguration, zum Beispiel Delta3Ax(...) oder AddAuxAx(...), aufgerufen wird, nachdem die Konfiguration abgeschlossen ist.

TransformationAlreadyConfigured

Enumerationsname:

TransformationAlreadyConfigured

Enumerationswert:

106

Beschreibung:

Die Transformation ist bereits konfiguriert.

Problem

Ursache

Lösung

Die Konfiguration der Robotertransformation war nicht erfolgreich.

Die Konfiguration der Transformation des Roboters wurde bereits erfolgreich durchgeführt.

Darauf achten, dass eine Transformationskonfiguration nur einmal aufgerufen wird.

DriveAAlreadyInUse

Enumerationsname:

DriveAAlreadyInUse

Enumerationswert:

36

Beschreibung:

Der Antrieb A wird bereits verwendet.

Problem

Ursache

Lösung

Die Konfiguration der Robotertransformation war nicht erfolgreich.

Der am Eingang i_ifDriveA übergebene Antrieb ist bereits im Roboter konfiguriert und kann nicht noch einmal verwendet werden.

Sicherstellen, dass dem Roboter kein Antrieb mehrmals zugewiesen wird. Ist das der Fall, dann berichtigen Sie dies.

DriveAInvalid

Enumerationsname:

DriveAInvalid

Enumerationswert:

48

Beschreibung:

Der Antrieb A ist ungültig.

Problem

Ursache

Lösung

Die Konfiguration der Robotertransformation war nicht erfolgreich.

Der am Eingang i_ifDriveA übergebene Schnittstelle ist ungültig.

Am Eingang i_ifDriveA muss ein gültiger Antrieb übergeben werden.

DriveBAlreadyInUse

Enumerationsname:

DriveBAlreadyInUse

Enumerationswert:

37

Beschreibung:

Der Antrieb B wird bereits verwendet.

Problem

Ursache

Lösung

Die Konfiguration der Robotertransformation war nicht erfolgreich.

Der am Eingang i_ifDriveB übergebene Antrieb ist bereits im Roboter konfiguriert und kann nicht noch einmal verwendet werden.

Sicherstellen, dass dem Roboter kein Antrieb mehrmals zugewiesen wird. Ist das der Fall, dann berichtigen Sie dies.

DriveBInvalid

Enumerationsname:

DriveBInvalid

Enumerationswert:

49

Beschreibung:

Der Antrieb B ist ungültig.

Problem

Ursache

Lösung

Die Konfiguration der Robotertransformation war nicht erfolgreich.

Der am Eingang i_ifDriveB übergebene Schnittstelle ist ungültig.

Am Eingang i_ifDriveB muss ein gültiger Antrieb übergeben werden.

PlaneInvalid

Enumerationsname:

PlaneInvalid

Enumerationswert:

107

Beschreibung:

Die Plane ist ungültig.

Problem

Ursache

Lösung

Die Konfiguration der Robotertransformation war nicht erfolgreich.

Der am Eingang i_etPlane übergebene Wert ist kein gültiger Wert.

Am Eingang i_etPlane muss ein in ET_WorkingPlane enthaltener Wert übergeben werden.