Synchronisierungs- und Aktivierungsfunktionen

Einführung

In diesem Abschnitt werden die von der  vom FreqGen bzw. von der PWM verwendeten Funktionen beschrieben:

oFunktion Synchronisierung

oFunktion Aktivierung (Enable)

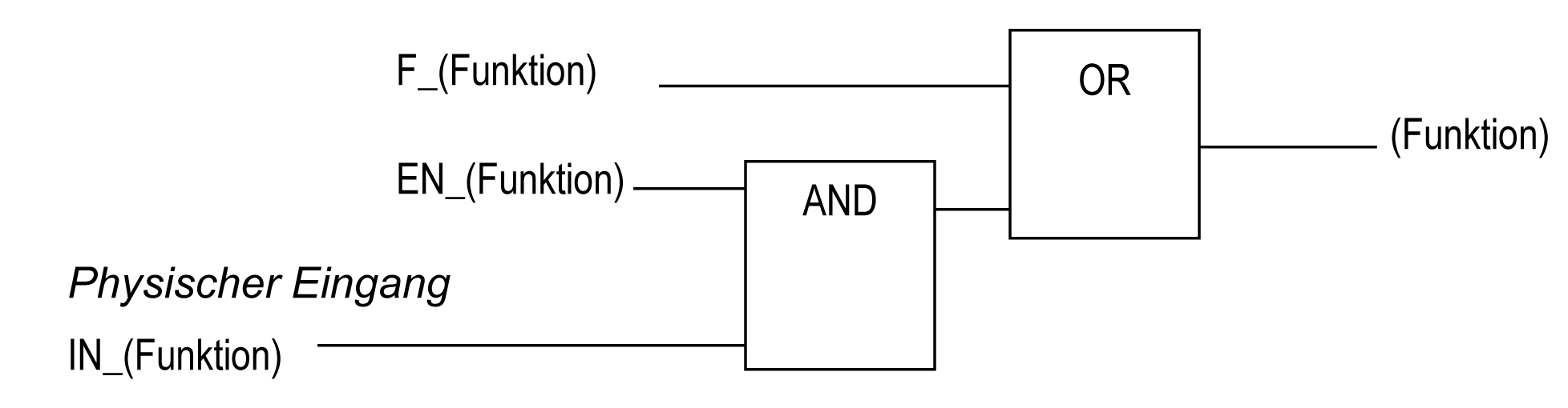
Jede Funktion verwendet die zwei folgenden Funktionsbaustein-Bits:

oEN_(Funktion)-Bit: Wird dieses Bit auf 1 gesetzt, kann diese (Funktion) an einem externen physikalischen Eingang ausgeführt werden, sofern konfiguriert.

oF_(Funktion)-Bit: Wird dieses Bit auf 1 gesetzt, wird die (Funktion) forciert.

Die folgende Abbildung beschreibt, wie die Funktion verwaltet wird:

G-SE-0005524.3.gif-high.gif

 

 

HINWEIS: (Funktion) steht für Enable (für die Aktivierungsfunktion) oder Sync (für die Synchronisierungsfunktion).

Wenn der physikalische Eingang erforderlich ist, aktivieren Sie ihn in der Konfiguration .

Synchronisierungsfunktion

Die Funktion zur Synchronisierung (Sync) dient der Unterbrechung des aktuellen FreqGen/PWM-Zyklus und dem Start eines neuen Zyklus.

Aktivierungsfunktion

Die Enable-Funktion wird zur Aktivierung der  des FreqGen bzw. der PWM verwendet:

G-SE-0002548.2.gif-high.gif