Kenndaten der Module TM3DQ16R/TM3DQ16RG
In diesem Abschnitt werden die elektrischen und ausgangsspezifischen Merkmale der Erweiterungsmodule TM3DQ16R/TM3DQ16RG beschrieben.
Siehe auch Umgebungskenndaten.
|
UNBEABSICHTIGTER GERÄTEBETRIEB |
Überschreiten Sie keinen der in den umgebungsspezifischen und elektrischen Kenndatentabellen angegebenen Nennwerte. |
Die Nichtbeachtung dieser Anweisungen kann Tod, schwere Verletzungen oder Sachschäden zur Folge haben. |
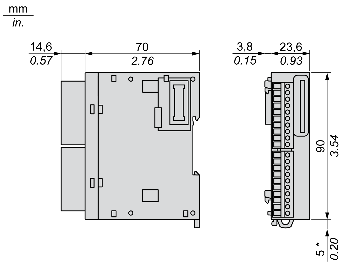
Die nachstehenden Abbildungen zeigen die äußeren Abmessungen der Erweiterungsmodule TM3DQ16R/TM3DQ16RG:
HINWEIS: * 8,5 mm (0.33 in) bei herausgezogener Klemme.
In der folgenden Tabelle werden die Ausgangsmerkmale der Module TM3DQ16R/TM3DQ16RG beschrieben:
Eigenschaft |
Wert |
|
---|---|---|
Anzahl der Ausgangskanäle |
8 |
|
Anzahl Kanalgruppen |
2 gemeinsame Leitungen, eine an 2 Klemmen für jede Gruppe mit 8 Kanälen |
|
Ausgangstyp |
Relais |
|
Kontakttyp |
NO (Normally Open: Schließer) |
|
Ausgangsnennspannung |
24 VDC, 240 VAC |
|
Maximale Spannung |
30 VDC / 264 VAC |
|
Minimale Schaltlast |
5 VDC bei 10 mA |
|
Ausgangsnennstrom |
2 A |
|
Max. Ausgangsstrom |
2 A pro Ausgang |
|
8 A pro gemeinsamer Leitung |
||
Max. Ausgangsfrequenz |
mit max. Last |
20 Vorgänge pro Minute |
Leistungsminderung |
-10...55°C (14...131°F) |
Keine Leistungsminderung |
Einschaltzeit |
Max. 10 ms |
|
Abschaltzeit |
Max. 10 ms |
|
Kontaktfestigkeit |
30 mΩ max. |
|
Mechanische Lebensdauer |
20 Millionen Vorgänge |
|
Elektrische Lebensdauer |
Unter ohmscher Last |
Siehe Leistungsbegrenzung weiter unten. |
Unter induktiver Last |
||
Schutz vor Überlast/Kurzschluss |
Nein |
|
Isolation |
Zwischen Ausgang und interner Logik |
500 VAC |
Zwischen Kanalgruppen |
1.00 VAC |
|
Anschlusstechnik |
TM3DQ16R |
Abnehmbare Schraubklemmenleiste |
TM3DQ16RG |
Abnehmbare Federklemmenleiste |
|
Steckverbinderhaltbarkeit (Ein-/Aussteckvorgänge) |
Mehr als 100 Vorgänge |
|
Stromaufnahme am internen 5-VDC-Bus |
37 mA (alle Ausgänge ein) 5 mA (alle Ausgänge aus) |
|
Stromaufnahme am internen 24-VDC-Bus |
77 mA (alle Ausgänge ein) 0 mA (alle Ausgänge aus) |
|
HINWEIS: Weitere Informationen zum Schutz der Ausgänge finden Sie unter Schutz der Ausgänge vor Schäden durch induktive Lasten. |
In dieser Tabelle wird die Leistungsbegrenzung der Erweiterungsmodule TM3DQ16R/TM3DQ16RG in Abhängigkeit von der Spannung, vom Lasttyp und von der Anzahl erforderlicher Vorgänge beschrieben.
Diese Erweiterungsmodule bieten keine Unterstützung für kapazitive Lasten.
|
VERSCHWEISSUNG DER RELAISAUSGÄNGE |
oSchützen Sie Relaisausgänge stets vor einer Beschädigung durch induktive Wechselstromlasten mithilfe einer geeigneten externen Schutzschaltung oder -vorrichtung. oSchließen Sie Relaisausgänge niemals an kapazitive Lasten an. |
Die Nichtbeachtung dieser Anweisungen kann Tod, schwere Verletzungen oder Sachschäden zur Folge haben. |
Leistungsbegrenzungen |
||||
---|---|---|---|---|
Spannung |
24 VDC |
120 VAC |
240 VAC |
Anzahl Schaltspiele |
Leistung ohmscher Lasten AC-12 |
– |
240 VA 80 VA |
480 VA 160 VA |
100.000 300.000 |
Leistung induktiver Lasten AC-15 (cos ϕ = 0,35) |
– |
60 VA 18 VA |
120 VA 36 VA |
100.000 300.000 |
Leistung induktiver Lasten AC-14 (cos ϕ = 0,7) |
– |
120 VA 36 VA |
240 VA 72 VA |
100.000 300.000 |
Leistung ohmscher Lasten DC-12 |
48 W 16 W |
– |
– |
100.000 300.000 |
Leistung induktiver Lasten DC-13 L/R = 7 ms |
24 W 7,2 W |
– |
– |
100.000 300.000 |