La version V1.1 d'EcoStruxure Machine Expert ne prend pas en charge les contrôleurs M238, M258, LMC058 et LMC078.

Caractéristiques du module TM2DMM8DRT

Introduction

Cette section contient une description des caractéristiques d'alimentation, caractéristiques électriques et caractéristiques des entrées et sorties du module TM2DMM8DRT.

Consultez également la section Caractéristiques environnementales.

Danger_Color.gifDANGER

RISQUE D'INCENDIE

oUtilisez uniquement les sections de fil appropriées pour la capacité de courant maximum des voies d'E/S et des alimentations.

Le non-respect de ces instructions provoquera la mort ou des blessures graves.

Warning_Color.gifAVERTISSEMENT

FONCTIONNEMENT IMPREVU DE L'EQUIPEMENT

Ne dépassez pas les valeurs nominales indiquées dans les tableaux des caractéristiques d'environnement et électriques.

Le non-respect de ces instructions peut provoquer la mort, des blessures graves ou des dommages matériels.

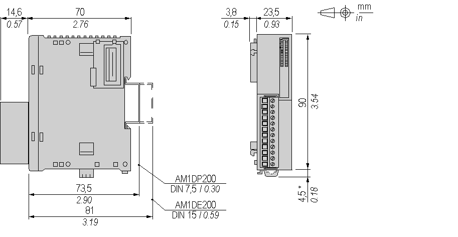
Dimensions

Les schémas suivants indiquent les dimensions du module TM2DMM8DRT.

G-RU-0010259.1.gif-high.gif

 

 

NOTE : * 8,5 mm (0,33 in) lorsque la bride est tirée.

Caractéristiques électriques du module TM2DMM8DRT

Nombre moyen d'insertions/retraits de connecteur

Plus de 100

Consommation sur le bus interne 5 VCC

25 mA (toutes les entrées et sorties actives)

5 mA (toutes les entrées et sorties inactives)

Consommation sur le bus interne 24 VCC

20 mA (toutes les entrées et sorties actives)

0 mA (toutes les entrées et sorties inactives)

Caractéristiques des entrées du module TM2DMM8DRT

Nombre de voies d'entrée

4

Lignes communes

1

Type des signaux d'entrée

sink ou source

Tension d'entrée nominale

24 VCC

Plage de tension d'entrée

20,4 à 28,8 VCC

Courant d'entrée nominal à 24 VCC

7 mA

Impédance d'entrée

3,4 kΩ

Etat désactivé

U<5 V CC

Etat activé

U>15 V CC

I>2 mA

Durée de mise sous tension

4 ms

Durée de mise hors tension

4 ms

Isolement entre le circuit interne d'entrée

500 VCA

Isolement entre les borniers d'entrées:

Non

Type d'entrée

Type 1 (CEI 61131-2)

Caractéristiques des sorties du module TM2DMM8DRT

Voies de sortie

4

Lignes communes

1 ligne commune pour 4 voies

Courant de sortie

2 A max. par sortie

7 A max par ligne commune

Tension nominale

24 VCC

230 / 240 VCA

Tension maxi

30 VCC

264 VCA

Courant d'appel

2 A max.

Charge de commutation minimale

0,1 mA

0,1 VCC

Résistance de contact

45 mΩ max

Durée de vie mécanique

20 millions d'opérations minimum (hors charge 1 800 opérations/h)

Charge résistive

Charge inductive

Charge capacitive

Voir les limites d'alimentation ci-dessous

Isolement entre la sortie et le circuit interne entre la sortie et le circuit interne

2 300 VCA

Isolement entre sortie et bornes 0 V

1 500 VCA

Isolement entre les groupes de sorties

1 500 VCA

Durée de connexion

12 ms

Durée de déconnexion

10 ms

Limites d'utilisation

Lors de l'utilisation du TM2DMM8DRT :

G-RU-0010260.3.gif

 

1   A une température ambiante de 55 °C (131 °C) dans le sens de montage normal, la limite d'utilisation simultanée d'entrées et de sorties, respectivement, est indiquée par la courbe.

2   A 45 °C (113 °F), toutes les entrées et sorties peuvent être activées simultanément à 28,8 VCC comme indiqué par la courbe.

Limites d'alimentation du TM2DMM8DRT

Le tableau ci-dessous indique les limites d'alimentation du module TM2DMM8DRT en fonction de la tension, du type de charge et du nombre d'opérations nécessaires.

Ce module ne prend pas en charge les charges capacitives.

Warning_Color.gifAVERTISSEMENT

SORTIES DE RELAIS SOUDEES FERMEES

oProtégez toujours les sorties de relais contre les dommages par charge de courant alternatif, à l'aide d'un dispositif ou d'un circuit de protection externe.

oNe connectez pas de sorties de relais à des charges capacitives.

Le non-respect de ces instructions peut provoquer la mort, des blessures graves ou des dommages matériels.

Tension

24 VCC

120 VCC

240 VCC

Nombre d'opérations

Puissance des charges résistives

AC-12

 

240 VA

80 VA

480 VA

160 VA

100 000

300 000

Puissance des charges inductives

AC-15 (cos x=0,3)

 

60 VA

18 VA

120 VA

36 VA

100 000

300 000

Puissance des charges inductives

AC-14 (cos x=0,7)

 

120 VA

36 VA

240 VA

72 VA

100 000

300 000

Puissance des charges résistives

DC-12

48 W

16 W

 

 

100 000

300 000

Puissance des charges inductives

DC-13 L/R=7 s

24 W

7,2 W

 

 

100 000

300 000