Rail oméga (DIN)

Dimensions du rail oméga (DIN)

Vous pouvez monter le contrôleur ou le récepteur, ainsi que ses extensions, sur un rail oméga (DIN) de 35 mm (1.38 in.). Vous pouvez le fixer à une surface de montage lisse, le suspendre à un rack EIA ou le monter dans une armoire NEMA.

Rails oméga symétriques (DIN)

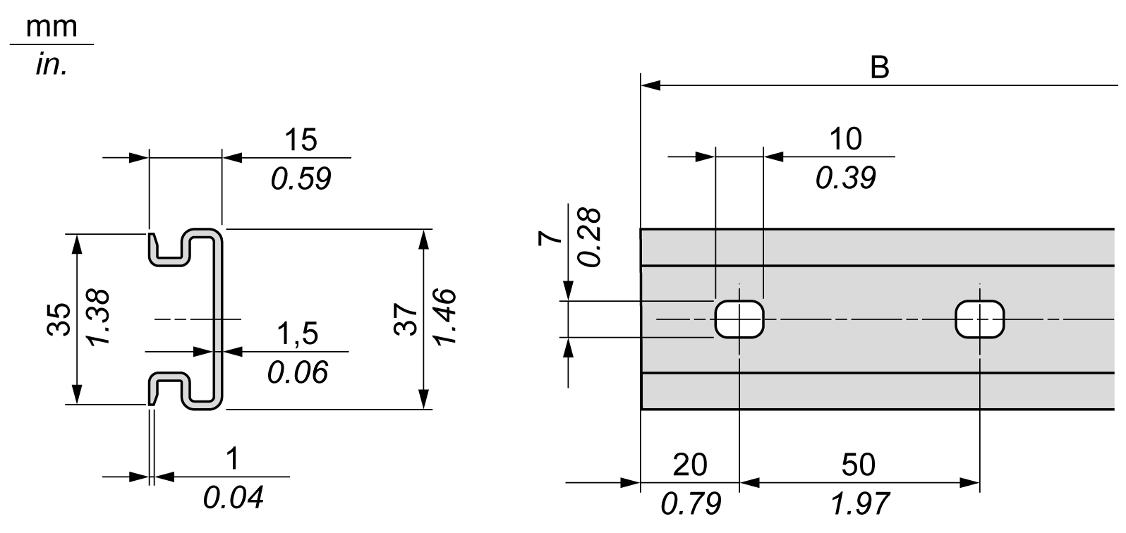
L'illustration et le tableau ci-dessous indiquent les références des rails oméga (DIN) destinés aux produits à montage mural :

G-SE-0025533.1.gif-high.gif

 

 

Référence

Type

Longueur du rail (B)

NSYSDR50A

A

450 mm (17,71 in.)

NSYSDR60A

A

550 mm (21,65 in.)

NSYSDR80A

A

750 mm (29,52 in.)

NSYSDR100A

A

950 mm (37,40 in.)

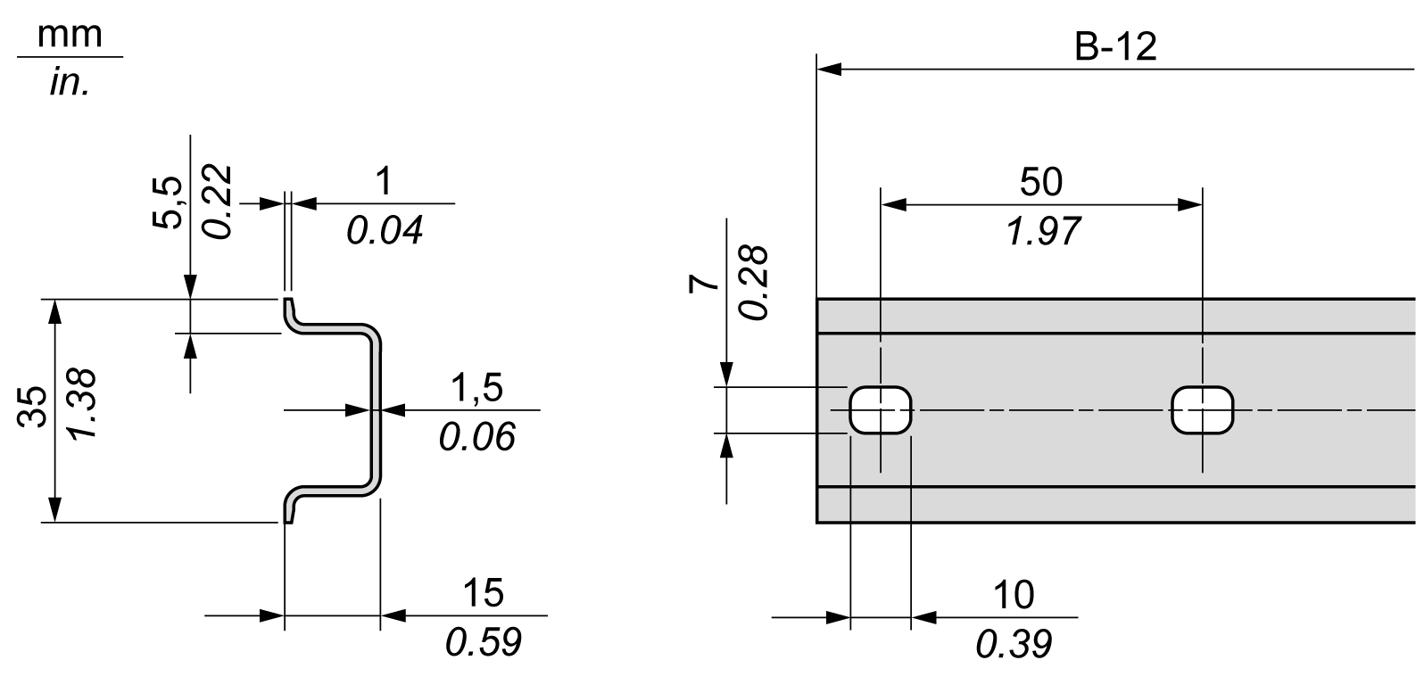
L'illustration et le tableau ci-dessous indiquent les références des rails oméga symétriques (DIN) destinés aux produits à boîtier en métal :

G-SE-0025531.1.gif-high.gif

 

 

Référence

Type

Longueur de rail (B-12 mm)

NSYSDR60

A

588 mm (23,15 in.)

NSYSDR80

A

788 mm (31,02 in.)

NSYSDR100

A

988 mm (38,89 in.)

NSYSDR120

A

1188 mm (46,77 in.)

L'illustration et le tableau ci-dessous indiquent les références des rails oméga symétriques (DIN) de 2000 mm (78,74 in.) :

G-SE-0025529.1.gif-high.gif

 

 

Référence

Type

Longueur du rail

NSYSDR2001

A

2000 mm (78,74 in.)

NSYSDR200D2

A

1   Acier galvanisé non perforé

2   Acier galvanisé perforé

Rails oméga (DIN) à double profilé

L'illustration et le tableau ci-dessous indiquent les références des rails oméga (DIN) à double profilé, destinés aux produits à montage mural :

G-SE-0025532.1.gif-high.gif

 

 

Référence

Type

Longueur du rail (B)

NSYDPR25

W

250 mm (9,84 in.)

NSYDPR35

W

350 mm (13,77 in.)

NSYDPR45

W

450 mm (17,71 in.)

NSYDPR55

W

550 mm (21,65 in.)

NSYDPR65

W

650 mm (25,60 in.)

NSYDPR75

W

750 mm (29,52 in.)

L'illustration et le tableau ci-dessous indiquent les références des rails oméga (DIN) à double profilé, destinés aux produits reposant à même le sol :

G-SE-0025530.1.gif-high.gif

 

 

Référence

Type

Longueur du rail (B)

NSYDPR60

F

588 mm (23,15 in.)

NSYDPR80

F

788 mm (31,02 in.)

NSYDPR100

F

988 mm (38,89 in.)

NSYDPR120

F

1188 mm (46,77 in.)