Montaggio diretto sulla superficie di un pannello

Panoramica

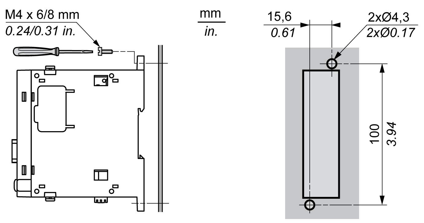
Questa sezione mostra come installare il modulo di espansione TM4 utilizzando il kit di montaggio su pannello. La sezione contiene inoltre lo schema dei fori di montaggio per tutti i moduli.

Schema dei fori di montaggio

La figura seguente mostra i fori di montaggio per i moduli di espansione TM4:

G-SE-0032057.1.gif-high.gif