TM218LDA24DRN 继电器输出

概述

有关管理输出的详细信息,请参阅输出管理

Danger_Color.gif危险

火灾危险

o仅对 I/O 通道和电源的电流容量使用正确的导线规格。

o对于继电器输出 (2 A) 接线,请使用横截面积至少为 0.5 平方毫米 (AWG 20) 且额定温度至少为 80 °C (176 °F) 的导体。

o对于继电器输出接线 (4 A) 的通用接线,或者继电器输出接线大于 2 A 的通用接线,请使用横截面积至少为 1.0 平方毫米 (AWG 16) 且额定温度至少为 80 °C (176 °F) 的接线。

不遵循上述说明将导致人员伤亡。

Warning_Color.gif警告

意外的设备操作

请勿超过环境和电气特性表中指定的任何额定值。

不遵循上述说明可能导致人员伤亡或设备损坏。

继电器输出特性

下表描述了 M218 控制器继电器输出的特性:

特性

额定电压

24 Vdc,220 Vac

输入范围

5...30 Vdc,100...250 Vac

额定电流

每点最大 2 A(请参阅下面的降额曲线)

电流/组(4 点)

4 A(请参阅下面的降额曲线)

极限值

最大开关电压

250 Vac,30 Vdc

电流/点

5 A

隔离

同一类别中的通道之间:

不同类别中的通道之间:

1780 Vac/2500 Vdc

通道与内部逻辑之间:

1780 Vac/2500 Vdc

最大输出频率

最大负载时

0.1 Hz

无负载

5 Hz

触点断开时间

通常为 5 毫秒

触点闭合时间

通常为 2 毫秒

电阻式负载

2 A/点(对于 24 Vdc/220 Vac)

机械寿命

25 °C (77 °F) 时至少运转 2000 万次(对于最大电流和电压额定值)

电缆长度

非屏蔽:150 米(492 英尺)

防止短路

端子块

类型:螺纹型,螺距为 7.62 毫米(0.29 英寸)

有 2 行是可插拔的

注意: 有关本主题的其他信息,请参阅保护输出,避免电感式负载导致的损坏

下图显示了继电器输出降额曲线:

G-SE-0020964.1.gif-high.gif

 

 

注意: 当所有继电器输出在 55 °C (131 °F) 时使用时,降额 50%。

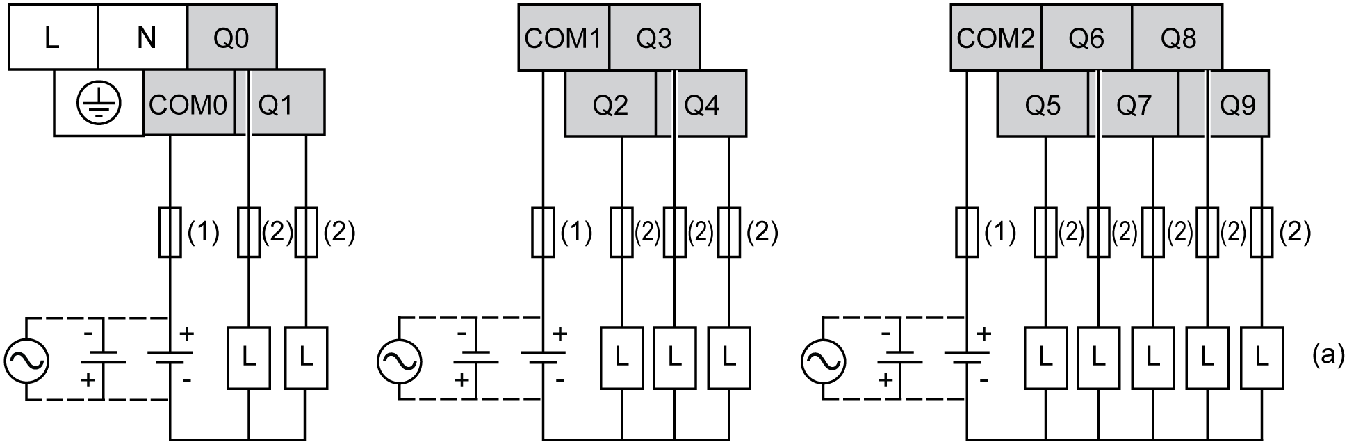
接线图

下图显示了 M218 控制器的继电器输出的接线图:

G-SE-0008509.3.gif-high.gif

 

(1)   4 A T 型熔断器

(2)   2 A T 型熔断器

(a) 为了延长触点的使用寿命,以及防止潜在的电感式负载损坏,可将:

o一个续流二极管并行连接到每个电感式 DC 负载

o一个 RC 缓冲器并行连接到每个电感式 AC 负载

注意: 已为控制器 I/O 和相关公共端的最大电流特性指定分配的熔断器值。根据您连接的输入和输出设备的独特类型,您可能有其他适当的考虑,而且您应该相应地指定熔断器的规格。