有关管理输入的详细信息,请参阅输入管理。
|
火灾危险 |
对于电源的电流容量,仅使用正确的导线规格。 |
不遵循上述说明将导致人员伤亡。 |
|
意外的设备操作 |
请勿超过环境和电气特性表中指定的任何额定值。 |
不遵循上述说明可能导致人员伤亡或设备损坏。 |
一个输入或者作为常规输入使用,或者用于运行/停止,或者用于事件,或者由 HSC、PTO、PWM 和 FG 功能使用。
下表显示控制器输入的可能用法:
功能 |
输入功能 |
HSC/PTO/PWM/FG |
||||
---|---|---|---|---|---|---|
无 |
运行/停止 |
锁存 |
事件 |
|||
过滤器类型 |
积分器 |
积分器 |
跳动 |
跳动 |
||
快速 输入 |
I0 |
X |
X |
X |
X |
HSC |
I1 |
X |
X |
X |
X |
HSC |
|
I2 |
X |
X |
X |
X |
HSC |
|
I3 |
X |
X |
X |
X |
HSC |
|
数字量 输入 |
I4 |
X |
X |
– |
– |
HSC |
I5 |
X |
X |
– |
– |
HSC |
|
I6 |
X |
X |
– |
– |
HSC |
|
I7 |
X |
X |
– |
– |
HSC |
|
I8 |
X |
X |
– |
– |
– |
|
I9 |
X |
X |
– |
– |
– |
|
I10 |
X |
X |
– |
– |
– |
|
I11 |
X |
X |
– |
– |
– |
|
I12 |
X |
X |
– |
– |
– |
|
I13 |
X |
X |
– |
– |
– |
|
I14 |
X |
X |
– |
– |
– |
|
I15 |
X |
X |
– |
– |
– |
|
I16 |
X |
X |
– |
– |
– |
|
I17 |
X |
X |
– |
– |
– |
|
I18 |
X |
X |
– |
– |
– |
|
I19 |
X |
X |
– |
– |
– |
|
I20 |
X |
X |
– |
– |
– |
|
I21 |
X |
X |
– |
– |
– |
|
I22 |
X |
X |
– |
– |
– |
|
I23 |
X |
X |
– |
– |
– |
|
X 是 – 否 |
您可以使用各种过滤器和功能来管理控制器输入。
下表描述了 M218 控制器数字量输入的特性:
特性 |
值 |
||
---|---|---|---|
标准 |
增强型 |
||
额定电流 |
5 mA |
7 mA |
|
极限值 |
电压 |
30 Vdc |
30 Vdc |
电流 |
7 mA |
9 mA |
|
输入阻抗 |
4.7 kΩ |
3.3 kΩ |
|
输入类型 |
漏极/源极 |
||
额定电压 |
24 Vdc |
||
输入范围 |
0...28.8 Vdc |
||
输入限制值 |
状态 1 时的电压 |
> 15 Vdc (15...28.8 Vdc) |
|
状态 0 时的电压 |
< 5 Vdc (0...5 Vdc) |
||
状态 1 时的电流 |
> 2.5 mA |
||
状态 0 时的电流 |
< 1.0 mA |
||
隔离(光耦合器) |
通道之间 |
无 |
|
通道与内部逻辑之间 |
500 Vdc |
||
滤波 |
缺省值:3 毫秒 可选择:无过滤器(1 毫秒)、3 毫秒和 12 毫秒 |
||
IEC61131-2 第 3 版类型 |
类型 1 |
||
兼容性 |
支持 2 线和 3 线传感器(1) |
||
电缆类型和长度 |
屏蔽型:最长 100 米(328 英尺) 非屏蔽型:50 米(164 英尺) 为快速输入使用屏蔽电缆。 |
||
防止过电压 |
否 |
||
端子块 |
类型:螺纹型,螺距为 7.62 毫米(0.29 英寸) 有 2 行是可插拔的 |
||
1 最佳工程实践通常需要一根连接到每个终端的导线,而在使用合适电缆端的情况下需要两根导线。连接超过两根导线可能需要应用外部端子块(请查阅可能适用的当地法规和规定)。 |
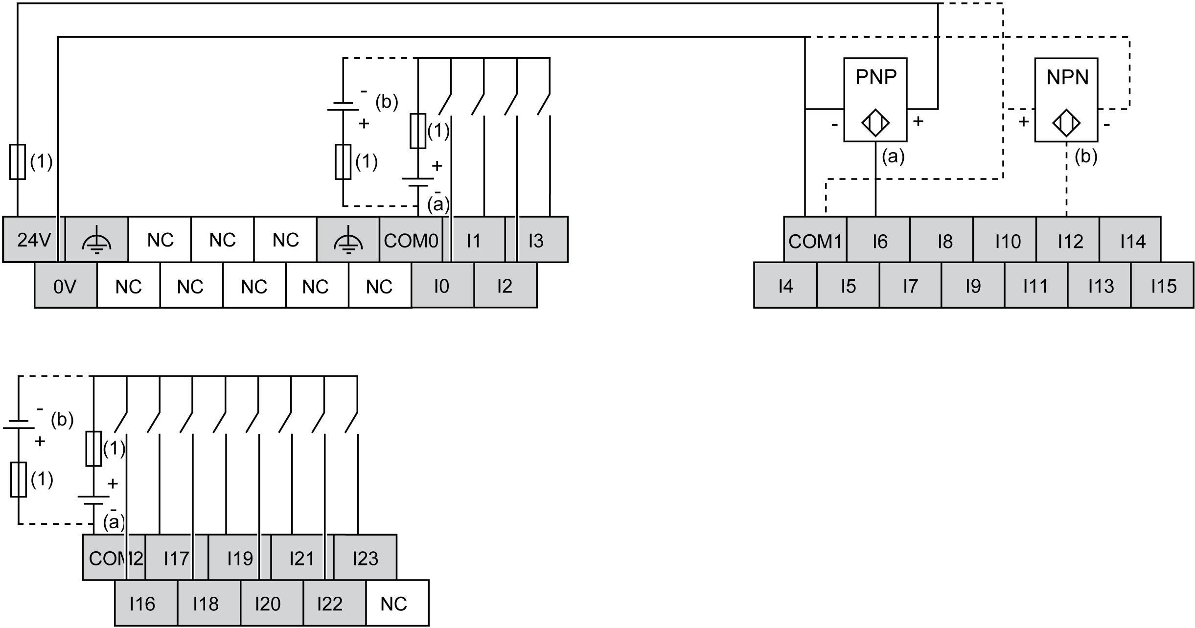
下图描述了 M218 控制器的数字量输入的接线图:
(1) 0.6 A T 型熔断器
(a) 漏极输入(正逻辑)
(b) 源极输入(负逻辑)
NC 禁止连接 (N.C.)
|
意外的设备操作 |
请勿将电缆连接至未使用的端子和/或标记为“No Connection (N.C.)”的端子。 |
不遵循上述说明可能导致人员伤亡或设备损坏。 |
|
意外的设备操作 |
仅将传感器和执行器电源用于为连接到控制器的传感器或执行器供电。 |
不遵循上述说明可能导致人员伤亡或设备损坏。 |