Modicon M241 Logic Controller 已嵌入数字量输出:
|
参考号 |
数字量输出的总数 |
快速晶体管输出(1) |
||
|---|---|---|---|---|
|
TM241C••24R |
10 |
4 |
6 |
0 |
|
TM241C••24T TM241C••24U |
10 |
4 |
0 |
6 |
|
TM241C•40R |
16 |
4 |
12 |
0 |
|
TM241C•40T TM241C•40U |
16 |
4 |
0 |
12 |
|
(1) 可用作 100 kHz PTO 输出的快速晶体管输出 |
||||
有关详细信息,请参阅输出管理。
|
|
|
火灾危险 |
|
o仅针对 I/O 通道和电源的最大电流容量使用正确的接线规格。 |
|
不遵循上述说明将导致人员伤亡。 |
|
|
|
意外的设备操作 |
|
请勿超过环境和电气特性表中指定的任何额定值。 |
|
不遵循上述说明可能导致人员伤亡或设备损坏。 |
下图显示 TM241C••24• 控制器的状态 LED(TM241C•40• 控制器具有 40 盏相似的 LED):
|
LED |
颜色 |
状态 |
描述 |
|---|---|---|---|
|
0...9 |
绿色 |
亮起 |
输出通道已激活 |
|
熄灭 |
输出通道已停用 |
下表描述了 M241 Logic Controller 继电器输出的特性:
|
特性 |
值 |
||
|---|---|---|---|
|
TM241C••24R |
TM241C•40R |
||
|
继电器输出通道数 |
6 路输出 (Q4...Q9) |
12 路输出 (Q4...Q15) |
|
|
通道组数 |
1 个公共端用于 Q4、Q5 1 个公共端用于 Q6、Q7 1 路用于 Q8 1 路用于 Q9 |
1 个公共端用于 Q4...Q7 1 个公共端用于 Q8、Q9 1 个公共端用于 Q10、Q11 1 个公共端用于 Q12、Q13 1 路用于 Q14 1 路用于 Q15 |
|
|
输出类型 |
继电器 |
||
|
触点类型 |
NO(常开) |
||
|
额定输出电压 |
24 Vdc,240 Vac |
||
|
最大电压 |
30 Vdc,264 Vac |
||
|
最小开关负载 |
10 mA 时 5 Vdc |
||
|
降额 |
不降额 |
关于 Q4...Q7 降额问题,请参见注 2。 |
|
|
额定输出电流 |
2 A |
||
|
最大输出电流 |
每路输出 2 A |
||
|
每个公共端 4 A |
|||
|
最大负载下的最大输出频率 |
每分钟 20 次操作 |
||
|
接通时间 |
最大值 10 毫秒 |
||
|
断开时间 |
最大值 10 毫秒 |
||
|
触点电阻 |
30 mΩ(最大值) |
||
|
机械寿命 |
2000 万次操作 |
||
|
电气寿命 |
电阻式负载下 |
请参见功率限制 |
|
|
电感式负载下 |
|||
|
防止短路 |
否 |
||
|
隔离 |
输出与内部逻辑之间 |
500 Vac |
|
|
通道组之间 |
1500 Vac |
||
|
连接类型 |
可插拔螺钉端子块 |
||
|
连接器插入/拔出耐久性 |
超过 100 次 |
||
|
电缆 |
类型 |
非屏蔽 |
|
|
长度 |
最大 30 米(98 英尺) |
||
|
1 有关输出保护的其他信息,请参阅保护输出,避免电感式负载导致损坏。 2 当 Q4、Q5、Q6 和 Q7 位于相同的公共端(最大输出电流 4 A)时,这些已用的 4 路输出将同时降额 50%。 3 用作 PTO/PWM/FG 的 Q4 和 Q6 输出可能会导致这些继电器输出的过早磨损。 |
|||
下表所示为继电器输出的功率限制(取决于所需电压、负载类型以及操作次数)。
这些控制器不支持电容式负载。
|
|
|
继电器输出熔接闭合 |
|
o始终使用适当的外部保护电路或设备来防止继电器输出遭受电感式交流电负载损坏。 o请勿将继电器输出连接至电容式负载。 |
|
不遵循上述说明可能导致人员伤亡或设备损坏。 |
|
功率限制 |
||||
|---|---|---|---|---|
|
电压 |
24 Vdc |
120 Vac |
240 Vac |
操作次数 |
|
电阻式负载功率 AC-12 |
– |
240 VA 80 VA |
480 VA 160 VA |
100,000 300,000 |
|
电感式负载功率 AC-15 (cos j = 0.35) |
– |
60 VA 18 VA |
120 VA 36 VA |
100,000 300,000 |
|
电感式负载功率 AC-14 (cos j = 0.7) |
– |
120 VA 36 VA |
240 VA 72 VA |
100,000 300,000 |
|
电阻式负载功率 DC-12 |
48 W 16 W |
– |
– |
100,000 300,000 |
|
电感式负载功率 DC-13 L/R = 7 ms |
24 W 7.2 W |
– |
– |
100,000 300,000 |
请参阅移除端子块。
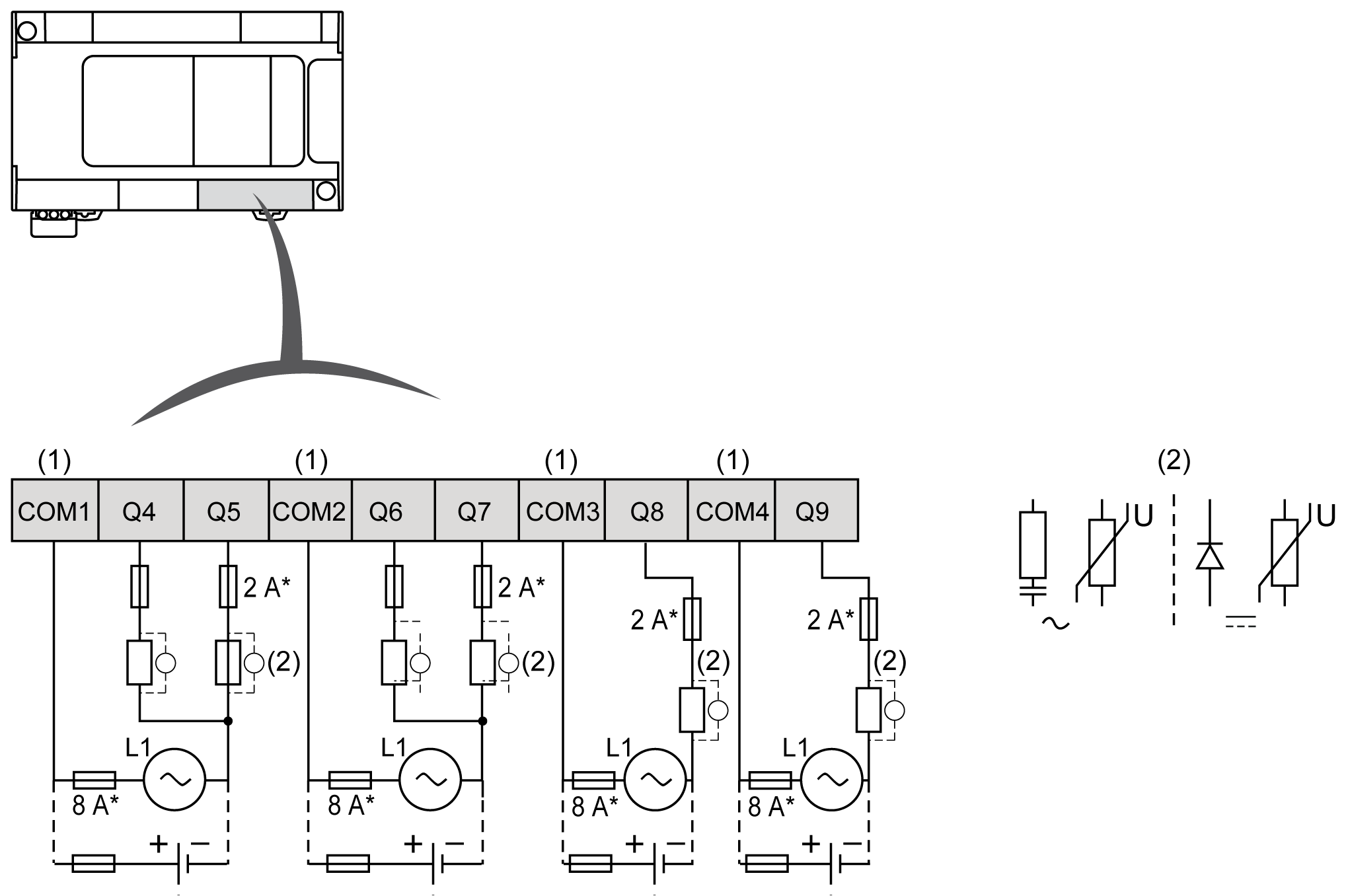
下图显示输出的接线:
* T 型熔断器
(1) 端子 COM1 到 COM4 未在内部连接。
(2) 为了延长触点的使用寿命,以及防止潜在的电感式负载损坏,您必须将续流二极管并行连接到每个电感式直流负载或将 RC 缓冲器并行连接到每个电感式交流负载。
有关输出保护的其他信息,请参阅保护输出,避免电感式负载导致损坏。
注意: 已为控制器 I/O 和相关公共端的最大电流特性指定分配的熔断器值。 根据您连接的输入和输出设备的唯一类型,您可以有其他的适当考量,但须相应指定熔断器的大小。
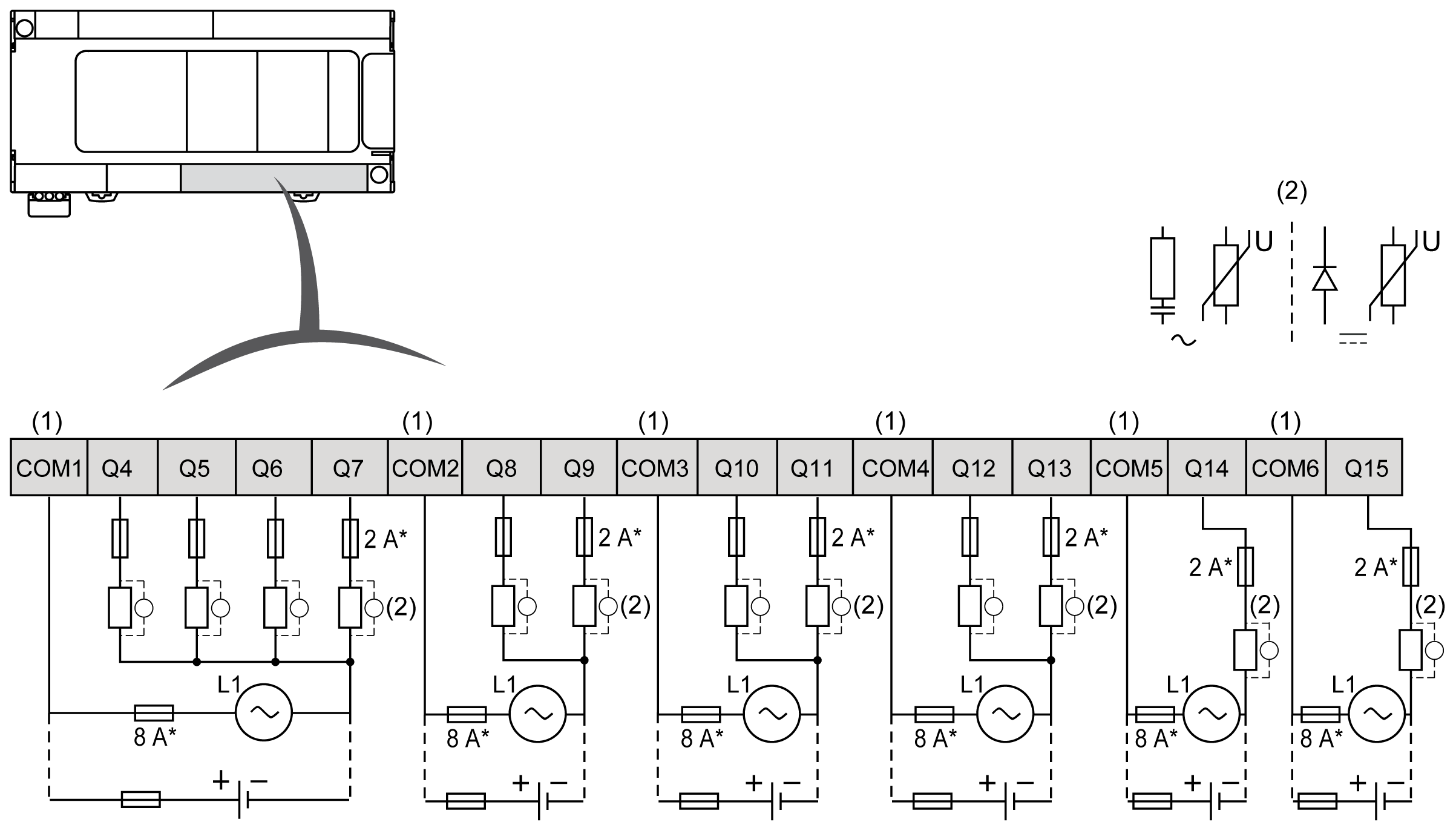
下图显示输出的接线:
* T 型熔断器
(1) 端子 COM1 到 COM6 未在内部连接。
(2) 为了延长触点的使用寿命,以及防止潜在的电感式负载损坏,您必须将续流二极管并行连接到每个电感式直流负载或将 RC 缓冲器并行连接到每个电感式交流负载。
有关输出保护的其他信息,请参阅保护输出,避免电感式负载导致损坏。
注意: 已为控制器 I/O 和相关公共端的最大电流特性指定分配的熔断器值。 根据您连接的输入和输出设备的唯一类型,您可以有其他的适当考量,但须相应指定熔断器的大小。