TM3AM6/TM3AM6G 接线图

简介

这些扩展模块具有用于连接输入、输出和电源的内置可插拔螺钉或卡簧端子块。

接线规则

请参阅接线最佳做法

接线图

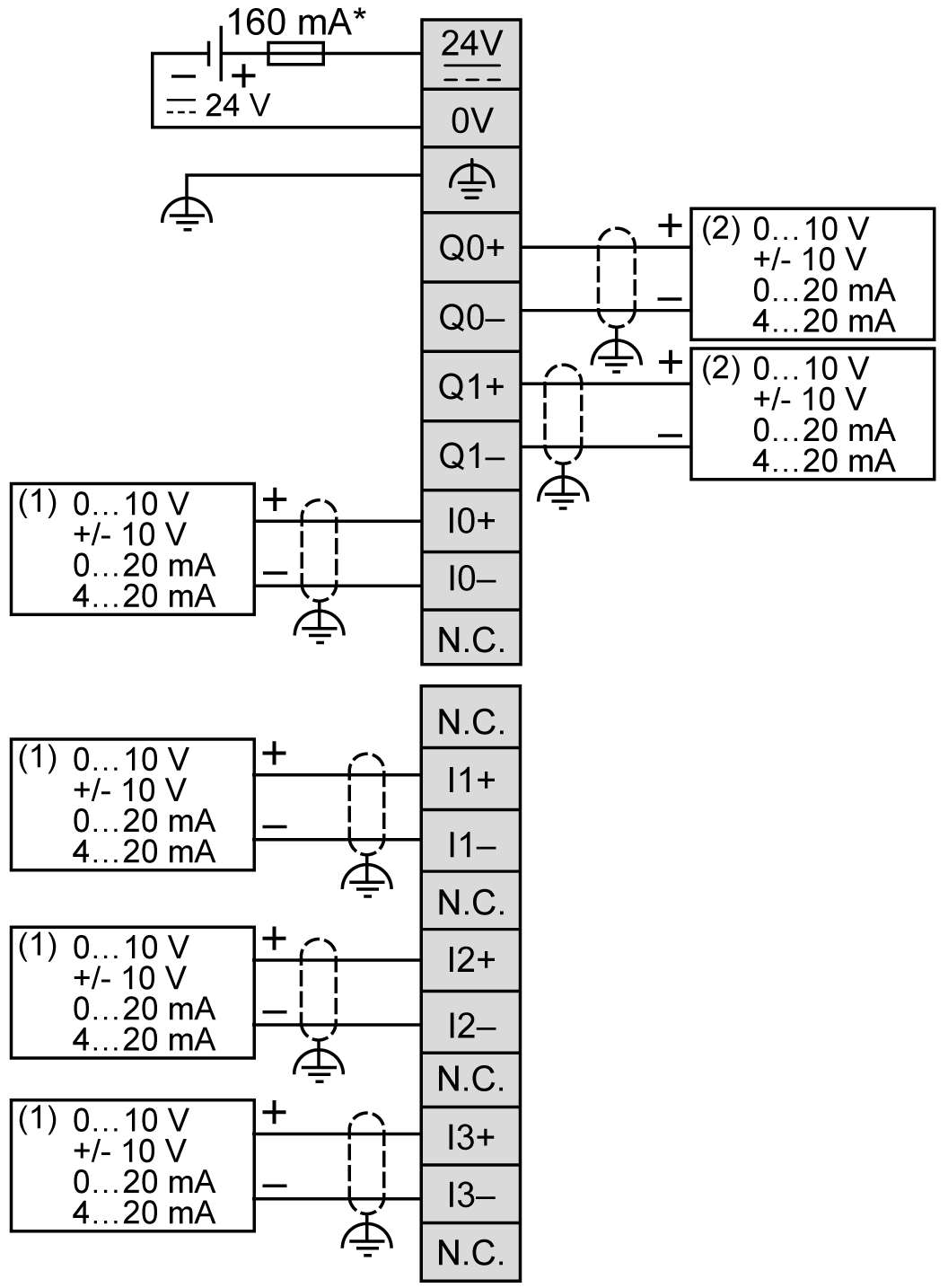
下图说明了输入与输出、传感器和执行器及其公共端之间的连接:

G-SE-0030421.2.gif-high.gif

 

*   T 型熔断器

(1)   电流/电压模拟量输出设备

(2)   电流/电压模拟量输入设备

Warning_Color.gif警告

意外的设备操作

请勿将电缆连接至未使用的端子和/或标记为“No Connection (N.C.)”的端子。

不遵循上述说明可能导致人员伤亡或设备损坏。