本节介绍 TM3DQ16R/TM3DQ16RG 扩展模块的电气与输出特性。
另请参阅环境特性。
|
|
|
意外的设备操作 |
|
请勿超过环境和电气特性表中指定的任何额定值。 |
|
不遵循上述说明可能导致人员伤亡或设备损坏。 |
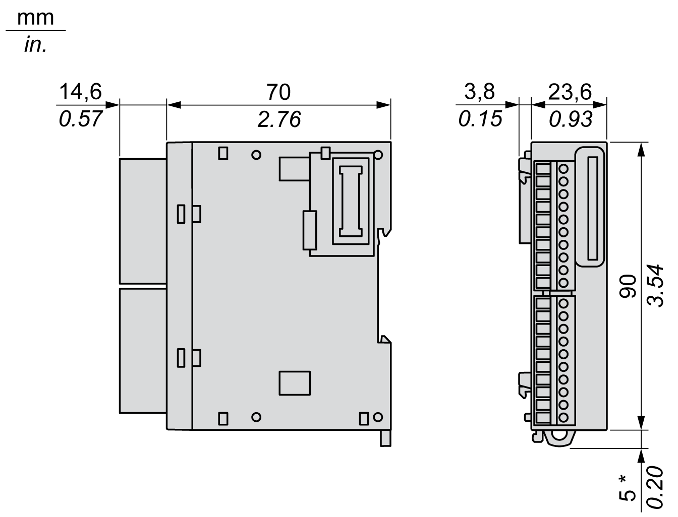
下图显示 TM3DQ16R/TM3DQ16RG 扩展模块的外部尺寸:
注意: * 拔出卡扣后为 8.5 毫米(0.33 英寸)。
下表描述了 TM3DQ16R/TM3DQ16RG 的输出特性:
|
特性 |
值 |
|
|---|---|---|
|
输出通道数 |
8 |
|
|
通道组数 |
2 个公共端,每个 8 通道组的 2 个端子上一个 |
|
|
输出类型 |
继电器 |
|
|
触点类型 |
NO(常开) |
|
|
额定输出电压 |
24 Vdc,240 Vac |
|
|
最大电压 |
30 Vdc,264 Vac |
|
|
最小开关负载 |
10 mA 时 5 Vdc |
|
|
额定输出电流 |
2 A |
|
|
最大输出电流 |
每路输出 2 A |
|
|
每个公共端 8 A |
||
|
最大输出频率 |
负载最大 |
每分钟 20 次操作 |
|
降额 |
-10...55 °C (14...131 F) |
无降额 |
|
接通时间 |
最大 10 ms |
|
|
断开时间 |
最大 10 ms |
|
|
触点电阻 |
30 mΩ(最大值) |
|
|
机械寿命 |
2000 万次操作 |
|
|
电气寿命 |
电阻式负载下 |
请参见功率限制 |
|
电感式负载下 |
||
|
防止短路 |
无 |
|
|
隔离 |
输出与内部逻辑之间 |
500 Vac |
|
通道组之间 |
1500 Vac |
|
|
连接方式 |
TM3DQ16R |
可插拔螺钉端子块 |
|
TM3DQ16RG |
可插拔卡簧端子块 |
|
|
连接器插入/拔出耐久性 |
超过 100 次 |
|
|
5 Vdc 内部总线上的最大电流 |
37 mA(所有输出开启) 5 mA(所有输出关闭) |
|
|
24 Vdc 内部总线上的最大电流 |
77 mA(所有输出开启) 0 mA(所有输出关闭) |
|
|
注意: 有关输出保护的其他信息,请参阅保护输出,避免电感式负载导致损坏。 |
||
下表所示为 TM3DQ16R/TM3DQ16RG 扩展模块的功率限制(取决于所需电压、负载类型和操作次数)。
这些扩展模块不支持电容式负载。
|
|
|
继电器输出熔接闭合 |
|
o始终使用适当的外部保护电路或设备来防止继电器输出遭受电感式交流电负载损坏。 o请勿将继电器输出连接至电容式负载。 |
|
不遵循上述说明可能导致人员伤亡或设备损坏。 |
|
功率限制 |
||||
|---|---|---|---|---|
|
电压 |
24 Vdc |
120 Vac |
240 Vac |
操作次数 |
|
电阻式负载功率 AC-12 |
– |
240 VA 80 VA |
480 VA 160 VA |
100,000 300,000 |
|
电感式负载功率 AC-15 (cos j = 0.35) |
– |
60 VA 18 VA |
120 VA 36 VA |
100,000 300,000 |
|
电感式负载功率 AC-14 (cos j = 0.7) |
– |
120 VA 36 VA |
240 VA 72 VA |
100,000 300,000 |
|
电阻式负载功率 DC-12 |
48 W 16 W |
– |
– |
100,000 300,000 |
|
电感式负载功率 DC-13 L/R = 7 ms |
24 W 7.2 W |
– |
– |
100,000 300,000 |