Verdrahtungsplan für die Module TM3TM3 / TM3TM3G

Einführung

Diese Erweiterungsmodule sind mit einer integrierten, abnehmbaren Schraub- oder Federklem­menleiste für die Verbindung von Eingängen, Ausgängen und Spannungsversorgung ausgestattet.

Verdrahtungsregeln

Siehe Best Practices für die Verdrahtung

Verdrahtungsplan

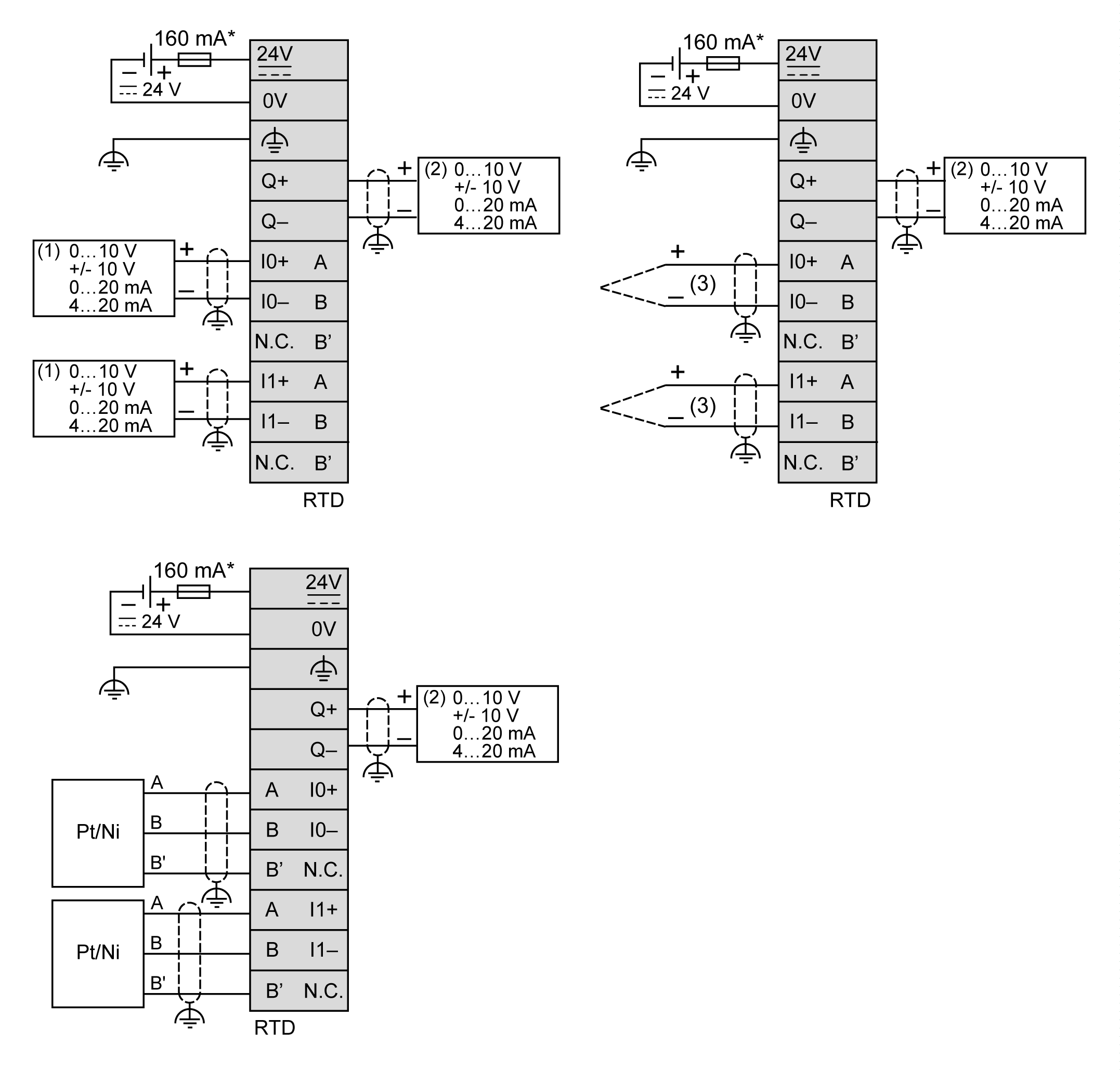
Die folgende Abbildung zeigt die Verbindungen zwischen den Ein- und Ausgängen, den Sensoren und Aktoren sowie ihren gemeinsamen Leitungen:

G-SE-0030424.3.gif-high.gif

 

*   Sicherung Typ T

(1)   Strom-/Spannungs-Analogausgangsgerät

(2)   Strom-/Spannungs-Analogeingangsgerät

(3)   Thermoelement

Warning_Color.gifWARNUNG

UNBEABSICHTIGTER GERÄTEBETRIEB

Verbinden Sie keine Drähte mit ungenutzten Anschlüssen und/oder mit Anschlüssen, die als No Connection (N.C.) gekennzeichnet sind.

Die Nichtbeachtung dieser Anweisungen kann Tod, schwere Verletzungen oder Sachschäden zur Folge haben.